Каталог запасных частей к технике: ХТЗ Т-150. Облицовка
1
2
3
3
4
5
6
7
8
9
10
10
11
12
13
14
15
16
17
18
19
20
21
22
23
23
24
25
26
27
28
29
30
31
32
33
34
34
35
36
37
37
38
39
40
41
42
42
43
43
44
45
46
47
48
48
49
49
49
50
50
51
51
51
51
51
52
52
52
53
53
53
53
54
54
54
54
54
55
56
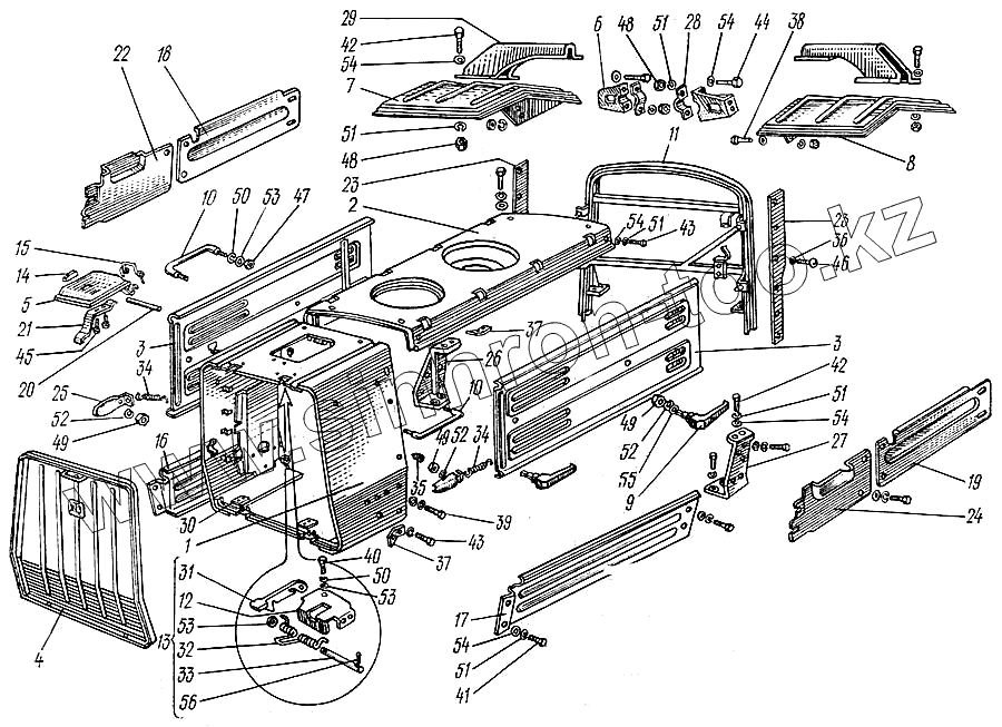
| Позиция на иллюстрации | Заводской номер детали | Название детали | |
|---|---|---|---|
| 150.47.001-4 | 150.47.001-4 | Облицовка | |
| 1 | 150.47.011-6 | Ограждение радиатора | |
| 2 | 150.47.012-3 | Капот | |
| 3 | 150.47.015-4 | Боковина | |
| 4 | 150.47.023-4 | Сетка | |
| 5 | 150.47.025-2 | Крышка люка | |
| 6 | 150.47.043 | Скоба | |
| 7 | 150.47.044-1 | Крыло правое | |
| 8 | 150.47.045-1 | Крыло левое | |
| 9 | 150.47.046-1 | Ручка надставки | |
| 10 | 150.47.053-1 | Ручка | |
| 11 | 150.47.058-1 | Рамка | |
| 12 | 150.47.062-1 | Корпус | |
| 13 | 150.47.063-1 | Защелка | |
| 14 | 150.45.076 | Ручка в сборе | |
| 15 | 150.47.124 | Пружина | |
| 16 | 150.47.142-4 | Брызговик передний правый | |
| 17 | 150.47.143-4 | Брызговик передний левый | |
| 18 | 105.47.144-3 | Брызговик задний правый | |
| 19 | 150.47.145-3 | Брызговик задний левый | |
| 20 | 150.47.161-2 | Ось | |
| 21 | 150.47.162-3 | Защелка люка | |
| 22 | 150.47.176-3 | Брызговик средний | |
| 23 | 150.47.187-1 | Прокладка | |
| 24 | 150.47.201-3 | Брызговик средний левый | |
| 25 | 150.47.208 | Фиксатор боковины | |
| 26 | 150.47.222-3 | Кронштейн правый | |
| 27 | 150.47.223-3 | Кронштейн левый | |
| 28 | 150.47.245 | Плайка | |
| 29 | 150.47.247-1 | Кронштейн крыла | |
| 30 | 150.47.310-1 | Проставка | |
| 31 | 150.47.335 | Защелка | |
| 32 | 150.47.336 | Пружина | |
| 33 | 150.47.337 | Ось | |
| 34 | 54.40.448А | Пружина | |
| 35 | 125.47.187 | Упор резиновый | |
| 36 | 150.45.449 | Шайба специальная | |
| 37 | 150.49.144 | Ушко тренчика | |
| 38 | Болт М10-6gх40.88.35.019 ГОСТ 7795-70 | Болт М10-6gх40.88.35.019 ГОСТ 7795-70 | |
| 39 | Болт М10-6gх55.66.019 ГОСТ 7795-70 | Болт М10-6gх55.66.019 ГОСТ 7795-70 | |
| 40 | Болт М8-6gх16.88.35.019 ГОСТ 7796-70 | Болт М8-6gх16.88.35.019 ГОСТ 7796-70 | |
| 41 | Болт М10-6gх16.88.35.019 ГОСТ 7796-70 | Болт М10-6gх16.88.35.019 ГОСТ 7796-70 | |
| 42 | Болт М10-6gх25.88.35.019 ГОСТ 7796-70 | Болт М10-6gх25.88.35.019 ГОСТ 7796-70 | |
| 43 | Болт М10-6gх30.88.35.019 ГОСТ 7796-70 | Болт М10-6gх30.88.35.019 ГОСТ 7796-70 | |
| 44 | Болт М10-6gх35.88.35.019 ГОСТ 7796-70 | Болт М10-6gх35.88.35.019 ГОСТ 7796-70 | |
| 45 | Винт В1М5-6gх8.58.019 ГОСТ 17473-80 | Винт В1М5-6gх8.58.019 ГОСТ 17473-80 | |
| 46 | Винт В1М6-6gх12.58.019 ГОСТ 17473-80 | Винт В1М6-6gх12.58.019 ГОСТ 17473-80 | |
| 47 | Гайка М8.6.0112 ГОСТ 5915-70 | Гайка М8.6.0112 ГОСТ 5915-70 | |
| 48 | Гайка М10.6.0112 ГОСТ 5915-70 | Гайка М10.6.0112 ГОСТ 5915-70 | |
| 49 | Гайка М12.6.0112 ГОСТ 5915-70 | Гайка М12.6.0112 ГОСТ 5915-70 | |
| 50 | Шайба 8 65Г 05 ГОСТ 6402-70 | Шайба 8 65Г 05 ГОСТ 6402-70 | |
| 51 | Шайба 10 65Г 05 ГОСТ 6402-70 | Шайба 10 65Г 05 ГОСТ 6402-70 | |
| 52 | Шайба 12 65Г 05 ГОСТ 6402-70 | Шайба 12 65Г 05 ГОСТ 6402-70 | |
| 53 | Шайба 8.04.0115 ГОСТ 11371-78 | Шайба 8.04.0115 ГОСТ 11371-78 | |
| 53 | Шайба 8.04.0115 ГОСТ 11371-78 | Шайба 8.04.0115 ГОСТ 11371-78 | |
| 54 | Шайба 10.04.0115 ГОСТ 11371-78 | Шайба 10.04.0115 ГОСТ 11371-78 | |
| 55 | Шайба 12.04.0115 ГОСТ 11371-78 | Шайба 12.04.0115 ГОСТ 11371-78 | |
| 56 | Шплинт 2х12.001 ГОСТ 397-79 | Шплинт 2х12.001 ГОСТ 397-79 | |
| 166 | Шайба 12 65Г 05 ГОСТ 6402-70 | Шайба 12 65Г 05 ГОСТ 6402-70 |
Содержащиеся в справочниках-каталогах запасные части и детали не предлагаются к продаже, а носят исключительно информационный характер