Вернуться на главную
Поиск
Каталоги запчастей к технике
Легковые автомобили
УАЗ
УАЗ-3160
Тормоз стояночный
Каталог запасных частей к технике: УАЗ-3160. Тормоз стояночный
zoom-in
zoom-out
enlarge
shrink
circle-right
circle-left
file-text2
info
cart
Тип техники
Не выбрано
Легковые автомобили
Грузовые автомобили и прицепы
Автобусы
Сельхозтехника
Спецтехника
Двигатели
Мототехника
Марка
Не выбрано
BYD
Chevrolet
Daewoo
Geely
Great Wall
Hyundai
Lifan
Tata
АЗЛК
ВАЗ
ГАЗ
ЗАЗ
ЗИЛ
ИЖ
ЛуАЗ
РАФ
УАЗ
Модель
Не выбрано
4CT90-1ME
UAZ Patriot (2007)
Кондиционер UAZ Patriot (2007)
КПП (Арзамас)
Патриот КЛАССИК (2020)
Патриот КОМФОРТ (2020)
Патриот ЛИМИТЕД 316300-0000305-11 (2020)
Патриот ПИКАП (2020)
Профи (2009)
Профи Стандарт (236324-0000014-00) (2020)
Профи Стандарт (236324-0000100-00) (2020)
Профи Стандарт (236324-0001214-00) (2020)
УАЗ 3741 (каталог 2002 г.) (2002)
УАЗ Patriot (2005)
УАЗ-2206
УАЗ-3151 (1993)
УАЗ-31512 (2002)
УАЗ-31514 (2002)
УАЗ-31519 (2002)
УАЗ-31519 (2005)
УАЗ-31519 (2007)
УАЗ-3160 (2002)
УАЗ-3303
УАЗ-3741
УАЗ-37419 (2009)
УАЗ-3962
Схема
>
Не выбрано
Кузов в сборе
Крепление кузова к раме
Термошумоизоляция кузова
Пол и каркас пола, каркас панели
Коврики пола и багажника
Коврики пола и багажника, уплотнители пола
Стеклоочиститель и привод
Окно ветровое, омыватель
Обивка боковины, окно боковины, люк боковины
Обивка крыши
Двери передние в сборе, обивка передней двери, окно передней двери
Механизм перемещения стекла передней двери
Замок и ручки передней двери, навеска передней двери, уплотнение передней двери
Дверь задняя в сборе, обивка задней двери, окно задней двери
Механизм перемещения стекла задней двери
Замок и ручки задней двери, навеска задней двери, уплотнение задней двери
Дверь задка в сборе, обивка двери задка, окно двери задка
Замок и ручки двери задка
Навеска двери задка, уплотнители двери задка, стеклоочиститель двери задка
Сиденье переднее
Сиденье заднее
Сиденье откидное
Отопитель
Обогрев ветрового стекла, вентиляция кузова, обогрев боковых стекол кузова
Управление отопителем кузова
Воздухозаборник
Зеркала, поручни, крючки для одежды, козырьки противосолнечные, световозвращатели, молдинг крыши
Ремни безопасности
Капот, облицовка радиатора
Механизмы капота, навеска и упор капота, термошумоизоляция оперения
Крыло переднее, фартуки
Подножка
Двигатель в сборе (изображение отсутствует)
Подвеска двигателя
Блок цилиндров
Головка блока цилиндров с клапанами
Поршень и шатун
Вал коленчатый и маховик
Вал распределительный
Клапаны и толкатели
Газопроводы впускной и выпускной
Газопроводы впускной и выпускной
Картер масляный
Маслоприемник и масляный насос
Фильтр очистки масла, радиатор масляный
Вентиляция картера
Устройства пусковые подогревательные (устанавливается по отдельным заказам)
Привод распределителя зажигания и масляного насоса
Баки топливные, пробка топливного бака
Трубопроводы топливные и насос топливный низкого давления электрический
Трубопроводы топливные и насос топливный низкого давления электрический
Трубопроводы топливные и насос топливный низкого давления электрический
Фильтр грубой очистки топлива, клапан топливный электромагнитный, фильтр тонкой очистки топлива
Насос топливный
Карбюратор К151Л
Карбюратор К151Л
Карбюратор К151Л
Карбюратор К151Л
Карбюратор К151Л
Привод управления дроссельной и воздушной заслонками
Фильтр воздушный
Глушитель выхлопа, резонатор, трубы и подвеска глушителя выхлопа, система рециркуляции отработавших газов
Радиатор, подвеска радиатора, трубопроводы и шланги, пробка радиатора, краник сливной
Термостат, насос системы охлаждения, вентилятор, кожух вентилятора, бачок расширительный
Бачек расширительный
Сцепление
Сцепление
Привод выключения сцепления
Привод выключения сцепления
Коробка передач в сборе (четырехступенчатая и пятиступенчатая)
Коробка передач (четырехступенчатая)
Коробка передач (четырехступенчатая)
Коробка передач (четырехступенчатая)
Механизм переключения передач (четырехступенчатой коробки)
Коробка передач (пятиступенчатая)
Коробка передач (пятиступенчатая)
Коробка передач (пятиступенчатая)
Механизм переключения передач (пятиступенчатой коробки)
Коробка раздаточная в сборе и ее подвеска
Коробка раздаточная
Коробка раздаточная
Механизм переключения передач
Вал карданный заднего моста
Вал карданный переднего моста
Мост передний ведущий в сборе, картер и кожухи полуосей переднего моста
Передача главная
Дифференциал переднего моста
Кулаки поворотные
Кулаки поворотные
Кулаки поворотные
Мост задний ведущий в сборе, картер и кожухи полуосей
Дифференциал и полуоси заднего моста
Рама, брызговики двигателя
Бампер передний, бампер задний, крепление переднего номерного знака, креплеие заднего номерного знака
Подвеска передняя в сборе, амортизаторы передней подвески
Амортизаторы передней подвески
Стабилизатор поперечной устойчивости, штанги передней подвески
Рессоры задние
Амортизаторы задние
Амортизаторы задние
Колеса, ступицы передних колес, ступицы задних колес
Держатель запасного колеса, покрышки и камеры
Управление рулевое в сборе
Управление рулевое, колесо рулевого управления, крепление рулевого управления
Насос усилителя рулевого управления, трубопроводы и шланги рулевого управления, бак масляный рулевого управления
Тяги рулевые
Управление рулевое в сборе
Управление рулевое
Тормоза рабочие передние
Тормоза рабочие задние и тормозные барабаны
Педаль и привод механизма управления тормозами, цилиндр главный гидравлических тормозов
Цилиндр главный гидравлических тормозов
Трубопроводы гидравлических тормозов, регулятор давления
Тормоз стояночный
Привод механизма управления стояночным тормозом
Усилитель вакуумный тормоза
Усилитель вакуумный тормоза, трубопровод вакуумного усилителя
Генератор
Батарея аккумуляторная, выключатель зажигания
Катушка зажигания, свечи и провода зажигания
Катушка зажигания, распределитель зажигания
Распределитель зажигания
Распределитель зажигания, свечи и провода зажигания
Стартер
Стартер
Стартер
Переключатели, выключатели
Фары, указатели поворота, гидрокорректор, фары противотуманные
Патроны ламп, приборы освещения, фонари, выключатели сигнала торможения, сигналы звуковые, предохранители, соединители электропроводов, прикуриватель, катафот двери
Фонари задние, фонарь освещения номерного знака
Электропровода
Электропровода
Электропровода
Электропровода
Устройства блокировочные, коммутатор транзисторный, электрооборудование пусковых подогревателей и отопительных устройств (устанавливается в комплектации с отопителем-подогревателем), реле разного назначения, фароочиститель, блоки управления
Комбинация приборов, часы (устанавливается в зависимости от комплектации), вал гибкий спидометра, наклономеры, креномеры и указатели центра тяжести (устанавливается в зависимости от комплектации)
Датчики указателей уровня топлива, температуры, давления масла, фазы, детонации, индуктивности, массового расхода топлива, углового положения дроссельной заслонки и регулятор холостого хода
Радиооборудование, ограждение переднее
Инструмент водителя и принадлежности
Приспособления
1
2
3
4
5
6
7
8
9
10
11
12
13
14
15
15
16
16
17
18
19
19
20
21
21
22
23
24
25
26
27
28
29
30
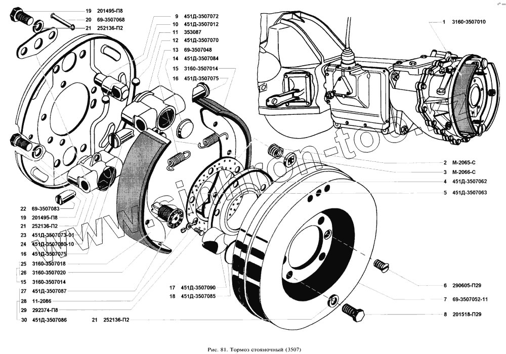
Позиция на иллюстрации
Заводской номер детали
Название детали
1
3160-3507010
Тормоз стояночный в сборе
2
М-2065-С
Пружина прижимная колодок
3
М-2066-С
Чашка прижимной пружины колодок верхняя
4
451Д-3507062
Маслоотражатель
5
451Д-3507063
Прокладка маслоотражателя
6
290605-П29
Винт М8х12 крепления тормозного барабана к ступице
7
69-3507052-11
Барабан
8
201518-П29
Болт М10х1х25 крепления вала заднего моста
9
451Д-3507072
Корпус шариков разжимного механизма
10
451Д-3507012
Щит стояночного тормоза
11
353087
Шарик ф11,9 разжимного механизма
12
451Д-3507070
Корпус разжимного механизма
13
69-3507048
Пружина стяжная колодок
14
451Д-3507084
Колпак корпуса разжимного механизма
15
3160-3507014
Колодка с накладкой в сборе
16
451Д-3507075
Толкатель разжимного механизма
17
451Д-3507090
Сухарь разжимной колодок
18
451Д-3507085
Заглушка корпуса регулировочного механизма
19
201495-П8
Болт М10х20
20
69-3507068
Стержень прижимной пружины колодок
21
252136-П2
Шайба 10 пружинная
22
69-3507083
Опора колодок
23
451Д-3507073-01
Ограничитель корпуса шариков разжимного механизма
24
451Д-3507080-10
Корпус регулировочного механизма
25
3160-3507018
Колодка тормоза в сборе
26
3160-3507020
Накладка фрикционная колодки
27
451Д-3507087
Винт регулировочный колодок
28
11-2086
Пружина регулировочного винта колодок
29
292374-П8
Штифт пружины регулировочного винта
30
451Д-3507086
Винт регулировочный колодок
Содержащиеся в справочниках-каталогах запасные части и детали не предлагаются к продаже, а носят исключительно информационный характер
Дополнительная информация
×
Название:
Номер:
Примечание: