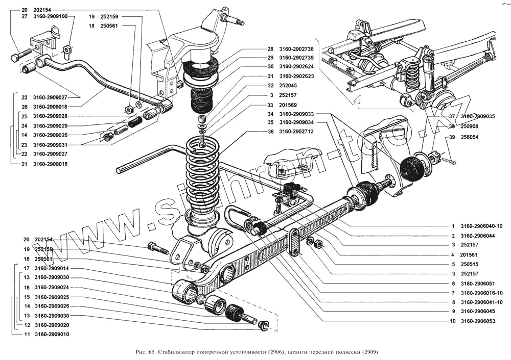
Каталог запасных частей к технике: УАЗ-3160. Стабилизатор поперечной устойчивости, штанги передней подвески
1
2
3
3
3
4
5
6
7
8
9
10
11
12
13
13
14
14
15
16
17
18
18
19
19
20
20
21
22
22
23
24
25
26
27
28
29
30
31
32
33
34
35
36
37
38
39
| Позиция на иллюстрации | Заводской номер детали | Название детали | |
|---|---|---|---|
| 1 | 3160-2906040-10 | Подушка штанги стабилизатора | |
| 2 | 3160-2906044 | Обойма подушки нижняя | |
| 3 | 252157 | Шайба 12 пружинная | |
| 4 | 201561 | Болт М12х1,25х25 | |
| 5 | 250515 | Гайка М12х1,25 | |
| 6 | 3160-2906051 | Пластина стремянки | |
| 7 | 3160-2906016-10 | Штанга стабилизатора | |
| 8 | 3160-2906041-10 | Подушка стабилизатора | |
| 9 | 3160-2906045 | Обойма подушки | |
| 10 | 3160-2906053 | Стремянка штанги стабилизатора | |
| 11 | 3160-2909010 | Штанга продольная с шарнирами в сборе | |
| 12 | 3160-2909020 | Шарнир резино-металлический | |
| 13 | 3160-2909030 | Втулка конусная | |
| 14 | 3160-2909026 | Втулка внутренняя | |
| 15 | 3160-2909025 | Втулка резиновая | |
| 16 | 3160-2909024 | Втулка наружная | |
| 17 | 3160-2909014 | Штанга продольная | |
| 18 | 250561 | Гайка М16х1,5 | |
| 19 | 252159 | Шайба 16 пружинная | |
| 20 | 202154 | Болт М16х1,5х85 | |
| 21 | 3160-2909016 | Тяга поперечная с шарнирами в сборе | |
| 22 | 3160-2909027 | Шарнир резино-металлический | |
| 23 | 3160-2909031 | Втулка конусная | |
| 24 | 3160-2909029 | Втулка резиновая | |
| 25 | 3160-2909028 | Втулка наружная | |
| 26 | 3160-2909018 | Тяга поперечная | |
| 27 | 3160-2909100 | Пластина с гайкой | |
| 28 | 3160-2902738 | Подушка опоры пружины | |
| 29 | 3160-2902739 | Опора пружины | |
| 30 | 3160-2902624 | Буфер | |
| 31 | 3160-2902623 | Втулка буфера | |
| 32 | 252045 | Шайба 12 | |
| 33 | 201569 | Болт М12х1,25х45 | |
| 34 | 3160-2909033 | Втулка опорная конца продольной штанги | |
| 35 | 3160-2909034 | Шайба 25,5 | |
| 36 | 3160-2902712 | Пружина передней подвески | |
| 37 | 3160-2909035 | Шайба 20,5 | |
| 38 | 250908 | Гайка М20х 1,5 | |
| 39 | 258054 | Шплинт 4х32 |
Содержащиеся в справочниках-каталогах запасные части и детали не предлагаются к продаже, а носят исключительно информационный характер