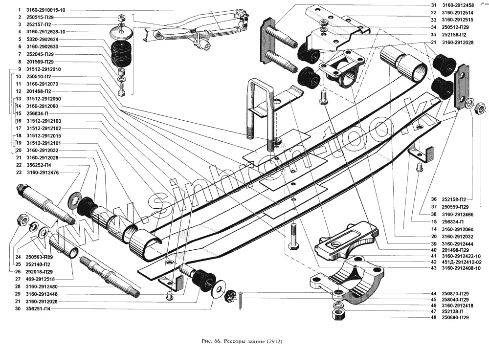
Каталог запасных частей к технике: УАЗ-3160. Рессоры задние
1
2
3
4
5
6
7
8
9
10
11
12
13
14
14
15
15
16
17
18
19
20
20
21
21
21
22
23
24
25
26
27
28
29
30
31
32
33
34
35
36
37
38
39
40
41
42
43
44
45
46
47
48
| Позиция на иллюстрации | Заводской номер детали | Название детали | |
|---|---|---|---|
| 1 | 3160-2910015-10 | Подвеска задняя | |
| 2 | 250515-П29 | Гайка М12х1,25 | |
| 3 | 252157-П2 | Шайба 12 пружинная | |
| 4 | 3160-2912628-10 | Чашка буфера | |
| 5 | 5320-2902624 | Буфер | |
| 6 | 3160-2902630 | Втулка буфера | |
| 7 | 252045-П29 | Шайба 12 | |
| 8 | 201569-П29 | Болт М12х1,25х45 | |
| 9 | 31512-2912010 | Рессора с втулками в сборе | |
| 10 | 250510-П2 | Гайка М6 | |
| 11 | 3160-2912070 | Прокладка межлистовая | |
| 12 | 201468-П2 | Болт М8х50 | |
| 13 | 31512-2912050 | Лист № 3 с хомутами в сборе | |
| 14 | 3160-2912060 | Хомут | |
| 15 | 256834-П | Заклепка 10х16 | |
| 16 | 31512-2912103 | Лист № 3 | |
| 17 | 31512-2912102 | Лист № 2 | |
| 18 | 31512-2912015 | Лист № 1 с втулками в сборе | |
| 19 | 31512-2912101 | Лист № 1 | |
| 20 | 3160-2912032 | Втулка ушка рессоры | |
| 21 | 3160-2912028 | Втулка ушка рессоры | |
| 22 | 356252-П4 | Шайба 25 специальная | |
| 23 | 3160-2912476 | Ось переднего конца рессоры в сборе | |
| 24 | 250563-П29 | Гайка М18х1.5 | |
| 25 | 252140-П2 | Шайба 18 пружинная | |
| 26 | 252018-П29 | Шайба 18 | |
| 27 | 469-2912518 | Втулка оси рессоры | |
| 28 | 3160-2912480 | Ось переднего конца рессоры | |
| 29 | 3160-2912448 | Втулка переходная | |
| 30 | 356251-П4 | Шайба 14,5 специальная | |
| 31 | 3160-2912458 | Щека серьги рессоры с пальцами внутренняя | |
| 32 | 3160-2912514 | Опора кронштейна серьги рессоры правая | |
| 33 | 3160-2912515 | Опора кронштейна серьги рессоры левая | |
| 34 | 250512-П29 | Гайка М10 | |
| 35 | 252156-П2 | Шайба 10 пружинная | |
| 36 | 252158-П2 | Шайба 14 пружинная | |
| 37 | 250559-П29 | Гайка М1 4 | |
| 38 | 3160-2912466 | Щека серьги рессоры наружная | |
| 39 | 3160-2912444 | Кронштейн серьги | |
| 40 | 201498-П29 | Болт М 10х28 крепления опоры кронштейна серьги рессоры | |
| 41 | 3160-2912422-10 | Подкладка рессоры | |
| 42 | 451Д-2912412-02 | Накладка рессоры | |
| 43 | 3160-2912408-10 | Стремянка рессоры | |
| 44 | 250870-П29 | Гайка М 14х1,5 | |
| 45 | 258040-П29 | Шплинт 3,2х25 | |
| 46 | 3160-2912418 | Подкладка стремянок | |
| 47 | 252138-П | Шайба 14 пружинная | |
| 48 | 250690-П29 | Гайка М14х1,5 |
Содержащиеся в справочниках-каталогах запасные части и детали не предлагаются к продаже, а носят исключительно информационный характер