Каталог запасных частей к технике: ГАЗ М20 Победа. Распределитель
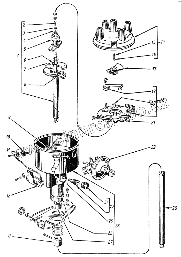
1
2
3
4
5
6
7
8
9
10
11
12
13
14
15
16
17
18
19
20
21
22
23
24
25
26
27
28
29
| Позиция на иллюстрации | Заводской номер детали | Название детали | |
|---|---|---|---|
| Н-1386 | Н-1386 | Шайба 4 пружинная | |
| Н-1318 | Н-1318 | Винт М4х6 | |
| Н-1395 | Н-1395 | Шайба рычага прерывателя замковая | |
| Н-1387 | Н-1387 | Шайба 5,4 пружинная | |
| Н-1360 | Н-1360 | Шайба 5,3 плоская | |
| Н-1386 | Н-1386 | Шайба 4 пружинная | |
| Н-1350 | Н-1350 | Шайба 4 | |
| Н-1262 | Н-1262 | Шайба 4 плоская | |
| Р20-3706611 | Р20-3706611 | Пружина вакуумного регулятора | |
| Р20-3706024 | Р20-3706024 | Пружина бегунка | |
| ИМВ-10-3854 | ИМВ-10-3854 | Пробка вакуумного регулятора | |
| Н-1325 | Н-1325 | Гайка М4 крепления клеммы | |
| Н-1314 | Н-1314 | Винт М5х12 | |
| Н-1313 | Н-1313 | Винт М5х10 | |
| Н-1307 | Н-1307 | Винт М4х8 крепления конденсатора и провода питания к клемме | |
| 1 | Р23-3706200 | Валик распределителя с центробежным автоматом в сборе | |
| 2 | Н-1309 | Винт М4х10 | |
| 3 | Н-1332 | Шайба диам 4,5 пружинная | |
| 4 | Н-1351 | Шайба плоская | |
| 5 | Р23-3706230-Б | Кулачок прерывателя в сборе | |
| 6 | Р20-3706240 | Груз центробежного автомата в сборе | |
| 7 | СТ-7302 | Пружина груза толстая | |
| 8 | СТ-7303 | Пружина груза тонкая | |
| 9 | Р-10-7064 | Втулка изоляционная клеммы | |
| 10 | Р10-7061 | Клемма вывода низкого напряжения | |
| 11 | Р-10-7063 | Скоба клеммы | |
| 12 | Р20-3706400 | Конденсатор в сборе | |
| 13 | Р23-3706011 | Муфта промежуточного валика распределителя | |
| 14 | Р23-3706500 | Крышка распределителя в сборе | |
| 15 | 1-ИГ-515 | Пружина контактного уголька | |
| 16 | 1-ИГ-514 | Уголек контактный | |
| 17 | Р20-3706020 | Бегунок распределителя в сборе | |
| 18 | Р23-3706300 | Прерыватель в сборе | |
| 19 | Р-7969 | Рычаг прерывателя в сборе (молоточек) | |
| 20 | Р-10-7144 | Стойка контактная прерывателя в сборе (наковальня) | |
| 21 | Р20-3706360 | Провод соединительный в сборе | |
| 22 | Р20-3706600-А | Регулятор вакуумный с кронштейном в сборе | |
| 23 | Р34-3706110 | Масленка распределителя в сборе | |
| 24 | Р-8050-А | Крышка масленки | |
| 25 | Н-1425 | Ось защелки крышки распределителя | |
| 26 | 1-ИГ-694 | Пружина крепления крышки распределителя | |
| 27 | 1-ИГ-579-А | Втулка валика распределителя | |
| 28 | Р23-3706100 | Корпус распределителя в сборе | |
| 29 | Р23-3706012 | Валик промежуточный распределителя |
Содержащиеся в справочниках-каталогах запасные части и детали не предлагаются к продаже, а носят исключительно информационный характер