Вернуться на главную
Поиск
Каталоги запчастей к технике
Легковые автомобили
ГАЗ
М20 Победа
Индукционная катушка. Свечи запальные и провода зажигания
Каталог запасных частей к технике: ГАЗ М20 Победа. Индукционная катушка. Свечи запальные и провода зажигания
zoom-in
zoom-out
enlarge
shrink
circle-right
circle-left
file-text2
info
cart
Тип техники
Не выбрано
Легковые автомобили
Грузовые автомобили и прицепы
Автобусы
Сельхозтехника
Спецтехника
Двигатели
Мототехника
Марка
Не выбрано
BYD
Chevrolet
Daewoo
Geely
Great Wall
Hyundai
Lifan
Tata
АЗЛК
ВАЗ
ГАЗ
ЗАЗ
ЗИЛ
ИЖ
ЛуАЗ
РАФ
УАЗ
Модель
Не выбрано
АКП Волга Сайбер (2009)
ГАЗ-12 (ЗИМ)
ГАЗ-14 (Чайка) (1980)
ГАЗ-21
ГАЗ-21 (каталог 69 г.) (1969)
ГАЗ-2217 (доп. с дв. Chr Е 3) (2009)
ГАЗ-2217 (доп. с дв. ЗМЗ Е 3) (2009)
ГАЗ-2217 (Соболь) (1999)
ГАЗ-24
ГАЗ-24-10 (1995)
ГАЗ-2705 (Cummins E-4) (2015)
ГАЗ-2705 (ГАЗель) (2000)
ГАЗ-2705 (дв. ЗМЗ-402) (2006)
ГАЗ-2705 (дв. ЗМЗ-406) (2006)
ГАЗ-2705 (дв. УМЗ-4215) (2006)
ГАЗ-2705 (доп. с дв. Chr Е-3) (2009)
ГАЗ-2705 (доп. с дв. ЗМЗ Е-3) (2009)
ГАЗ-2705, 3221 (куз. детали) (2006)
ГАЗ-2752 (доп. с дв. Chr Е 3) (2009)
ГАЗ-2752 (доп. с дв. ЗМЗ Е 3) (2009)
ГАЗ-3102 (2000)
ГАЗ-3102, 3110 (дополнение) (2009)
ГАЗ-31029
ГАЗ-3105 (1996)
ГАЗ-3110
ГАЗ-31105
ГАЗ-31105 (дополнение) (2005)
ГАЗ-3111 (2004)
ГАЗ-3221 (1999)
ГАЗ-3221 (2006) (2006)
ГАЗ-3221 (доп. с дв. Chr Е-3) (2009)
ГАЗ-3221 (Уст. АБС 8.1) (2008)
ГАЗ-3302 (2004) (2004)
ГАЗ-3302 (Cummins E-4) (2015)
ГАЗ-3302 (ГАЗель)
ГАЗ-3302 (доп. с дв. Chr Е 3) (2009)
ГАЗ-3302 (доп. с дв. ЗМЗ Е 3) (2009)
ГАЗ-3302 (Кузовные дет.) (2011)
ГАЗ-3302 (с двиг. УМЗ) (2015)
ГАЗ-3302, 2705 (доп. для ГБО) (2015)
ГАЗ-33027 (Дополнение)
ГАЗ-69 (1957)
ГАЗель 4x4 (Дополнение) (2012)
ГАЗель 4х4 (2001) (2009)
ГАЗЕЛЬ NEXT A65R32-40 (2021)
ГАЗель NEXT Citiline A64R42 (2021)
ГАЗель, Соболь (2003) (2003)
ГАЗель-Бизнес 2705-393 (2015)
ГУР 3110 и 3102 (2000)
Кузов ГАЗ 31029
М20 Победа
Облицовка ГАЗ-31105, 3102 (2009)
Установка климатическая (2009)
Схема
>
Не выбрано
Детали пола. Кожух пола. Коврики пола
Стеклоочиститель
Детали ветрового окна
Передок кузова
Детали передка
Ящик вещевой
Детали задка. Задняя дверь. Окно задка
Замок и ручка задней двери
Окно передней двери
Стеклоподъемник передней двери
Замок и ручки передней двери
Дверь передняя
Окно задней двери
Стеклоподъемник задней двери
Замок и ручки задней двери
Дверь задняя
Сиденье
Механизм регулировки переднего сиденья
Отопление
Вентилятор обдува ветрового окна
Вентиляция передка
Капот
Крыло переднее
Крыло заднее
Облицовка радиатора
Двигатель в сборе
Подвеска двигателя
Блок цилиндров
Головка цилиндров
Поршни и шатуны
Коленчатый вал и маховик
Вал распределительный
Клапаны и толкатели
Газопровод
Картер масляный
Маслоприемник
Насос масляный
Фильтр масляный грубой очистки
Фильтр масляный тонкой очистки
Бак бензиновый
Бензинопровод. Трубопроводы гидротормозов
Насос бензиновый
Карбюратор
Привод управления дроссельной и воздушной заслонками
Фильтр воздушный
Глушитель. Трубы и подвеска глушителя
Радиатор. Термостат. Жалюзи радиатора
Вентилятор. Насос водяной
Сцепление
Привод выключения сцепления. Тормозная педаль и привод
Коробка передач
Механизм переключения передач коробки передач
Управление коробкой передач
Вал карданный
Картер и кожухи полуосей
Главная передача. Дифференциал и полуоси
Рама. Брызговики двигателя
Буфер передний
Буфер задний
Пружины передней подвески. Стойка и рычаги передней подвески
Амортизатор передней подвески
Стабилизатор поперечной устойчивости передней подвески
Рессора задняя
Амортизатор задней подвески
Поворотные кулаки
Рулевые тяги
Ступицы передних колес. Колеса
Ступицы задних колес. Колеса
Рулевое управление
Тормоза передние ножные и тормозные барабаны
Тормоза задние ножные и тормозные барабаны
Главный цилиндр тормоза
Управление ручным тормозом
Генератор
Реле-регулятор
Аккумуляторная батарея
Замок зажигания
Распределитель
Индукционная катушка. Свечи запальные и провода зажигания
Стартер
Фары
Подфарники
Освещение внутреннее
Фонарь задний. Освещение заднего номерного знака
Сигнал и кнопка сигнала
Схема электрооборудования автомобиля
Переключатель света центральный. Переключатель света ножной. Предохранители. Прикуриватель
Комбинация приборов
Спидометр
Контрольная лампа
Инструмент шоферский
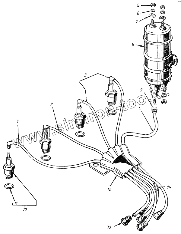
1
2
3
4
5
6
7
8
9
10
11
12
13
14
Позиция на иллюстрации
Заводской номер детали
Название детали
Б-21-3705300-А
Б-21-3705300-А
Сопротивление добавочное с кожухом в сборе
293226-П8
293226-П8
Шайба 6 пружинная
220103-П8
220103-П8
Винт М6х1х12
1
20-3707051
Провод от распределителя к свече 1-го цилиндра двигателя в сборе
2
20-3707052
Провод от распределителя к свече 2-го цилиндра двигателя в сборе
3
20-3707053
Провод от распределителя к свечам 3-го и 4-го цилиндров двигателя в сборе
4
20-3707050-Б
Провод высокого напряжения от индукционной катушки к распределителю с гасящим сопротивлением в сборе
5
М11-90118
Гайка М5
6
Х-4001
Шайба 5Т пружинная
7
Р10-7063
Скоба клеммы
8
Б21-3705000
Катушка индукционная в сборе (51-3705010)
9
КЛ-10-6492
Клемма высокого напряжения
10
СН4Б(НМ12/12В-У)
Свеча запальная с прокладкой в сборе (20-3707010)
11
СР-3707013-1
Прокладка запальной свечи
12
20-3707032
Держатель проводов зажигания в сборе
13
11-12231
Колпачок резиновый провода зажигания
14
80-14310
Сопротивление гасящее цепи индукционной катушки в сборе типа СЭ-01
Содержащиеся в справочниках-каталогах запасные части и детали не предлагаются к продаже, а носят исключительно информационный характер
Дополнительная информация
×
Название:
Номер:
Примечание: