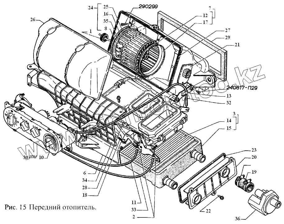
Каталог запасных частей к технике: ГАЗель, Соболь (2003). Передний отопитель
290299
240817-П29
1
2
3
4
6
7
8
10
11
12
13
14
15
16
17
18
19
20
21
22
23
24
25
26
27
28
29
30
32
33
34
35
36
| Позиция на иллюстрации | Заводской номер детали | Название детали | |
|---|---|---|---|
| 290299 | 290299 | Винт 4х18 | |
| 240817-П29 | 240817-П29 | Винт М4х10 ОСТ 37.001.188-81 | |
| 1 | 24-5208150 | Втулка уплотнительная | |
| 2 | 3302-8109198 | Зажим оболочки | |
| 3 | 3310-8101056 | Радиатор отопителя с прокладкой | |
| 4 | 3310-8101128 | Крышка радиатора | |
| 5 | 3310-8101151 | Уплотнитель распределителя | |
| 6 | 3310-8101200 | Корпус отопителя | |
| 7 | 3310-8101394 | Патрубок вентилятора | |
| 8 | 3310-8101574 | Скоба | |
| 9 | 3310.8109001 | Пульт управления ОВУ | |
| 10 | 3310.8109020-10 | Блок управления ОВУ | |
| 11 | 3310-8109103 | Тяга | |
| 12 | 3310-8101184 | Уплотнитель фланца | |
| 13 | 3302-8109198 | Зажим оболочки | |
| 14 | 3302-8101060-10 | Радиатор отопителя | |
| 15 | 3310-8101157-01 | Прокладка радиатора отопителя | |
| 16 | 3310-8101182 | Фланец вентилятора | |
| 17 | 3310-8101396 | Патрубок вентилятора | |
| 18 | 3310-8101790 | Рейка заслонки вентилятора | |
| 19 | 3310-8120034 | Шланг | |
| 20 | 00.78.00 | Хомут 20-32 | |
| 21 | 171.3729 | Резистор добавочный | |
| 22 | 3302-5325400 | Винт самонарезающий для металла и пластмассы | |
| 23 | 3310-8101159 | Уплотнитель крышки радиатора | |
| 24 | 3310-8101178 | Электродвигатель отопителя с фланцем | |
| 25 | 3310-8101184 | Уплотнитель фланца | |
| 26 | 3310-8101418 | Крышка вентилятора | |
| 27 | 3310-8101421 | Уплотнитель крышки вентилятора | |
| 28 | 3310-8101788 | Рейка заслонки распределителя | |
| 29 | 3310-8101890-01 | Уплотнитель отопителя передний | |
| 30 | 3310.8109001-10 | Пульт управления отопительно-вентиляционной установкой | |
| 31 | 3310.8109020 | Блок управления ОВУ | |
| 32 | 3310-8109100 | Тяга | |
| 33 | 3310-8109101 | Тяга | |
| 34 | 3310-8109140 | Кожух защитный | |
| 35 | 45.3730-10 | Электродвигатель отопителя с вентилятором | |
| 36 | РКНУ.8109030 | Кран управления отопителем |
Содержащиеся в справочниках-каталогах запасные части и детали не предлагаются к продаже, а носят исключительно информационный характер