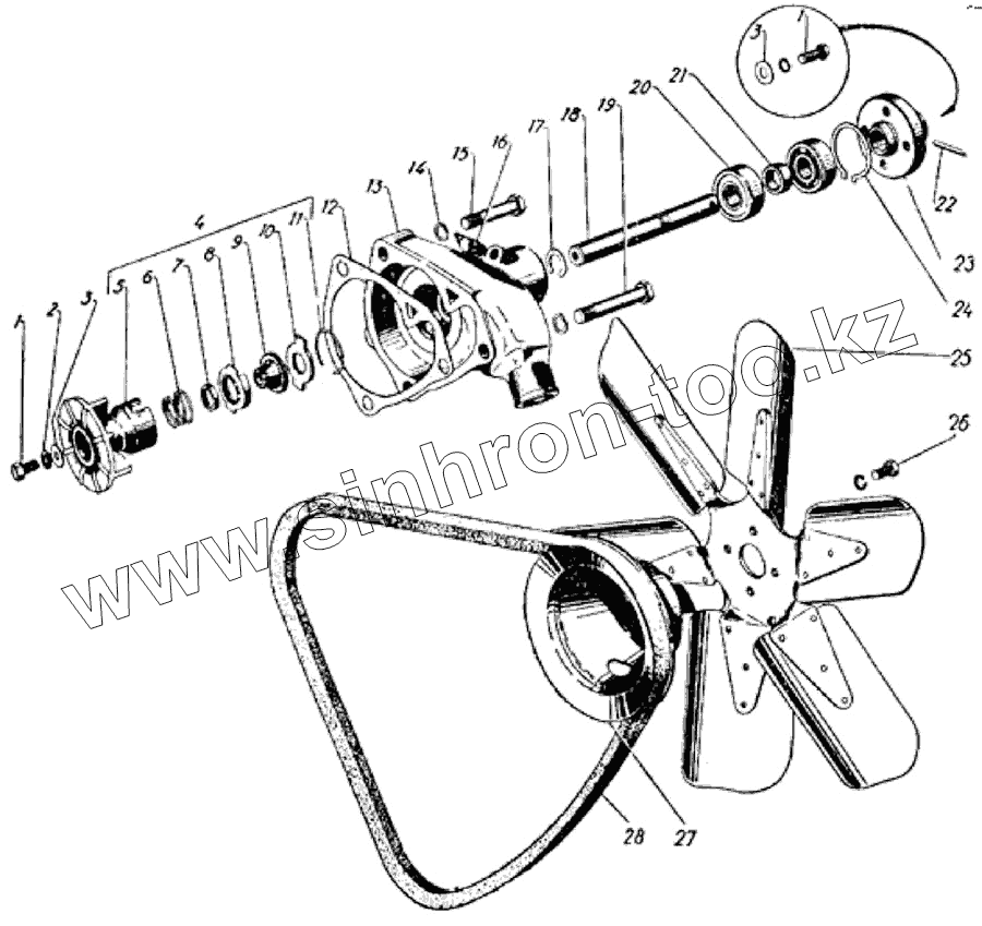
Каталог запасных частей к технике: ГАЗ-69. Водяной насос
1
2
3
4
5
6
7
8
9
10
11
12
13
14
15
16
17
18
19
20
21
22
23
24
25
26
27
28
| Позиция на иллюстрации | Заводской номер детали | Название детали | |
|---|---|---|---|
| 252135-П2 | 252135-П2 | Шайба 8Т ОСТ 37.001.115-75 | |
| 252155-П2 | 252155-П2 | Шайба 8Л ОСТ 37.001.115-75 | |
| 12-1307019-Б | 12-1307019-Б | Валик водяного насоса с внутренним стопорным кольцом в сборе | |
| 1 | 201238-П8 | Болт М8-4hх14 | |
| 2 | 252175-П8 | Шайба 8 | |
| 3 | 293277-П8 | Шайба 8 | |
| 4 | 12-1307030-Б | Крыльчатка и сальник водяного насоса в сборе | |
| 5 | 12-1307032-Б | Крыльчатка водяного насоса | |
| 6 | 12-1307034 | Пружина упорная сальника крыльчатки водяного насоса | |
| 7 | 11-8528-Б | Кольцо | |
| 8 | 12-1307052-Б | Обойма сальника крыльчатки водяного насоса | |
| 9 | 11-8515-А3 | Манжета | |
| 10 | 11-8513-А1 | Шайба уплотняющая сальника крыльчатки водяного насоса | |
| 11 | 12-1307042 | Кольцо стопорное | |
| 12 | 12-1307048 | Прокладка корпуса водяного насоса | |
| 13 | 12-1307015-Б | Корпус водяного насоса | |
| 14 | 252136-П2 | Шайба 10 ОТ ОСТ 37.001.115-75 | |
| 15 | 201290-П8 | Болт М10х45 | |
| 16 | 264030-П8 | Пресс-масленка 2.3.45.Ц6 | |
| 17 | 12-1307029 | Кольцо стопорное подшипника | |
| 18 | 12-1307023-Б | Валик водяного насоса | |
| 19 | 201295-П8 | Болт М10х65 | |
| 20 | 12-1307027 | Подшипник водяного насоса | |
| 21 | 12-1307025 | Втулка распорная подшипника водяного насоса | |
| 22 | 258939-П | Штифт ступицы шкива водяного насоса и вентилятора | |
| 23 | 12-1307024-В | Ступица шкива водяного насоса и вентилятора | |
| 24 | 12-1307028-Б | Кольцо стопорное подшипника водяного насоса наружное | |
| 25 | 011-1308010 | Вентилятор в сборе | |
| 26 | 201454-П8 | Болт М8-6gх16 | |
| 27 | 20-1308025-А2 | Шкив вентилятора | |
| 28 | 12-1308020 | Ремень привода вентилятора и водяного насоса |
Содержащиеся в справочниках-каталогах запасные части и детали не предлагаются к продаже, а носят исключительно информационный характер