Каталог запасных частей к технике: ГАЗ-69. Реле-регулятор
1
2
3
4
5
6
8
9
10
11
12
13
14
| Позиция на иллюстрации | Заводской номер детали | Название детали | |
|---|---|---|---|
| 8Х-1542 | 8Х-1542 | Винт | |
| Х-4452 | Х-4452 | Шайба изоляционная | |
| МХ-0284 | МХ-0284 | Шайба изоляционная | |
| МХ-0748 | МХ-0748 | Шайба запорная | |
| 252004-П8 | 252004-П8 | Шайба 6 | |
| 252154-П2 | 252154-П2 | Шайба 6Л ОСТ 37.001.115-75 | |
| 252174-П8 | 252174-П8 | Шайба 6 пружинная | |
| Х-4034 | Х-4034 | Шайба 5 | |
| Х-4001 | Х-4001 | Шайба 5Т пружинная | |
| Х-1012 | Х-1012 | Шайба 4 пружинная | |
| 8Х-1496 | 8Х-1496 | Шайба | |
| РР12-3702542 | РР12-3702542 | Сопротивление 80 ом | |
| РР12-3702541 | РР12-3702541 | Сопротивление 30 ом | |
| РР15-3702547 | РР15-3702547 | Сопротивление 15 ом | |
| РР11-3702520 | РР11-3702520 | Скоба | |
| РР20-3702119 | РР20-3702119 | Изоляция ярма | |
| РР20-3702114 | РР20-3702114 | Держатель сопротивления | |
| РР20-3702214 | РР20-3702214 | Гайка фасонная | |
| Х-4003 | Х-4003 | Гайка М5-6Н | |
| РР20-3702215 | РР20-3702215 | Винт фасонный | |
| МХ-0097 | МХ-0097 | Винт М5-8gх12 | |
| 8Х-1598 | 8Х-1598 | Винт М5х7 | |
| 8Х-1549 | 8Х-1549 | Винт крепления крышки | |
| 8Х-1548 | 8Х-1548 | Винт | |
| 8Х-1545 | 8Х-1545 | Винт | |
| 201422-П8 | 201422-П8 | Болт М6-6gх25 | |
| РР12-3702550 | РР12-3702550 | Сопротивление 1 ом | |
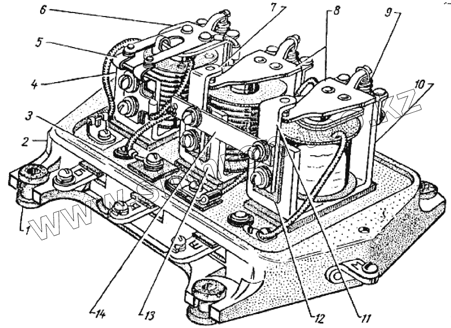
| 1 | РР20-3702020 | Амортизатор в сборе | |
| 2 | РР20-3702100 | Основание в сборе | |
| 3 | РР20-3702108 | Пластина изоляционная | |
| 4 | РР20-3702200 | Реле обратного тока в сборе | |
| 5 | РР20-3702217 | Держатель с контактами в сборе | |
| 6 | РР20-3702205 | Якорь реле обратного тока в сборе | |
| 7 | РР20-3702310 | Держатель с серебряным контактом в сборе | |
| 8 | РР20-3702420 | Якорь в сборе | |
| 9 | РР20-3702418 | Пружина | |
| 10 | РР20-3702400 | Ярмо регулятора напряжения с катушкой в сборе | |
| 11 | РР20-3702440 | Держатель с вольфрамовым контактом в сборе | |
| 12 | РР20-3702419 | Прокладка изоляционная | |
| 13 | РР20-3702300 | Ярмо ограничителя тока с катушкой в сборе | |
| 14 | РР20-3702505 | Шина соединительная с выводом в сборе |
Содержащиеся в справочниках-каталогах запасные части и детали не предлагаются к продаже, а носят исключительно информационный характер