Каталог запасных частей к технике: ГАЗ-69. Индукционная катушка
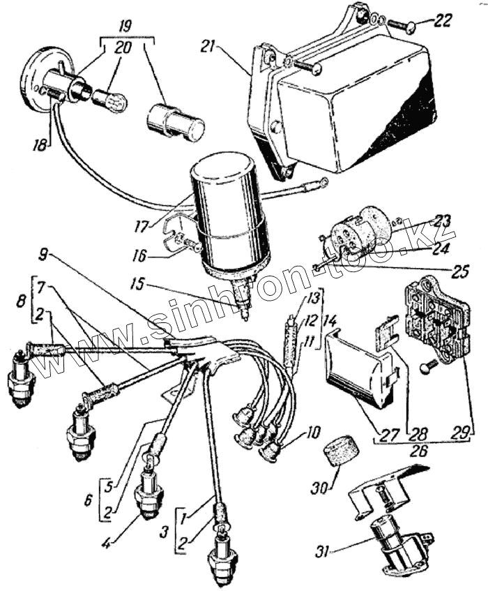
1
2
2
2
3
4
5
6
7
8
9
10
11
12
13
14
15
16
17
18
19
20
21
23
24
25
26
27
28
29
30
31
| Позиция на иллюстрации | Заводской номер детали | Название детали | |
|---|---|---|---|
| 252137-П2 | 252137-П2 | Шайба 12.ОТ ОСТ 37.001.115-75 | |
| 201326-П8 | 201326-П8 | Болт М12х1,75х32 | |
| 298492-П | 298492-П | Штуцер угловой трубки вакуумного регулятора распределителя | |
| 280020-П8 | 280020-П8 | Штуцер трубки вакуумного регулятора распределителя прямой (к карбюратору) | |
| 293226-П8 | 293226-П8 | Шайба 6 пружинная | |
| 293156-П2 | 293156-П2 | Шайба 4 специальная | |
| 252134-П2 | 252134-П2 | Шайба 6Т ОСТ 37.001.115-75 | |
| 252134-П2 | 252134-П2 | Шайба 6Т ОСТ 37.001.115-75 | |
| 252154-П2 | 252154-П2 | Шайба 6Л ОСТ 37.001.115-75 | |
| 252130-П2 | 252130-П2 | Шайба 3 пружинная | |
| 252004-П8 | 252004-П8 | Шайба 6 | |
| 20-3706315-Б | 20-3706315-Б | Трубка вакуумного регулятора распределителя | |
| 20-3708010 | 20-3708010 | Стартер и включатель в сборе (типа СТ-20) | |
| 11-12211-М | 11-12211-М | Скоба крепления трубки вакуумного регулятора распределителя к двигателю | |
| 20-3706010-Б | 20-3706010-Б | Распределитель в сборе типа Р23 | |
| РР20-3702008 | РР20-3702008 | Прокладка уплотнительная | |
| РР20-3702003 | РР20-3702003 | Крышка | |
| 250760-П8 | 250760-П8 | Гайка М3х0,5 | |
| 222525-П8 | 222525-П8 | Винт М6х16 | |
| 220105-П8 | 220105-П8 | Винт М6х16 | |
| 220105-П8 | 220105-П8 | Винт М6х16 | |
| 220048-П8 | 220048-П8 | Винт М4х0,7х6 | |
| 1 | 20-3707092 | Провод от распределителя к помехогасительному сопротивлению свечи третьего цилиндра в сборе | |
| 2 | 80-14311 | Сопротивление помехогасительное в сборе (СЭ02) | |
| 3 | 51-3707100 | Провод от распределителя к свече третьего цилиндра с помехогасительным сопротивлением в сборе | |
| 4 | 51-3707010 | Свеча зажигания в сборе (СН4-Г) | |
| 5 | 20-3707097 | Провод от распределителя к свече второго цилиндра двигателя | |
| 6 | 20-3707095-Б | Провод от распределителя к свече второго цилиндра двигателя с гасящим сопротивлением в сборе | |
| 7 | 20-3707102 | Провод от распределителя к свечам третьего и четвертого цилиндров двигателя | |
| 8 | 20-3707100-Б | Провод от распределителя к свечам третьего и четвертого цилиндров двигателя с гасящим сопротивлением в сборе | |
| 9 | 20-3707032 | Держатель проводов зажигания в сборе | |
| 10 | 51-3707206 | Колпачок резиновый проводов зажигания | |
| 11 | 20-3707059 | Провод высокого напряжения от помехогасительного сопротивления к распределителю в сборе | |
| 12 | 80-14310 | Сопротивление гасящее цепи индукционной катушки в сборе типа СЭ-01 | |
| 13 | 69-3707058 | Провод высокого напряжения от индукционной катушки к гасящему сопротивлению | |
| 14 | 69-3707050 | Провод высокого напряжения от индукционной катушки к распределителю с гасящим сопротивлением в сборе | |
| 15 | КЛ-10-6492 | Клемма высокого напряжения | |
| 16 | 220103-П8 | Винт М6х1х12 | |
| 17 | 51-3705010-Б | Катушка зажигания в сборе типа Б1 | |
| 18 | 222527-П8 | Винт М6х20 | |
| 19 | 51-3714310-Б | Лампа подкапотная в сборе типа ПД-1 | |
| 20 | 70-13466 | Лампа 12в, 3 свечи (А-24) | |
| 21 | 69-3702010 | Реле регулятор в сборе типа РР20 | |
| 23 | 51-3715021 | Прокладка штепсельной розетки переносной лампы | |
| 24 | 51-3715020 | Розетка штепсельная переносной лампы в сборе (47К) | |
| 25 | 221512-П8 | Винт М3х0,5х28 | |
| 26 | 69-3722010-А2 | Блок предохранителей в сборе типа ПР-10-Б | |
| 27 | ПР10Б-3722200 | Крышка блока предохранителей в сборе | |
| 28 | ПР10А-3722300 | Вставка предохранителя № 2 на 10А в сборе | |
| 29 | ПР10А-3722100 | Основание блока предохранителей в сборе | |
| 30 | 11-11745 | Колпачок резиновый плунжера ножного переключателя света | |
| 31 | 51-3710010 | Переключатель света ножной в сборе |
Содержащиеся в справочниках-каталогах запасные части и детали не предлагаются к продаже, а носят исключительно информационный характер