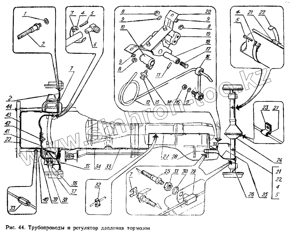
Каталог запасных частей к технике: ГАЗ-3102. Трубопроводы и регулятор давления тормозов
1
2
2
3
4
4
4
5
5
5
6
7
7
8
8
8
9
9
9
9
10
11
12
13
14
15
16
17
18
19
20
21
21
21
22
22
22
23
24
25
25
26
27
28
29
30
31
32
33
33
34
35
36
37
38
39
40
41
42
43
44
| Позиция на иллюстрации | Заводской номер детали | Название детали | |
|---|---|---|---|
| 1 | 24-76-3506013 | Прокладка крепления муфты шлангов задних тормозов | |
| 2 | 24-3506025 | Шланг гибкий передних тормозов с наконечниками | |
| 3 | 297582-П29 | Лента 10х180 | |
| 4 | 297580-П29 | Пряжка | |
| 5 | 297575-П29 | Шплинт 5,6х22 | |
| 6 | 66-02-4222017 | Штуцер угловой | |
| 7 | 24-3506042 | Скоба крепления шланга | |
| 8 | 250510-П29 | Гайка М8-6Н ОСТ 37.001.124-93 | |
| 9 | 252155-П29 | Шайба пружинная 8 | |
| 10 | 24-3535066 | Рычаг нажимной регулятора давления | |
| 11 | 45 9841 1387 | Штифт 6х25 | |
| 12 | 24-3535074 | Пружина нагрузочная | |
| 13 | 24-3535080 | Болт регулировочный | |
| 14 | 250513-П29 | Гайка М10х1-6Н | |
| 15 | 250511-П29 | Гайка М8х1-6Н ОСТ 37.001.124-93 | |
| 16 | 24-3535090 | Стойка в сборе | |
| 17 | 290617-П29 | Болт М8-6gх22 | |
| 18 | 24-3535070 | Ось нажимного рычага | |
| 19 | 24-3535010 | Регулятор давления тормозов | |
| 20 | 24-3535100 | Кронштейн переходный регулятора давления тормозов | |
| 21 | 20-3506046 | Втулка защитная | |
| 22 | 297594-П29 | Лента 10х580 | |
| 23 | 69Ю-3506050 | Хомут крепления трубки к заднему мосту | |
| 24 | 24-3506040-10 | Трубопровод в сборе | |
| 25 | 24-3506025-10 | Шланг гибкий тормозов заднего моста | |
| 26 | 24-3506035-10 | Трубопровод в сборе | |
| 27 | 3102-3506030 | Трубопровод в сборе | |
| 28 | 3102-3506440-10 | Трубопровод в сборе | |
| 29 | 24-3506033 | Тройник трубопровода | |
| 30 | 252154-П29 | Шайба 6Л ОСТ 37.001.115-75 | |
| 31 | 250508-П29 | Гайка М6-6Н ОСТ 37.001.124-93 | |
| 32 | 24-3506043 | Скоба крепления трубопроводов | |
| 33 | 24-3506094 | Муфта соединительная правая и левая гидропривода тормозов | |
| 34 | 31011-3506430 | Трубопровод в сборе | |
| 35 | 3102-3506576 | Трубопровод в сборе | |
| 36 | 3102-3506586-01 | Трубопровод в сборе | |
| 37 | 3102-3506612 | Трубопровод в сборе | |
| 38 | 3102-3506550-01 | Трубопровод в сборе | |
| 39 | 3102-3506590 | Трубопровод в сборе | |
| 40 | 3102-3506554 | Трубопровод в сборе | |
| 41 | 24-3552054-10 | Шланг вакуумного усилителя тормозов | |
| 42 | 297508-П29 | Скоба 20 | |
| 43 | 3102-3506562 | Трубопровод в сборе | |
| 44 | 3102-3506602 | Трубопровод в сборе |
Содержащиеся в справочниках-каталогах запасные части и детали не предлагаются к продаже, а носят исключительно информационный характер