Каталог запасных частей к технике: ГАЗ-3102. Радиооборудование
1
2
3
4
5
6
7
7
8
8
8
8
8
9
10
11
11
11
12
12
13
14
15
16
17
18
19
20
20
21
22
23
24
25
25
26
26
27
28
29
29
30
31
32
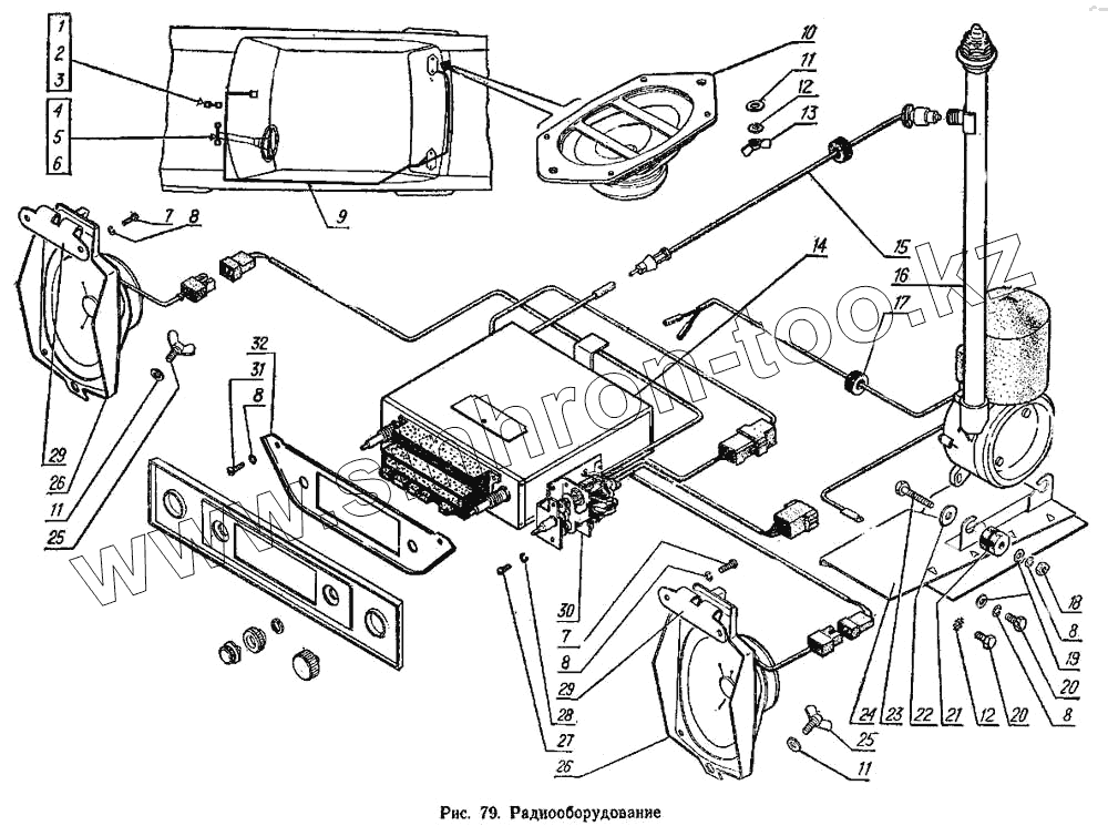
| Позиция на иллюстрации | Заводской номер детали | Название детали | |
|---|---|---|---|
| 1 | 252269-П29 | Шайба 6 ОСТ 37.001.145-75 | |
| 2 | 220103-П29 | Винт М6-6gх12 ОСТ 37.001.127-81 | |
| 3 | 21Р-3724566 | Провод соединения «массы» капота с кузовом | |
| 4 | 201456-П29 | Болт М8-6gх20 ОСТ 37.001.123-96 | |
| 5 | 252270-П29 | Шайба стопорная 8 | |
| 6 | 40-3724566 | Провод соединения «массы» двигателя с кузовом | |
| 7 | 290386-П29 | Винт М5х12 | |
| 8 | 252133-П29 | Шайба 5 | |
| 9 | Хг6.640.090 | Провод соединительный | |
| 10 | Хг3.843.011 | Громкоговоритель ГРА-23 | |
| 11 | 293198-П29 | Шайба 5 | |
| 12 | 252233-П29 | Шайба 2-5 ОСТ 37.001.146-75 | |
| 13 | 251511-П29 | Гайка М5 | |
| 14 | Хг2.021.018-01 | Магнитола «Старт-203» (3102-7901010) | |
| 15 | 24-7905010-11 | Кабель антенны | |
| 16 | АР104Б-Э | Антенна с электроприводом | |
| 17 | 51-3802035 | Втулка уплотнительная | |
| 18 | 250508-П29 | Гайка М6-6Н ОСТ 37.001.124-93 | |
| 19 | 252003-П29 | Шайба 5 ОСТ 37.001.144-96 | |
| 20 | 290393-П29 | Болт М5-6gх12 | |
| 21 | 24-50-7903078 | Втулка амортизационная | |
| 22 | 252037-П29 | Шайба 6 ОСТ 37.001.144-96 | |
| 23 | 200213-П29 | Болт М6-6gх35 | |
| 24 | 24-7903015 | Основание антенны | |
| 25 | 3102-7909036 | Винт | |
| 26 | Хг3.843.012 | Громкоговоритель ГРА-25 | |
| 27 | 224570-П29 | Винт М4-6gх8 ОСТ 37.001.130-81 | |
| 28 | 252132-П29 | Шайба 4 | |
| 29 | 3102-7909034 | Зажим | |
| 30 | Хг2.576000 | Резистор переменный (3102-7901031) | |
| 31 | 224598-П29 | Винт М5-6gх12 ОСТ 37.001.130-81 | |
| 32 | 3102-7901112 | Пластина крепления магнитолы |
Содержащиеся в справочниках-каталогах запасные части и детали не предлагаются к продаже, а носят исключительно информационный характер