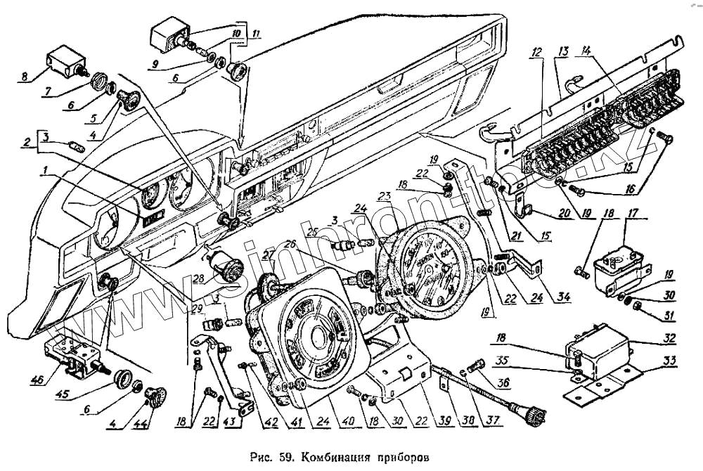
Каталог запасных частей к технике: ГАЗ-3102. Комбинация приборов
1
2
3
3
3
3
4
4
5
6
6
6
7
8
9
10
11
12
13
14
15
15
16
17
18
18
18
18
18
19
19
19
19
20
21
22
22
22
22
23
24
24
24
25
25
26
27
28
29
30
30
31
32
33
34
35
36
37
38
39
40
41
42
43
44
45
46
| Позиция на иллюстрации | Заводской номер детали | Название детали | |
|---|---|---|---|
| 258227-П | 258227-П | Шплинт 0,8х225 | |
| 1 | 17.3803010 | Табло контрольных ламп | |
| 2 | АЧЖ-3 | Часы автомобильные (4Ю28 17003ГЧ) | |
| 3 | 14-3713033 | Лампа (АМН12-3) | |
| 3 | 14-3713033 | Лампа (АМН12-3) | |
| 4 | 290115-П29 | Винт М3х4 ГОСТ 1477-84 | |
| 4 | 290115-П29 | Винт М3х4 ГОСТ 1477-84 | |
| 5 | 3102-8126072-01 | Ручка | |
| 6 | 53А-3726206 | Гайка М12 | |
| 7 | 14-8126074 | Облицовка ручки | |
| 8 | 14-8126110 | Переключатель П316 | |
| 9 | 252177-П29 | Шайба 2-12 ОСТ 37.001.145-75 | |
| 10 | А12-08-1 | Лампа | |
| 11 | 53-70-3726200 | Выключатель аварийной сигнализации ВК422-12-Э | |
| 12 | 14-3722227 | Блок предохранителя для десяти плавких вставок ПР112 | |
| 13 | 3102-3722240 | Кронштейн | |
| 14 | 3102-3722228 | Блок предохранителя для шести плавких вставок ПР120 | |
| 15 | 252153-П29 | Шайба 5 | |
| 16 | 224601-П29 | Винт М5-6gх18 | |
| 17 | 3102-3743030 | Реле включения противотуманных фар РС527 | |
| 18 | 224597-П29 | Винт М5-6gх10 ОСТ 37.001.130-81 | |
| 19 | 252003-П29 | Шайба 5 ОСТ 37.001.144-96 | |
| 20 | 51-3724093 | Скоба крепления пучка проводов | |
| 21 | 224598-П29 | Винт М5-6gх12 ОСТ 37.001.130-81 | |
| 22 | 252133-П29 | Шайба 5 | |
| 23 | 14-3802010 | Спидометр СП138Б-Э | |
| 24 | 14-3801076 | Гайка М5 | |
| 25 | ЛВ211-329 | Патрон (ЛВ211-3714329) со штекером | |
| 25 | ЛВ211-329 | Патрон (ЛВ211-3714329) со штекером | |
| 26 | 24-3802020-01 | Вал гибкий спидометра ГВ20Д1-Э | |
| 27 | 20-1104091 | Втулка уплотнительная | |
| 28 | 3102-3756054 | Выключатель 2802.3710 | |
| 29 | КП 193-100 | Патрон ламп | |
| 30 | 252268-П29 | Шайба 5 | |
| 31 | 250464-П29 | Гайка М5-6Н ОСТ 37.001.124-93 | |
| 32 | 14-3711360 | Реле переключения фар РС711 | |
| 33 | 3102-3711364 | Кронштейн крепления реле фар в сборе | |
| 34 | 3102-3802038 | Кронштейн правый в сборе | |
| 35 | 252233-П29 | Шайба 2-5 ОСТ 37.001.146-75 | |
| 36 | 201454-П29 | Болт М8-6gх16 ОСТ 37.001.123-96 | |
| 37 | 252155-П29 | Шайба пружинная 8 | |
| 38 | 297480-П29 | Скоба крепления трубки | |
| 39 | 3102-3802039 | Кронштейн левый в сборе | |
| 40 | 14-3801010 | Комбинация приборов КП125-Э | |
| 41 | А12-1,2 | Лампа | |
| 42 | 15-3801300 | Патрон ламп | |
| 43 | 3102-3801039 | Кронштейн левый в сборе | |
| 44 | 3102-3709051 | Ручка переключателя освещения в сборе | |
| 45 | 14-3726208 | Облицовка ручки выключателя аварийной сигнализации | |
| 46 | 41.3709.000 | Переключатель центральный |
Содержащиеся в справочниках-каталогах запасные части и детали не предлагаются к продаже, а носят исключительно информационный характер