Каталог запасных частей к технике: ГАЗ-12 (ЗИМ). Сцепление
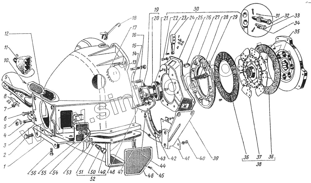
1
2
3
4
5
6
7
8
9
10
11
12
13
14
15
16
17
18
19
20
21
22
23
24
25
26
27
28
29
30
31
32
33
34
35
36
36
37
38
39
40
41
42
43
44
45
46
47
48
49
50
51
52
53
54
55
56
| Позиция на иллюстрации | Заводской номер детали | Название детали | |
|---|---|---|---|
| 250507-П8 | 250507-П8 | Гайка М12х1,25 | |
| 250513-П8 | 250513-П8 | Гайка М10х1-6Н | |
| 258023-П | 258023-П | Шплинт 2,5х12 | |
| 252135 -П2 | 252135 -П2 | Шайба диаметром 8 мм пружинная | |
| 252135-П2 | 252135-П2 | Шайба 8Т ОСТ 37.001.115-75 | |
| 252235-П2 | 252235-П2 | Шайба 8 | |
| 252154-П2 | 252154-П2 | Шайба 6Л ОСТ 37.001.115-75 | |
| 252154-П2 | 252154-П2 | Шайба 6Л ОСТ 37.001.115-75 | |
| 252000-П | 252000-П | Шайба диам 3 плоская | |
| 252156-П2 | 252156-П2 | Шайба 10Л ОСТ 37.001.115-75 | |
| 252136 П2 | 252136 П2 | Шайба диаметром 10 мм пружинная | |
| 293908-П | 293908-П | Заклепка 4х6 | |
| 256316-П8 | 256316-П8 | Заклепка 3х12 крепления уплотнителя нижней части картера сцепления | |
| 255063-П8 | 255063-П8 | Заклепка 4х8 | |
| 253875-П | 253875-П | Заклепка 5х5 | |
| 250507-П8 | 250507-П8 | Гайка М12х1,25 | |
| 252157-П2 | 252157-П2 | Шайба 12Л ОСТ 37.001.115-75 | |
| 1 | 12-1601018 | Картер сцепления, нижняя часть | |
| 2 | 201567-П8 | Болт 1М12х1,25х40 крепления картера коробки передач к нижнему картеру сцепления | |
| 3 | 12-1601015 | Картер сцепления, верхняя часть | |
| 4 | 291847-П8 | Шпилька М12х1,25х32 | |
| 5 | 252237-П8 | Шайба 12 зубчатая | |
| 6 | 201521-П8 | Болт М10х1-6gх32 | |
| 7 | 11 -7576 | Опора | |
| 8 | 11-7516 | Пластина удерживающая вилки подшипника выключения сцепления | |
| 9 | 11-7514 | Вилка подшипника выключения сцепления в сборе | |
| 10 | 292374-П | Штифт крепления сетки вентиляционного окна картера сцепления | |
| 11 | 11-7522 | Чехол вилки подшипника выключения сцепления | |
| 12 | 12-1601025 | Сетка вентиляционного окна картера сцепления в сборе | |
| 13 | 201285-П8 | Болт М10-4hх32 | |
| 14 | 291797-П8 | Шпилька М10х1-4hх30 | |
| 15 | 51-1601190 | Скоба оттяжной пружины муфты подшипника выключения сцепления | |
| 16 | 11-7562 | Пружина оттяжная муфты подшипника выключения сцепления | |
| 17 | 12-1601030 | Заглушка отверстия картера сцепления в сборе | |
| 18 | 51-1601034-А | Крышка люка установки зажигания в сборе | |
| 19 | 11-7561-А | Муфта подшипника выключения сцепления | |
| 20 | 20-1601072 | Подшипник выключения сцепления (ГПЗ-688911) | |
| 21 | 290634-П2 | Болт М8х1х14 | |
| 22 | 290654-П8 | Болт М8-6gх22 | |
| 23 | 11 -7575 | Винт оттяжного рычага регулировочный | |
| 24 | 51-1601095 | Рычаг оттяжной нажимного диска сцепления | |
| 25 | 11-7570 | Кожух сцепления | |
| 26 | 11 -7582 | Вилка оттяжного рычага нажимного диска сцепления опорная | |
| 27 | 51-1601093 | Диск сцепления нажимной | |
| 28 | 51-7572 | Пружина нажимного диска сцепления | |
| 29 | 11-7567 | Шайба изолирующая нажимной пружины диска | |
| 30 | 12-1601090-Б | Диск сцепления нажимной с кожухом в сборе | |
| 31 | 11-7569 | Игла 1,6х9 подшипника | |
| 32 | 11-7565 | Палец игольчатого подшипника оттяжного рычага | |
| 33 | 11-7586 | Палец опорной вилки оттяжного рычага нажимного диска сцепления | |
| 34 | 11-7583 | Ролик 5,5х9 опорной вилки оттяжного рычага нажимного диска сцепления | |
| 35 | 12-1601091-Б | Диск сцепления ведущий | |
| 36 | 51-1601138-Б | Кольцо фрикционное диска сцепления | |
| 37 | 51-1601135 | Пластина пружинная крепления фрикционных колец к диску сцепления | |
| 38 | 12-1601130-Б | Диск сцепления ведомый в сборе | |
| 39 | 12-1601265 | Усилитель крепления картера сцепления левый | |
| 40 | 201454-П8 | Болт М8-6gх16 | |
| 41 | 12-1601017 | Пластина картера сцепления в сборе | |
| 42 | 11-7608 | Уплотнитель нижней части картера сцепления | |
| 43 | 201418-П8 | Болт М6-6gх16 | |
| 44 | 11-7557-А2 | Гибкий шланг смазки подшипников | |
| 45 | 292374-П | Штифт крепления сетки вентиляционного окна картера сцепления | |
| 46 | 12-1601045 | Сетка вентиляционного окна нижнего картера сцепления в сборе | |
| 47 | 200262-П8 | Болт М8х32 крепления ролика | |
| 48 | 216281-П8 | Шпилька М12х1,25х32 | |
| 49 | М-7559 | Крышка масленки | |
| 50 | М-7553 | Пружина стопорная крышки масленки подшипника выключения сцепления | |
| 51 | 252176-П8 | Шайба 10 пружинная | |
| 52 | 51-160125 | Масленка подшипника выключения сцепления в сборе | |
| 53 | 11-7546 | Кронштейн масленки | |
| 54 | 201416-П8 | Болт М6-6gх12 | |
| 55 | 11-7577 | Сетка бокового люка картера сцепления в сборе | |
| 56 | 201458-П8 | Болт М8х1,25х25 |
Содержащиеся в справочниках-каталогах запасные части и детали не предлагаются к продаже, а носят исключительно информационный характер