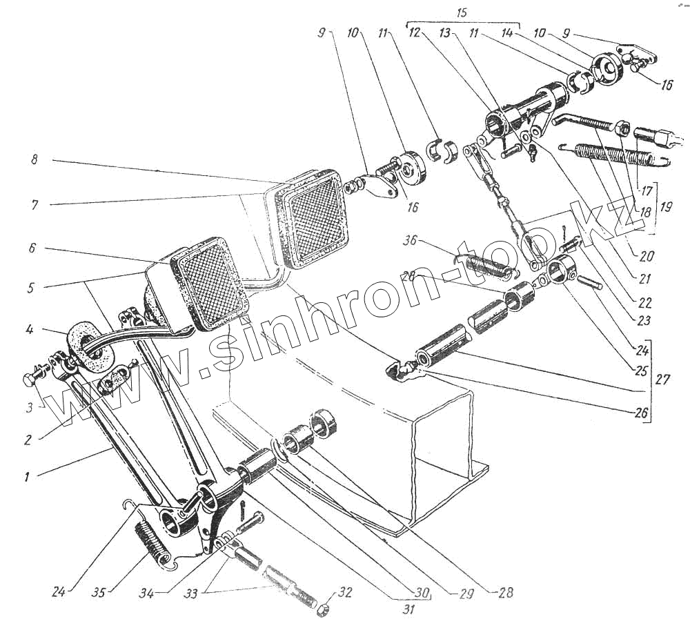
Каталог запасных частей к технике: ГАЗ-12 (ЗИМ). Привод выключения сцепления ножного тормоза
1
2
3
4
5
6
7
8
9
9
10
10
11
11
12
13
14
15
16
16
17
18
19
20
21
22
23
24
24
25
26
27
28
28
29
30
31
32
33
34
35
36
| Позиция на иллюстрации | Заводской номер детали | Название детали | |
|---|---|---|---|
| 51-1602070 | 51-1602070 | Буфер педали | |
| 201499-П8 | 201499-П8 | Болт М10-6gх30 | |
| 258038-П | 258038-П | Шплинт 2,7х15 | |
| 258024-П | 258024-П | Шплинт 2,5х16 | |
| 258039-П | 258039-П | Шплинт 3,2х20 ОСТ 37.001.171-93 | |
| 252135-П2 | 252135-П2 | Шайба 8Т ОСТ 37.001.115-75 | |
| 252005-П2 | 252005-П2 | Шайба 8 | |
| 252136-П2 | 252136-П2 | Шайба 10 ОТ ОСТ 37.001.115-75 | |
| М-2457 | М-2457 | Муфта защитная педали сцепления | |
| 255120-П8 | 255120-П8 | Заклепка 5х9 трубчатая | |
| 255120-П8 | 255120-П8 | Заклепка 5х9 трубчатая | |
| 250510-П8 | 250510-П8 | Гайка М8х1,25 | |
| 252136-П2 | 252136-П2 | Шайба 10 ОТ ОСТ 37.001.115-75 | |
| 1 | 12-1602015 | Педаль сцепления | |
| 2 | 51-1602070 | Буфер педали | |
| 3 | 201499-П8 | Болт М10-6gх30 | |
| 4 | М-2457 | Муфта защитная педали сцепления | |
| 5 | 12-1602040 | Площадка педали сцепления со стержнем в сборе | |
| 6 | 11-2454 | Накладка площадки педали | |
| 7 | 12-3504040-Б | Площадка педали тормоза со стержнем в сборе | |
| 8 | 12-3504048 | Накладка площадки педали тормоза | |
| 9 | 20-1602085 | Кронштейн валика выключения сцепления | |
| 10 | 20-1602037-Б | Манжета защитная валика выключения сцепления | |
| 11 | 11-7533 | Сухарь опор валика выключения сцепления | |
| 12 | 12-1602032-Б | Валик выключения сцепления | |
| 13 | 264020-П8 | Пресс-масленка К 1/8" | |
| 14 | 11-7544 | Кольцо стопорное | |
| 15 | 12-1602028-Б | Валик выключения сцепления в сборе | |
| 16 | 201456-П8 | Болт М8х1,25х20 | |
| 16 | 201456-П8 | Болт М8х1,25х20 | |
| 17 | 11 -7532 | Наконечник толкателя вилки выключения сцепления | |
| 18 | 250613-П8 | Гайка М10х1 | |
| 19 | 11-7530 | Толкатель вилки выключения сцепления в сборе | |
| 20 | 11-7547 | Пружина оттяжная | |
| 21 | 293304-П8 | Шайба 10 плоская | |
| 22 | 12-1602110-Б | Тяга выключения сцепления в сборе | |
| 23 | 260034-П8 | Палец 8х25 | |
| 24 | 258978-П8 | Штифт 8х40 конический | |
| 24 | 258978-П8 | Штифт 8х40 конический | |
| 25 | 12-1602105 | Рычаг выключения сцепления | |
| 26 | 264035-П8 | Пресс-масленка К1/8" | |
| 27 | 12-1602052 | Валик педалей сцепления и тормоза в сборе | |
| 28 | А-7508-В | Втулка кронштейна педалей | |
| 29 | А-7512 | Шайба распорная педалей | |
| 30 | М-7526 | Втулка педали тормоза | |
| 31 | 12-3504010-Б | Педаль тормоза со втулкой в сборе | |
| 32 | 250615- П8 | Контргайка 1М12х1,25 соединительного стержня | |
| 33 | 12-3504035 | Стержень педали с главным цилиндром тормоза соединительный в сборе | |
| 34 | 260057-П8 | Палец 10х28 | |
| 35 | М-7523-А | Пружина | |
| 36 | М-7523-А | Пружина |
Содержащиеся в справочниках-каталогах запасные части и детали не предлагаются к продаже, а носят исключительно информационный характер