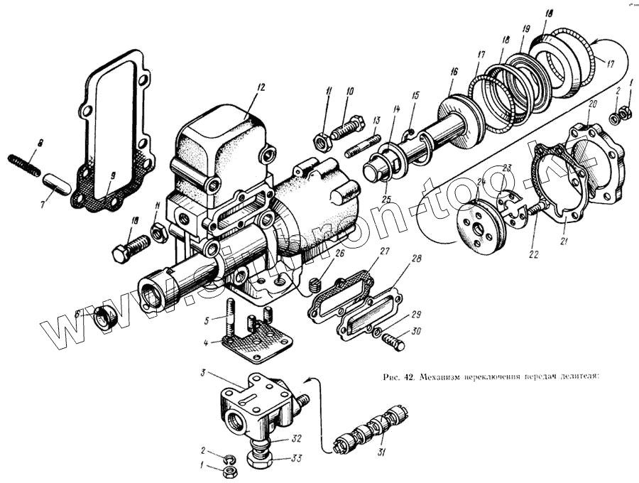
Каталог запасных частей к технике: ЗИЛ-133ГЯ. Механизм переключения передач делителя
1
1
2
2
3
4
5
6
7
8
9
10
10
11
11
12
13
14
15
16
17
17
18
18
19
20
21
22
23
24
25
26
27
28
29
30
31
32
33
| Позиция на иллюстрации | Заводской номер детали | Название детали | |
|---|---|---|---|
| 15.1771042 | 15.1771042 | Дроссель | |
| 1/59713/21 | 1/59713/21 | Болт крепления корпуса | |
| 1/35166/21 | 1/35166/21 | Шпилька | |
| 1/05168/73 | 1/05168/73 | Шайба пружинная | |
| 1/26386/01 | 1/26386/01 | Шайба плоская | |
| 870701-П29 | 870701-П29 | Шплинт-проволока | |
| 15.1771050 | 15.1771050 | Поршень цилиндра механизма переключения с манжетой в сборе | |
| 33.1110117 | 33.1110117 | Пломба | |
| 15.1771010-10 | 15.1771010-10 | Механизм переключения делителя передач в сборе | |
| 15.1771020 | 15.1771020 | Корпус механизма переключения делителя передач в сборе | |
| 1 | 1/61008/11 | Гайка | |
| 2 | 1/05166/73 | Шайба пружинная | |
| 3 | 15.1772144-10 | Корпус крана | |
| 4 | 15.1772026 | Прокладка корпуса крана | |
| 5 | 1/35439/21 | Шпилька | |
| 6 | 1/43289/40 | Заглушка чашечная | |
| 7 | 15.1771062 | Фиксатор штока поршня | |
| 8 | 15.1771064 | Пружина фиксатора штока поршня | |
| 9 | 15.1771026 | Прокладка корпуса | |
| 10 | 870013-П29 | Болт упорный рычага | |
| 11 | 1/07913/11 | Гайка низкая | |
| 12 | 15.1771024 | Корпус механизма переключения делителя передач | |
| 13 | 1/35433/21 | Шпилька | |
| 14 | 870634-П29 | Шайба проставочная | |
| 15 | 15.1771032 | Кольцо запорное | |
| 16 | 15.1771054 | Поршень цилиндра со штоком | |
| 17 | 15.1771057 | Пружина манжеты поршня цилиндра | |
| 18 | 15.1771056 | Манжета поршня цилиндра | |
| 19 | 15.1771059 | Кольцо проставочное поршня цилиндра | |
| 20 | 15.1771074 | Крышка цилиндра | |
| 21 | 15.1771076 | Прокладка крышки цилиндра | |
| 22 | 1/09020/21 | Болт | |
| 23 | 15.1771067 | Пластина стопорная болтов | |
| 24 | 15.1771066 | Кольцо упорное поршня | |
| 25 | 14.1702232 | Кольцо уплотнительное штока поршня | |
| 26 | 262532-П29 | Пробка КГ 1/4" | |
| 27 | 15.1771036 | Прокладка крышки смотрового люка | |
| 28 | 15.1771034 | Крышка смотрового люка корпуса | |
| 29 | 1/05164/73 | Шайба пружинная | |
| 30 | 1/09020/21 | Болт | |
| 31 | 15.1772166 | Гнездо золотника | |
| 32 | 1/02800/60 | Шайба уплотнительная | |
| 33 | 33.1110036 | Ввертыш |
Содержащиеся в справочниках-каталогах запасные части и детали не предлагаются к продаже, а носят исключительно информационный характер