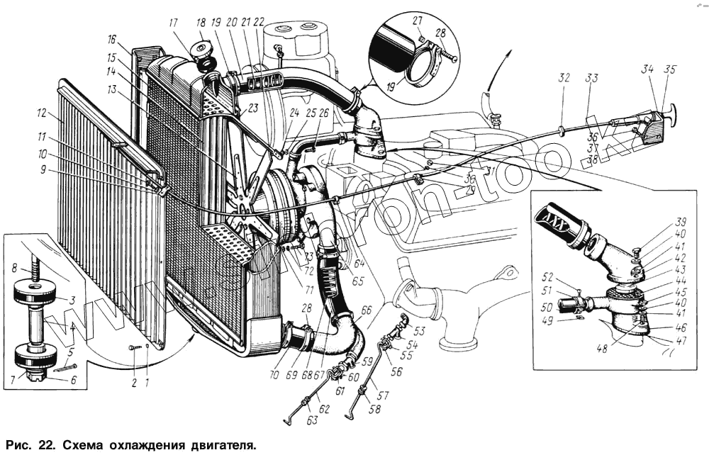
Каталог запасных частей к технике: ЗИЛ-131. Схема охлаждения двигателя
1
2
3
4
5
6
7
8
9
10
11
12
13
14
15
16
16
17
18
19
19
20
21
22
23
24
25
26
27
27
28
28
28
29
30
31
32
33
34
35
36
37
38
39
40
40
41
41
42
43
44
45
46
47
48
49
50
51
52
53
54
55
56
57
58
59
60
61
62
63
64
65
66
67
68
69
69
70
71
72
73
| Позиция на иллюстрации | Заводской номер детали | Название детали | |
|---|---|---|---|
| 130-1307010-Б4 | 130-1307010-Б4 | Насос водяной в сборе | |
| 1 | 252155-П2 | Шайба пружинная | |
| 2 | 201454-П8 | Болт | |
| 3 | 121-1801028 | Подушка подвески радиатора в сборе | |
| 4 | 121-1801040 | Втулка распорная | |
| 5 | 258054-П8 | Шплинт | |
| 6 | 250871-П8 | Гайка | |
| 7 | 252017-П8 | Шайба | |
| 8 | 301361-П8 | Болт | |
| 9 | 130-1310346 | Зажим оболочки тяги конечный | |
| 10 | 252154-П2 | Шайба пружинная | |
| 11 | 201418-П8 | Болт | |
| 12 | 130-1310110 | Жалюзи радиатора в сборе | |
| 13 | 130-1308010-06 | Вентилятор системы охлаждения в сборе | |
| 14 | 130-1301035 | Трубка радиатора охлаждающая | |
| 15 | 131-1301010-Б2 | Радиатор в сборе | |
| 15 | 131-1301007-Б2 | Радиатор в сборе | |
| 16 | 130Т-1302010-А | Рамка подвески радиатора с усилителем и болтом крепления в сборе (устанавливается по требованию заказчика) | |
| 16 | 130-1302010-А2 | Рамка подвески радиатора с усилителем и болтом крепления в сборе | |
| 17 | 120-1304022-Б | Прокладка пробки радиатора | |
| 18 | 130-1304010 | Пробка радиатора в сборе | |
| 19 | 306700-П | Хомут в сборе | |
| 20 | 130-1303010-Б2 | Шланг радиатора отводящий для автомобилей с байпасом | |
| 21 | 130-1303095-Б | Пружина распорная отводящего шланга | |
| 22 | 130-1302029 | Поперечина рамки подвески радиатора | |
| 23 | 130-1309010 | Кожух вентилятора в сборе | |
| 24 | 252005-П8 | Шайба | |
| 25 | 252155-П2 | Шайба пружинная | |
| 26 | 201454-П8 | Болт | |
| 27 | 251084-П8 | Гайка | |
| 27 | 251084-П8 | Гайка | |
| 28 | 302052-П8 | Винт | |
| 28 | 302052-П8 | Винт | |
| 29 | 130-1310453-Б | Скоба прижима оболочки задняя | |
| 30 | 252005-П8 | Шайба | |
| 31 | 250510-П8 | Гайка | |
| 32 | 130-1310477 | Втулка оболочки тяги жалюзи радиатора | |
| 33 | 130-1310210 | Тяга управления жалюзи с кронштейном в сборе | |
| 34 | 252178-П8 | Шайба | |
| 35 | 250634-П8 | Гайка | |
| 36 | 201454-П8 | Болт | |
| 37 | 252155-П2 | Шайба пружинная | |
| 38 | 130-1310230-А | Кронштейн крепления привода жалюзи | |
| 39 | 201501-П8 | Болт | |
| 40 | 252156-П2 | Шайба пружинная | |
| 41 | 305753-П8 | Шайба упорная | |
| 41 | 305753-П8 | Шайба упорная | |
| 42 | 130-1303014-Б2 | Патрубок выпускной водяной рубашки верхний | |
| 43 | 130-1306010-А | Термостат типа ТС101 в сборе | |
| 44 | 130-1303143 | Прокладка верхнего патрубка | |
| 45 | 250513-П8 | Гайка | |
| 46 | 130-1303051 | Патрубок выпускной водяной рубашки нижний | |
| 47 | 120-1303017 | Прокладка патрубка | |
| 48 | 307156-П8 | Шпилька | |
| 49 | 251084-П8 | Гайка | |
| 50 | 130-1303030 | Шланг байпаса соединительный | |
| 51 | 288011-П8 | Хомут | |
| 52 | 220086-П8 | Винт | |
| 53 | 300351-П | Угольник | |
| 54 | 130-1305010-Е | Кран системы охлаждения сливной в сборе | |
| 55 | 258053-П | Шплинт (устанавливается на автомобили без подогревателя) | |
| 56 | 130-1305065-В | Вилка сливного крана | |
| 57 | 130-1305046-Б | Ручка управления краном | |
| 58 | 130-1305053 | Втулка стержня привода управления краном | |
| 59 | 130-1015370-Б | Кран сливной в сборе | |
| 60 | 258053-П8 | Шплинт | |
| 61 | 130-1305065-В | Вилка сливного крана | |
| 62 | 130-1305069-Г | Стержень привода управления краном | |
| 63 | 130-1305053 | Втулка стержня привода управления краном | |
| 64 | 130-1310455 | Скоба прижима оболочки передняя | |
| 65 | 130-1307009-Б3 | Насос водяной со шкивом в сборе (комплект) | |
| 66 | 130-1303028-Б | Колено отводящего патрубка радиатора | |
| 67 | 130-1303025-Б2 | Шланг радиатора подводящий для автомобилей с байпасом | |
| 68 | 130-1303117-Б | Пружина распорная подводящего шланга | |
| 69 | 308344-П | Хомут | |
| 69 | 308736-П | Хомут | |
| 70 | 130-1303026 | Шланг от радиатора к коллектору подводного патрубка | |
| 71 | 252005-П8 | Шайба | |
| 72 | 252155-П2 | Шайба пружинная | |
| 73 | 201456-П8 | Болт |
Содержащиеся в справочниках-каталогах запасные части и детали не предлагаются к продаже, а носят исключительно информационный характер