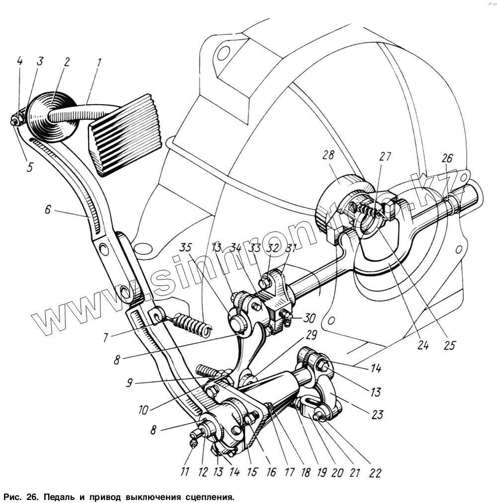
Каталог запасных частей к технике: ЗИЛ-131. Педаль и привод выключения сцепления
1
2
3
4
5
6
7
8
8
9
10
11
12
13
13
13
14
14
15
16
17
18
19
20
21
22
23
24
25
26
27
28
29
30
31
32
33
34
35
| Позиция на иллюстрации | Заводской номер детали | Название детали | |
|---|---|---|---|
| 120-1602051 | 120-1602051 | Втулка вилки | |
| 1 | 130-1602018 | Верхняя часть педали сцепления | |
| 2 | 130-1602036-А | Уплотнитель педали сцепления | |
| 3 | 252137-П2 | Шайба пружинная | |
| 4 | 250514-П8 | Гайка | |
| 5 | 200369-П8 | Болт | |
| 6 | 130-1602019-А2 | Нижняя часть педали сцепления | |
| 7 | 120-1602034-В | Пружина оттяжная педали сцепления и тормоза | |
| 8 | 418256-П | Шпонка сегментная | |
| 9 | 250515-П8 | Гайка | |
| 10 | 120-3507046 | Гайка тяги сферическая | |
| 11 | 304817-П | Масленка в сборе | |
| 12 | 130-1602055 | Вал педали сцепления | |
| 13 | 200315-П8 | Болт | |
| 14 | 252136-П2 | Шайба пружинная | |
| 15 | 130-1602063 | Кронштейн вала педали сцепления с втулками в сборе | |
| 16 | 201542-П8 | Болт | |
| 17 | 252137-П2 | Шайба пружинная | |
| 18 | 250514-П8 | Гайка | |
| 19 | 130-1602037 | Пружина тяги | |
| 20 | 136И-1602026 | Тяга выключения сцепления в сборе | |
| 20 | 130-1602026 | Тяга выключения сцепления в сборе | |
| 21 | 260087-П8 | Палец | |
| 22 | 258053-П8 | Шплинт | |
| 23 | 133-1602104 | Рычаг вала педали сцепления в сборе | |
| 23 | 130-1602104 | Рычаг вала педали сцепления в сборе | |
| 24 | 131-1602046 | Вилка выключения сцепления | |
| 24 | 120-1602046 | Вилка выключения сцепления | |
| 25 | 130-1602054 | Муфта подшипника выключения сцепления | |
| 26 | 131-1602165 | Кольцо уплотнительное вала вилки включения сцепления | |
| 27 | 130-1602077 | Пружина оттяжная муфты подшипника выключения сцепления | |
| 28 | 306559-П | Подшипник | |
| 29 | 305614-П | Шайба | |
| 30 | 304817-П | Масленка в сборе | |
| 31 | 131-1602169 | Прокладка фланца вилки | |
| 32 | 252136-П2 | Шайба пружинная | |
| 33 | 201499-П8 | Болт | |
| 34 | 130-1602126 | Фланец вилки с втулкой в сборе | |
| 35 | 130-1602045 | Рычаг вилки выключения сцепления | |
| 35 | 133-1602045 | Рычаг вилки выключения сцепления |
Содержащиеся в справочниках-каталогах запасные части и детали не предлагаются к продаже, а носят исключительно информационный характер