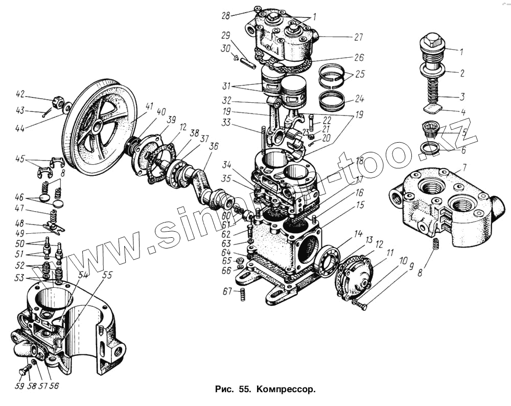
Каталог запасных частей к технике: ЗИЛ-131. Компрессор
1
1
2
3
4
5
6
7
8
9
10
11
12
12
13
14
15
16
17
18
19
19
20
21
22
23
24
25
26
27
28
29
30
31
32
33
34
35
36
37
38
39
40
41
42
43
44
45
46
47
48
49
50
51
52
53
54
55
56
57
58
59
60
61
62
63
64
65
66
67
| Позиция на иллюстрации | Заводской номер детали | Название детали | |
|---|---|---|---|
| 130-3509169-А2 | 130-3509169-А2 | Палец поршневой со стопорами (комплект) | |
| 130-3509167 | 130-3509167 | Комплект поршневых колец на один компрессор номинального размера | |
| 130-3509167-Р1 | 130-3509167-Р1 | Комплект поршневых колец увеличенных по диаметру на 0,4 мм | |
| 130-3509167-Р2 | 130-3509167-Р2 | Комплект поршневых колец увеличенных по диаметру на 0,8 мм | |
| 130-3509107 | 130-3509107 | Вал коленчатый с комплектом шатунных вкладышей | |
| 1 | 120-3509044 | Пробка нагнетательного клапана | |
| 2 | 120-3509045 | Прокладка пробки | |
| 3 | 120-3509048 | Пружина нагнетательного клапана | |
| 4 | 130-3509050 | Клапан нагнетательный | |
| 5 | 130-3509051-А | Седло нагнетательного клапана | |
| 6 | 130-3509055 | Прокладка седла нагнетательного клапана | |
| 7 | 130-3509040 | Головка компрессора | |
| 8 | 130-3509328 | Пружина впускного клапана | |
| 9 | 201458-П8 | Болт | |
| 10 | 252135-П2 | Шайба пружинная | |
| 11 | 130-3509090-Б | Крышка картера компрессора задняя | |
| 12 | 120-3509063 | Прокладка передней и задней крышек картера компрессора | |
| 13 | 133-3509098-02 | Крышка картера компрессора нижняя в сборе | |
| 14 | 120-3509113 | Подшипник компрессора 207К5 | |
| 15 | 130-3509018-Б | Картер компрессора в сборе | |
| 16 | 304020-П | Шпилька | |
| 17 | 130-3509038 | Прокладка блока цилиндров компрессора | |
| 18 | 130-3509028 | Блок цилиндров компрессора в сборе | |
| 19 | 130-3509180-А | Шатун компрессора с крышкой в сборе | |
| 20 | 258013-П | Шплинт | |
| 21 | 303032-П | Гайка | |
| 22 | 120-3509200 | Болт крышки шатуна | |
| 23 | 130-3509092 | Вкладыш шатуна компрессора | |
| 23 | 130-3509092-Р1 | Вкладыш шатуна уменьшенный по диаметру на 0,3 мм | |
| 23 | 130-3509092-Р2 | Вкладыш шатуна уменьшенный по диаметру на 0,6 мм | |
| 24 | 130-3509166-Р2 | Кольцо маслосъемное увеличенное на 0,8 мм по диаметру | |
| 24 | 130-3509166-Р1 | Кольцо поршня маслосъемное увеличенное на 0,4 мм по диаметру | |
| 24 | 130-3509166 | Кольцо поршня маслосъемное | |
| 25 | 130-3509164-Р2 | Кольцо поршня компрессионное увеличенное на 0,8 мм по диаметру | |
| 25 | 130-3509164-Р1 | Кольцо поршня компрессионное увеличенное на 0,4 мм по диаметру | |
| 25 | 130-3509164 | Кольцо поршня компрессионное | |
| 26 | 130-3509043-А | Прокладка головки блока цилиндров компрессора 0,8 мм | |
| 27 | 130-3509039 | Головка компрессора в сборе | |
| 28 | 250511-П8 | Гайка | |
| 29 | 130-3509170 | Палец поршневой | |
| 30 | 130-3509172 | Кольцо пальца стопорное | |
| 31 | 130-3509160-А2-Р1 | Поршень увеличенный на 0,4 мм по диаметру | |
| 31 | 130-3509160-А2-Р2 | Поршень увеличенный по диаметру на 0,8 мм | |
| 31 | 130-3509160-А2 | Поршень компрессора | |
| 32 | 130-3509194 | Втулка верхней головки шатуна компрессора | |
| 33 | 308612-П8 | Шпилька | |
| 34 | 303112-П8 | Гайка | |
| 35 | 252136-П2 | Шайба пружинная | |
| 36 | 130-3509110-А | Вал коленчатый | |
| 37 | 120-3509113 | Подшипник компрессора 207К5 | |
| 38 | 418251-П | Шпонка сегментная | |
| 39 | 130-3509060-А | Крышка передняя | |
| 40 | 120-3509070-А2 | Манжета передней крышки картера в сборе | |
| 41 | 120-3509130 | Шкив компрессора | |
| 42 | 250978-П8 | Гайка | |
| 43 | 258040-П8 | Шплинт | |
| 44 | 252016-П8 | Шайба | |
| 45 | 130-3509363 | Направляющая впускного клапана | |
| 46 | 130-3509056 | Клапан впускной | |
| 47 | 130-3509342 | Пружина коромысла впускных клапанов | |
| 48 | 130-3509355 | Направляющая пружины | |
| 49 | 130-3509337-Б2 | Коромысло впускных клапанов | |
| 50 | 130-3509344-Б | Шток впускного клапана | |
| 51 | 130-3509099-Б | Гнездо штока впускного клапана | |
| 52 | 130-3509065-В2 | Плунжер впускного клапана | |
| 53 | 130-3509067-А | Кольцо уплотнительное плунжера впускного клапана | |
| 54 | 130-3509069 | Седло впускного клапана | |
| 55 | 130-3509068-Б | Втулка плунжера компрессора | |
| 56 | 130-3509240 | Прокладка патрубка подвода воздуха | |
| 57 | 252135-П2 | Шайба пружинная | |
| 58 | 130-3509275-Б | Патрубок компрессора впускной | |
| 59 | 201456-П8 | Болт | |
| 60 | 120-3509093 | Пружина уплотнителя задней крышки | |
| 61 | 120-3509094 | Уплотнитель задней крышки компрессора | |
| 62 | 201499-П8 | Болт | |
| 63 | 252136-П2 | Шайба пружинная | |
| 64 | 130-3509103-Б | Прокладка нижней крышки картера компрессора | |
| 65 | 250515-П8 | Гайка | |
| 66 | 252007-П8 | Шайба регулировочная | |
| 67 | 308614-П8 | Шпилька |
Содержащиеся в справочниках-каталогах запасные части и детали не предлагаются к продаже, а носят исключительно информационный характер