Каталог запасных частей к технике: УралАЗ УРАЛ-532301. Лебедка с тросоукладчиком в сборе
1
2
3
4
5
5
5
6
6
7
8
9
10
11
12
13
14
15
16
17
18
19
20
21
22
23
24
25
26
27
28
29
29
30
31
32
33
34
35
36
37
38
39
40
41
42
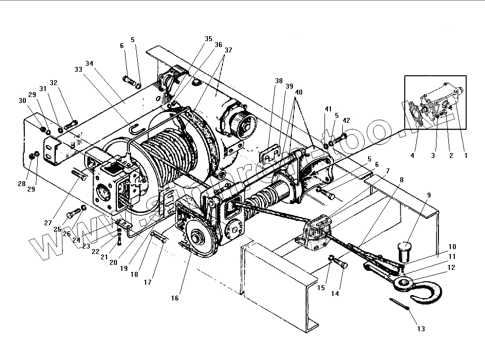
| Позиция на иллюстрации | Заводской номер детали | Название детали | |
|---|---|---|---|
| 1 | 4322-3721050 | Сигнализатор | |
| 2 | 201454-П29 | Болт М8-6gх16 | |
| 3 | 252155-П2 | Шайба 8 пружинная | |
| 4 | 4322-3721065 | Прокладка | |
| 5 | 252142-П2 | Шайба 22.ОТ | |
| 6 | 332760-П29 | Болт М22х45 | |
| 7 | 5323-4501244 | Кронштейн с роликами | |
| 8 | 375-4504015 | Трос 17,5-Н-190-1 длиной 70,5м | |
| 9 | 375-4504023 | Валик | |
| 10 | 375-4504021 | Клин коуша | |
| 11 | 375-4504020 | Коуш троса | |
| 12 | 375-4504035 | Крюк лебедки | |
| 13 | 258069 | Шплинт 5х36 | |
| 14 | 202125-П29 | Болт М16х60 | |
| 15 | 252159-П2 | Шайба 16Л | |
| 16 | 375-4511052 | Цепь приводная роликовая однорядная нормальная 12х19,05 в сборе | |
| 17 | 330009-П29 | Болт М14х1,5х39 | |
| 18 | 252138-П2 | Шайба 14 пружинная | |
| 19 | 375-4511074-А | Прокладка регулировочная левая толщ. 4 мм | |
| 20 | 375-4511073-01 | Прокладка регулировочная левая толщиной 0,5 мм | |
| 21 | 201496-П29 | Болт М10-6gх22 | |
| 22 | 252136-П2 | Шайба 10 пружинная | |
| 23 | 252006-П29 | Шайба 10 | |
| 24 | 375-4504005 | Отбойник троса в сборе | |
| 25 | 202220-П29 | Болт М20-6gх45 | |
| 26 | 252141-П2 | Шайба 20.ОТ | |
| 27 | 202172-П29 | Болт М18-6gх55 | |
| 28 | 250563-П29 | Гайка М18х1,5-6Н | |
| 29 | 252140-П2 | Шайба 18.ОТ | |
| 30 | 250562-П29 | Гайка М18-6Н | |
| 31 | 336024-П29 | Шайба 19 | |
| 32 | 202195-П29 | Болт М18х1,5-6gх45 | |
| 33 | 375-4501138-01 | Скоба крепления троса | |
| 34 | 4322-4501215 | Поперечина подвески лебедки | |
| 35 | 252137-П2 | Шайба 12 пружинная | |
| 36 | 250514-П29 | Гайка М12-6Н | |
| 37 | 4322-4501005 | Лебедка с редуктором в сборе | |
| 38 | 375-4511079-01 | Прокладка регулировочная правая толщиной 0,5 мм | |
| 39 | 375-4511077 | Прокладка регулировочная правая, толщиной 4 или 5мм | |
| 40 | 4322-4511030 | Тросоукладчик в сборе | |
| 41 | 252020-П29 | Шайба 22 | |
| 42 | 202273-П29 | Болт М22-6gх45 |
Содержащиеся в справочниках-каталогах запасные части и детали не предлагаются к продаже, а носят исключительно информационный характер