Каталог запасных частей к технике: УралАЗ УРАЛ-44202-3511-80. Установка пневмогидравлических усилителей тормозов
1
2
3
4
4
4
4
5
5
5
6
6
6
6
7
8
9
9
10
10
11
11
11
12
12
12
13
14
15
16
17
17
18
18
19
19
20
20
21
22
23
24
25
26
27
28
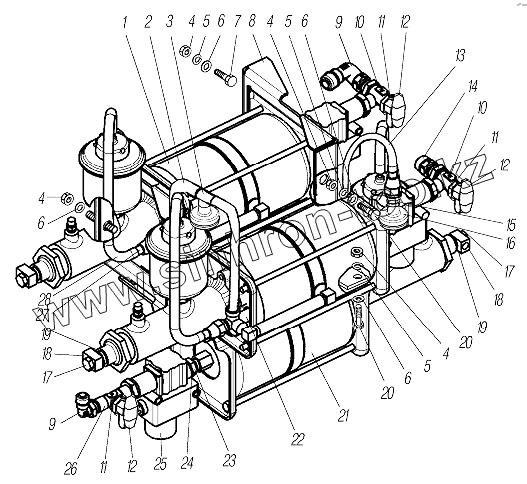
| Позиция на иллюстрации | Заводской номер детали | Название детали | |
|---|---|---|---|
| 1 | 55571П-3510011 | Усилитель тормоза пневматический | |
| 2 | 4320Ф-4712057-10 | Трубка выводная пневмоусилителей | |
| 3 | 4320П-4712140 | Тройник | |
| 4 | 250514-П29 | Гайка М12-6Н | |
| 5 | 252137-П2 | Шайба 12 пружинная | |
| 6 | 252007-П29 | Шайба 12 | |
| 7 | 200367-П29 | Болт М12-6gх45 | |
| 8 | 4320Б-3510095 | Кронштейн усилителей | |
| 9 | D650210-M16x1,5-S | Угольник | |
| 10 | D2062M16x1,5-M22X1,5-S | Тройник | |
| 11 | 5323-3506054 | Прокладка | |
| 12 | 100-3515310-10 | Клапан контрольного вывода | |
| 13 | 4320Б-4712054 | Трубка герметизации пневмоусилителей | |
| 14 | DS65106-M16x1,5-S | Фитинг прямой | |
| 15 | 339947 | Штуцер М16х1,5-М20х1,5 | |
| 16 | 4320Ф-4712130 | Глушитель шума в сборе | |
| 17 | 51-3506012 | Болт соединительный | |
| 18 | 4320-3506002 | Муфта соединительная | |
| 19 | 4320-3506054 | Прокладка | |
| 20 | 201541-П29 | Болт М12-6gх32 | |
| 21 | 4320Б-3510011 | Усилитель тормоза пневматический | |
| 22 | BK503-3710-0 | Выключатель сигнализации | |
| 23 | 334161 | Штуцер | |
| 24 | 4320-3514023 | Прокладка | |
| 25 | 4721950180 | Модулятор | |
| 26 | D2072M16x1,5-M22x1,5-S | Тройник | |
| 27 | 5323-4712164 | Трубка от бачка в сборе | |
| 28 | 375-4245043-10 | Шланг соединительный |
Содержащиеся в справочниках-каталогах запасные части и детали не предлагаются к продаже, а носят исключительно информационный характер