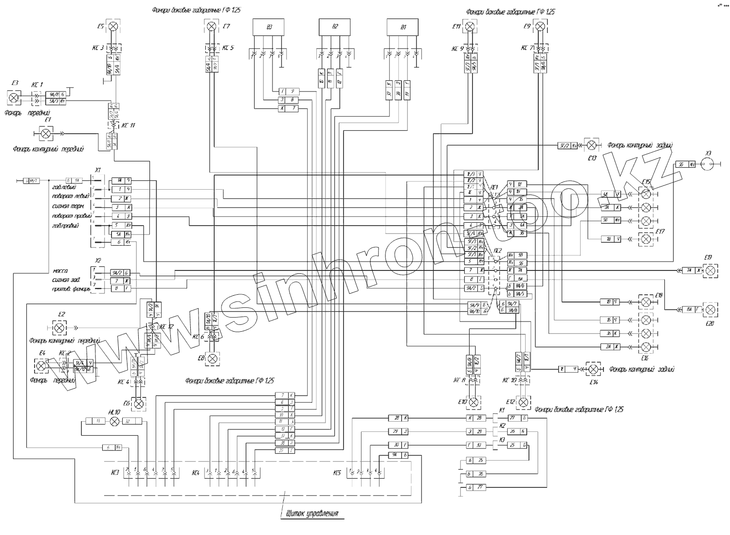
Каталог запасных частей к технике: Нефтекамский автозавод НефАЗ-96894. 9693-3700020Э4 Схема электрическая
Х1
Х1
Х2
Х2
Х3
Е1-Е2
Е1-Е2
Е3-Е4
Е3-Е4
Е5-Е12
Е5-Е12
Е5-Е12
Е5-Е12
Е5-Е12
Е5-Е12
Е5-Е12
Е5-Е12
Е13-Е14
Е13-Е14
Е15-Е18
Е15-Е18
Е16-Е17
Е16-Е17
Е19
Е20
К1,К2,К3
К1,К2,К3
К1,К2,К3
ПС1,ПС2
ПС1,ПС2
КС1...КС6
HL10
В1,В2,В3
В1,В2,В3
В1,В2,В3
КС1-КС10
КС1-КС10
КС1-КС10
КС1-КС10
КС1-КС10
КС1-КС10
КС1-КС10
КС1-КС10
КС1-КС10
КС1-КС10
КС1-КС10
КС1-КС10
КС1-КС10
КС11,КС12
КС11,КС12
| Позиция на иллюстрации | Заводской номер детали | Название детали | |
|---|---|---|---|
| Х1 | ПС325 | Вилка ПС325 | |
| Х1 | СНЦ124-7/45РО34-2 | Розетка СНЦ124-7/45РО34-2 | |
| Х2 | ПС326 | Розетка ПС326 | |
| Х2 | СНЦ125-7/45РО34-2 | Розетка СНЦ125-7/45РО34-2 | |
| Х3 | ПС400 | Розетка штепсельная | |
| Е1-Е2 | 361.3731 | Фонарь контурный передний 361.3731 | |
| Е3-Е4 | ГФ 1.15 | Фонарь передний ГФ 1.15 ГФ 1.15 | |
| Е5-Е12 | ГФ1.25 | Фонарь боковой | |
| Е13-Е14 | 381.3731 | Фонарь контурный задний 381.3731 | |
| Е15-Е18 | ФП133-АБ | Фонарь задний ФП133-АБ | |
| Е16-Е17 | ФП134-Б | Фонарь номерного знака ФП134-Б | |
| Е19 | 211.3711 | Фонарь заднего хода 211.3711 | |
| Е20 | 241.3716 | Фонарь 241.3716 задний противотуманный ТУ37.3.1104-82 | |
| К1,К2,К3 | П30.131.06.000 | Клапан электромагнитный П30.131.06.000 | |
| ПС1,ПС2 | 16.3723 | Панель соединительная 16.3723 | |
| КС1...КС6 | 02-6.3-04 | Колодка гнездовая 02-6.3-04 | |
| HL10 | Плафон ВИ | Светильник «Плафон ВИ» | |
| В1,В2,В3 | 96742-3827010 | Установка датчика уровня | |
| КС1-КС10 | 282189-1 | Колодка 282189-1 | |
| КС11,КС12 | 02-6,3-01 | Колодка 02-6,3-01 |
Содержащиеся в справочниках-каталогах запасные части и детали не предлагаются к продаже, а носят исключительно информационный характер