Каталог запасных частей к технике: Нефтекамский автозавод НефАЗ-96894. 96894-3700010 Монтаж электрооборудования
1
2
3
4
5
6
7
7
8
9
10
11
12
13
14
15
16
17
18
19
19
20
20
20
21
21
22
22
22
23
23
24
25
26
27
28
29
30
31
32
33
34
36
40
41
41
43
43
45
46
48
49
50
51
52
52
53
53
54
55
56
58
58
60
60
61
62
63
63
63
68
68
75
75
75
75
75
76
76
77
77
77
82
82
82
82
82
83
83
84
84
84
86
87
87
88
90
91
92
93
93
94
95
98
98
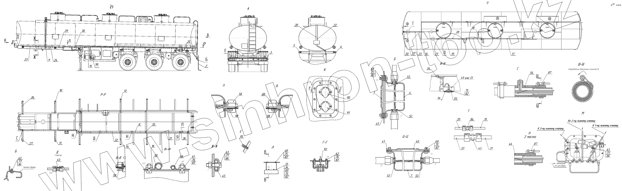
| Позиция на иллюстрации | Заводской номер детали | Название детали | |
|---|---|---|---|
| Стяжка4,5х200 | Стяжка4,5х200 | Стяжка 4,6х200 | |
| 1 | 9674-3700071-01 | Крышка | |
| 2 | 9674-3720010 | Цепь заземления | |
| 3 | 96894-3716010 | Установка задних фонарей | |
| 4 | 96742-3719020 | Корпус | |
| 5 | 9693-3717020 | Установка переднего фонаря | |
| 6 | 9693-3717020-10 | Установка переднего фонаря | |
| 7 | 96742-3719022 | Коробка распределительная | |
| 8 | 96894-3724010 | Жгут основной | |
| 9 | 96742-3827010 | Установка датчика уровня | |
| 10 | 96894-3724060 | Жгут боковых габаритных фонарей | |
| 11 | 96894-3724061 | Жгут боковых габаритных фонарей | |
| 12 | 96894-3724062 | Жгут боковых габаритных фонарей | |
| 13 | 96894-3724063 | Жгут боковых габаритных фонарей | |
| 14 | 96894-3724040 | Пучок проводов датчиков уровня | |
| 15 | 96894-3724042 | Жгут ЭПК | |
| 16 | 96894-3724064 | Жгут боковых габаритных фонарей | |
| 17 | 96894-3700060 | Трубопровод датчика 3 отсека | |
| 18 | 96894-3700062 | Трубопровод датчика 2 отсека | |
| 19 | 96894-3700064 | Трубопровод датчика 2-3 отсеков | |
| 20 | 96894-3700066 | Трубопровод датчика 1 отсека | |
| 21 | 96894-3700068 | Трубопровод датчиков | |
| 22 | 96894-3700070 | Трубопровод датчиков | |
| 23 | 96894-3700072 | Трубопровод датчика | |
| 24 | 96894-3700074 | Трубопровод коробки распределительной | |
| 25 | 96894-3700076 | Трубопровод коробки распределительной | |
| 26 | 96894-3724080 | Жгут переднего и бокового фонаря | |
| 27 | 96894-3724081 | Жгут переднего и бокового фонаря | |
| 28 | 96894-3700080 | Трубопровод отсека | |
| 29 | 96894-3700082 | Трубопровод щитка управления | |
| 30 | 96894-3700084 | Трубопровод | |
| 31 | 96894-3700086 | Трубопровод | |
| 32 | 96894-3700088 | Трубопровод | |
| 33 | 66052-3700185 | Кронштейн | |
| 34 | 9693-3718400 | Щиток управления | |
| 36 | 96741-3719010 | Установка коробки соединительной | |
| 37 | 9684-3724030 | Жгут задних фонарей | |
| 40 | 9674-3719014 | Крышка | |
| 41 | 9674-3719015 | Прокладка | |
| 43 | 9674-3700034 | Штуцер проходной | |
| 45 | 9674-3700065 | Скоба | |
| 46 | 96741-3700066 | Рукав | |
| 48 | 9674-3700073 | Скоба | |
| 49 | 96742-3700188 | Кронштейн | |
| 50 | 18.8609228 | Скоба | |
| 51 | 96742-3700189 | Кронштейн | |
| 52 | 9674-3719016 | Втулка | |
| 53 | 9674-3719017 | Втулка | |
| 54 | 96742-3724015-01 | Втулка проходная для электропроводки | |
| 55 | 96742-3724015 | Втулка проходная для электропроводки | |
| 56 | 96742-3700074 | Тройник для электропроводки | |
| 58 | 9674-3700033 | Скоба | |
| 60 | 1/09022/21 | Болт М6-6gх16 | |
| 61 | 1/60436/21 | Болт М8-6gх25 | |
| 62 | 1/60441/21 | Болт М8-6gх45 | |
| 63 | 1/13070/21 | Болт ТЕМ10х1,25-6gх40 | |
| 68 | 1/32762/01 | Винт ТС с крестообразным шлицем М6-6gх16 | |
| 75 | 1/58962/11 | Гайка М6-6Н | |
| 76 | 1/61008/11 | Гайка М8 | |
| 77 | 1/21647/11 | Гайка | |
| 82 | 1/05164/70 | Шайба пружинная 6 | |
| 83 | 1/05166/70 | Шайба пружинная 8 | |
| 84 | 1/05168/70 | Шайба пружинная 8 | |
| 86 | 864814-П29 | Штуцер проходной 12 | |
| 87 | 1/02908/90 | Хомут 40 | |
| 88 | 864813-П29 | Гайка накидная | |
| 90 | 4573732105 | Розетка штепсельная ПС 325-100 | |
| 91 | 4573732169 | Розетка штепсельная ПС326-100 | |
| 92 | 5320-3723105 | Втулка | |
| 93 | ФМ01.24-01 | Фонарь боковой габаритный ФМ01.24-01 | |
| 93 | ГФ1.25 | Фонарь боковой | |
| 94 | ГФ1.008 | Уплотнитель ГФ1.008 | |
| 95 | 53205-3401228 | Хомут | |
| 98 | Лента | Лента |
Содержащиеся в справочниках-каталогах запасные части и детали не предлагаются к продаже, а носят исключительно информационный характер