Каталог запасных частей к технике: Нефтекамский автозавод НефАЗ-96742. 9693-3700020Э4 Схема электрическая
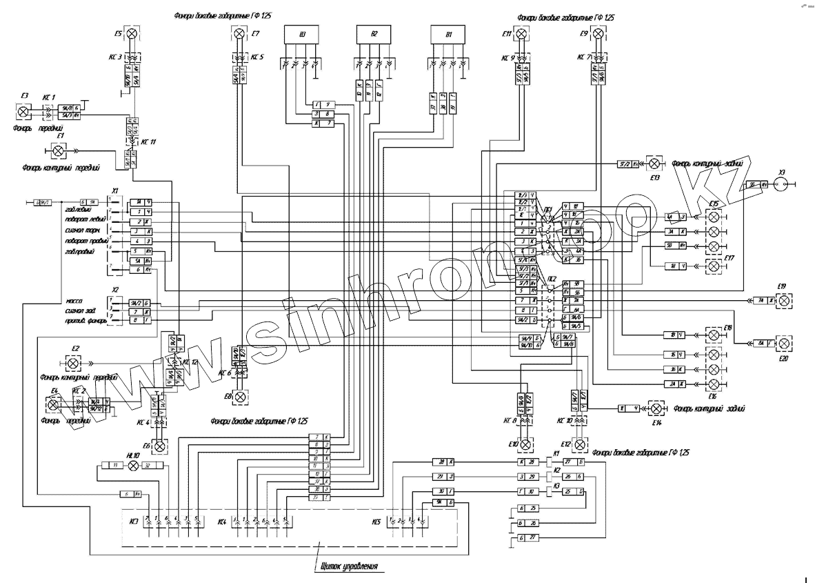
Е19
КС11,КС12
КС11,КС12
КС1-КС10
КС1-КС10
КС1-КС10
КС1-КС10
В1, В2, В3
В1, В2, В3
В1, В2, В3
HL10
КС1 - КС6
КС1 - КС6
КС1 - КС6
КС1 - КС6
КС1 - КС6
КС1 - КС6
КС1 - КС6
КС1 - КС6
КС1 - КС6
ПС1, ПС2
ПС1, ПС2
К1, К2, К3
К1, К2, К3
К1, К2, К3
Е20
Х1
Е16, Е17
Е16, Е17
Е15, Е18
Е15, Е18
Е13, Е14
Е13, Е14
Е5 - Е12
Е5 - Е12
Е5 - Е12
Е5 - Е12
Е5 - Е12
Е5 - Е12
Е5 - Е12
Е5 - Е12
Е3,Е4
Е3,Е4
Е1, Е2
Е1, Е2
Х3
Х2
| Позиция на иллюстрации | Заводской номер детали | Название детали | |
|---|---|---|---|
| Е19 | Е19 | Фонарь заднего хода 211.3711 | |
| КС11,КС12 | КС11,КС12 | Колодка 02-6,3-01- ОСТ 37.003.032-88 | |
| КС1-КС10 | КС1-КС10 | Колодка 282189-1 | |
| В1, В2, В3 | В1, В2, В3 | Датчик уровня жидкости 96742-3827010 | |
| HL10 | HL10 | Светильник «Плафон ВII» | |
| КС1 - КС6 | КС1 - КС6 | Колодка гнездовая 02-6.3-04 ОСТ 37.003.032-88 | |
| ПС1, ПС2 | ПС1, ПС2 | Панель соединительная 16 3723ТУ37.003.419-76 | |
| К1, К2, К3 | К1, К2, К3 | Затворы | |
| Е20 | Е20 | Фонарь задний ФП133-АБ | |
| Х1 | Х1 | Вилка ПС325 | |
| Е16, Е17 | Е16, Е17 | Фонарь номерного знака ФП134-Б | |
| Е15, Е18 | Е15, Е18 | Фонарь задний ФП133-АБ | |
| Е13, Е14 | Е13, Е14 | Фонарь контурный задний 381.3831 | |
| Е5 - Е12 | Е5 - Е12 | Фонарь боковой габаритный ГФ1.25 | |
| Е3,Е4 | Е3,Е4 | Фонарь передний габаритный ГФ 1.15 | |
| Е1, Е2 | Е1, Е2 | Фонарь передний 16.3712 | |
| Х3 | Х3 | Розетка переносной лампы ПС400 | |
| Х2 | Х2 | Вилка ПС326 |
Содержащиеся в справочниках-каталогах запасные части и детали не предлагаются к продаже, а носят исключительно информационный характер