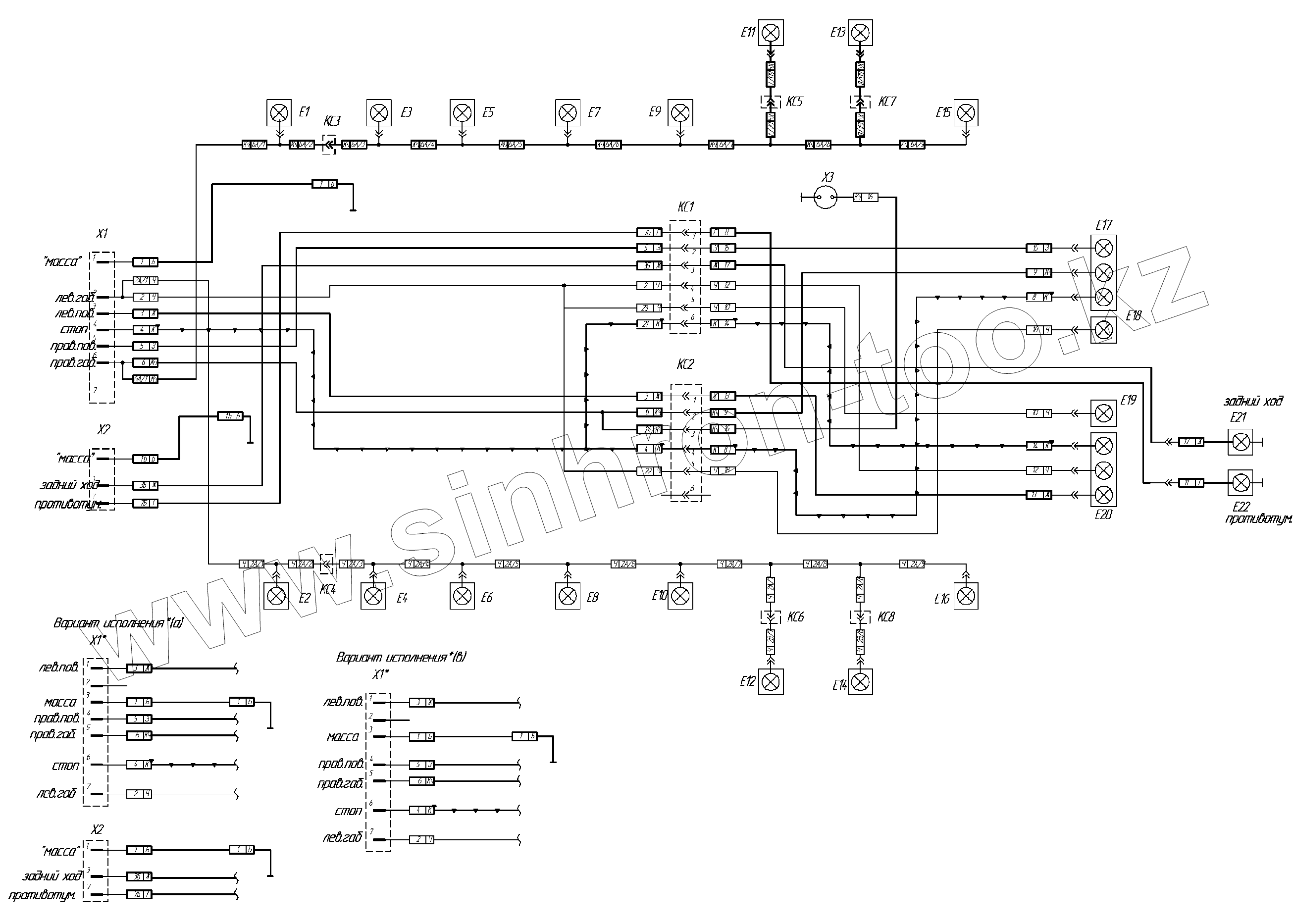
Каталог запасных частей к технике: Нефтекамский автозавод НефАЗ-9334 (2008). Схема электрическая соединений
Е16
Е15
Х1
Х1
Х2
Х2
Х3
Х1
Х1
Е1,Е2
Е3-Е10, Е15,Е16
Е3-Е10, Е15,Е16
Е3-Е10, Е15,Е16
Е3-Е10, Е15,Е16
Е3-Е10, Е15,Е16
Е3-Е10, Е15,Е16
Е3-Е10, Е15,Е16
Е3-Е10, Е15,Е16
Е3-Е10, Е15,Е16
Е11, Е12
Е11, Е12
Е13, Е14
Е13, Е14
Е17, Е20
Е17, Е20
Е18, Е19
Е18, Е19
Е21
Е22
КС
КС
КС
КС
КС
КС
КС
КС
| Позиция на иллюстрации | Заводской номер детали | Название детали | |
|---|---|---|---|
| Е16 | Е16 | Фонарь контурный передний 361.3731 | |
| Е15 | Е15 | Фонарь контурный передний 361.3731 | |
| Х1 | ПС325 | Вилка ПС325 | |
| Х2 | ПС326 | Розетка ПС326 | |
| Х3 | ПС400 | Розетка штепсельная | |
| Х1 | ПС 300А3 | Розетка ПС 300А3 тип 12N | |
| Е1,Е2 | 16.3712 | Фонарь габаритный передний | |
| Е3-Е10, Е15,Е16 | 431.3731010 | Фонарь боковой габаритный | |
| Е11, Е12 | 361.3731 | Фонарь контурный передний 361.3731 | |
| Е13, Е14 | 381.3831 | Фонарь контурный задний 381.3831 | |
| Е17, Е20 | ФП133-АБ | Фонарь задний ФП133-АБ | |
| Е18, Е19 | ФП134-АБ | Фонарь номерного знака ФП134-Б | |
| Е21 | 211.3711 | Фонарь заднего хода 211.3711 | |
| Е22 | 211.3716 | Фонарь задний противотуманный 241.3716 | |
| КС | ОСТ 37.003.032-88 | Колодки соединительные ОСТ 37.003.032-88 |
Содержащиеся в справочниках-каталогах запасные части и детали не предлагаются к продаже, а носят исключительно информационный характер