Каталог запасных частей к технике: Нефтекамский автозавод НефАЗ-9334 (2008). Схема электрическая соединений
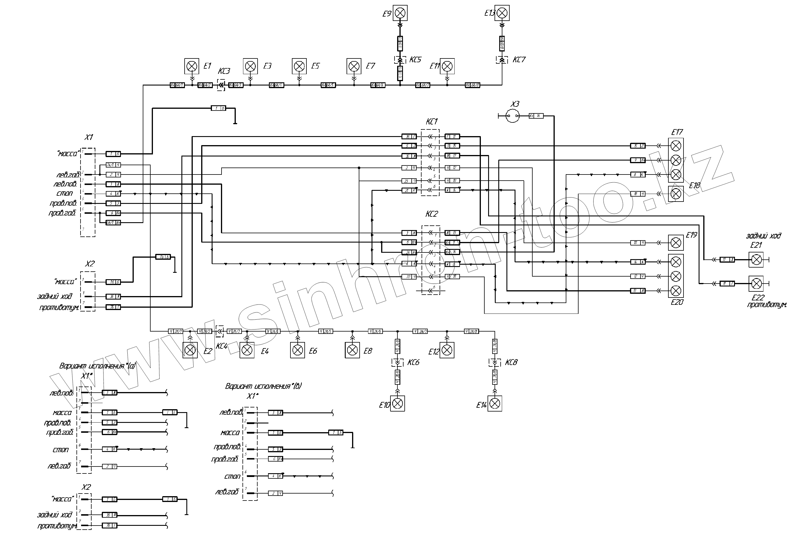
КС5
КС1, КС2, КС3, КС6, КС7, КС8
КС1, КС2, КС3, КС6, КС7, КС8
КС1, КС2, КС3, КС6, КС7, КС8
КС1, КС2, КС3, КС6, КС7, КС8
Е2
Е4
Е6
Е8
Е3
Е5
Е7
Е12
X1
X1
X2
X2
X3
X1
X1
E1, E2
E3-8, E11, E12
Е9, Е10
Е9, Е10
Е13, Е14
Е13, Е14
Е17, Е20
Е17, Е20
Е18, Е19
Е18, Е19
Е21
Е22
| Позиция на иллюстрации | Заводской номер детали | Название детали | |
|---|---|---|---|
| КС5 | КС5 | Колодка гнездовая 02-6,3-06 ОСТ37.003.032-88 | |
| КС1, КС2, КС3, КС6, КС7, КС8 | КС1, КС2, КС3, КС6, КС7, КС8 | Колодка гнездовая 02-6.3-04 ОСТ 37.003.032-88 | |
| Е2 | Е2 | Фонарь передний 16.3712 | |
| Е4 | Е4 | Фонарь боковой габаритный 431.3731010 (маркерный) | |
| Е6 | Е6 | Фонарь боковой габаритный 431.3731010 (маркерный) | |
| Е8 | Е8 | Фонарь боковой габаритный 431.3731010 (маркерный) | |
| Е3 | Е3 | Фонарь боковой габаритный 431.3731010 (маркерный) | |
| Е5 | Е5 | Фонарь боковой габаритный 431.3731010 (маркерный) | |
| Е7 | Е7 | Фонарь боковой габаритный 431.3731010 (маркерный) | |
| Е12 | Е12 | Фонарь номерного знака ФП134-Б | |
| X1 | ПС325 | Вилка ПС325 | |
| X2 | ПС326 | Розетка ПС326 | |
| X3 | ПС400 | Розетка штепсельная | |
| X1 | ПС300 | Розетка ПС 300А3 тип 12N | |
| E1, E2 | 16.3712 | Фонарь габаритный передний | |
| E3-8, E11, E12 | 431.3731010 | Фонарь боковой габаритный | |
| Е9, Е10 | 361.3731 | Фонарь контурный передний 361.3731 | |
| Е13, Е14 | 381.3831 | Фонарь контурный задний 381.3831 | |
| Е17, Е20 | ФП133-АБ | Фонарь задний ФП133-АБ | |
| Е18, Е19 | ФП134-Б | Фонарь номерного знака ФП134-Б | |
| Е21 | 211.3711 | Фонарь заднего хода 211.3711 | |
| Е22 | 241.3716 | Фонарь 241.3716 задний противотуманный ТУ37.3.1104-82 | |
| КС | ОСТ 37.003.032-88 | Колодки соединительные ОСТ 37.003.032-88 |
Содержащиеся в справочниках-каталогах запасные части и детали не предлагаются к продаже, а носят исключительно информационный характер