Каталог запасных частей к технике: Нефтекамский автозавод НефАЗ-8527. Трубопроводы пневмотормозов
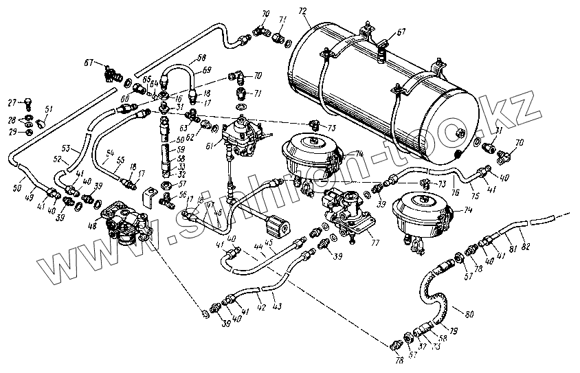
16
17
17
17
18
18
18
27
28
29
31
32
32
33
33
38
39
39
39
39
39
40
40
40
40
40
40
41
41
41
41
41
41
42
43
44
45
46
47
48
49
50
51
52
53
54
55
56
57
57
57
58
59
60
61
62
63
64
65
66
67
67
68
69
70
70
70
71
71
71
72
73
73
74
74
75
76
77
78
78
79
80
81
82
| Позиция на иллюстрации | Заводской номер детали | Название детали | |
|---|---|---|---|
| 16 | 250638 | Гайка | |
| 17 | 864817 | Муфта конусная | |
| 18 | 864813 | Гайка накидная | |
| 27 | 201418 | Болт | |
| 28 | 252154 | Шайба | |
| 29 | 250508 | Гайка шестигранная (d=6x1, S=10, H=5, D=11, D1=10) | |
| 31 | 864880 | Штуцер фланцевый | |
| 32 | 864809 | Гайка соединительная | |
| 33 | 864844 | Ниппель | |
| 38 | 8527-3506164 | Шланг | |
| 39 | 853971 | Штуцер ввертный | |
| 40 | 864818 | Муфта конусная | |
| 41 | 864832 | Гайка накидная | |
| 42 | 8350-3506275 | Трубка | |
| 43 | 8350-3506274 | Трубка от воздухораспределителя в сборе | |
| 44 | 8350-3506286-10 | Трубка от электромагнитного клапана в сборе | |
| 45 | 8350-3506287-10 | Трубка | |
| 46 | 8350-3506297 | Трубка к передней тормозной камере левая в сборе | |
| 47 | 8350-3506299 | Трубка | |
| 48 | 100-3531008 | Воздухораспределитель с краном растормаживания в сборе | |
| 49 | 8350-3506251-20 | Трубка | |
| 50 | 8350-3506250-20 | Трубка от ресивера к воздухораспределителю в сборе | |
| 51 | 8350-3506208 | Скоба | |
| 52 | 8350-3506180 | Трубка от клапана управления к регулятору в сборе | |
| 53 | 8350-3506184 | Трубка | |
| 54 | 8350-3506296 | Трубка к передней тормозной камере правая в сборе | |
| 55 | 8350-3506298 | Трубка | |
| 56 | 864826 | Тройник фланцевый проходной | |
| 57 | 250640 | Гайка шестигранная (d=20x1,5, S=30, H=9, D=33,6) | |
| 58 | 864835 | Муфта | |
| 59 | 8350-3506064 | Шланг | |
| 60 | 8350-3506060 | Шланг передних тормозов промежуточный в сборе | |
| 61 | 100-3533010 | Регулятор тормозных сил в сборе | |
| 62 | 864830 | Переходник ввертный | |
| 63 | 864853 | Тройник ввертный | |
| 64 | 864817 | Муфта конусная | |
| 65 | 8350-3506404 | Трубка переходника | |
| 66 | 8350-3506038 | Переходник | |
| 67 | 100-3515310 | Клапан контрольного вывода | |
| 68 | 8350-3506370 | Трубка от регулятора тормозных сил к штуцеру в сборе | |
| 69 | 8350-3506374 | Трубка | |
| 70 | 8527-3506038 | Угольник ввертный | |
| 71 | 864829 | Переходник ввертный | |
| 72 | 9370-3513015 | Ресивер | |
| 73 | 8527-3506036 | Угольник | |
| 74 | 500-3519110-01 | Тормозная камера в сборе | |
| 75 | 8350-3506293 | Трубка | |
| 76 | 8350-3506292 | Трубка от клапана к ресиверу в сборе | |
| 77 | 100-3571100 | Клапан электропневматический в сборе | |
| 78 | 8350-3506402 | Штуцер проходной | |
| 79 | 8350-3506128 | Шланг | |
| 80 | 8350-3506124 | Шланг передних тормозов промежуточный в сборе | |
| 81 | 8527-3506315-10 | Трубка | |
| 82 | 8527-3506314-10 | Трубка от проходного штуцера к регулятору тормозных сил в сборе |
Содержащиеся в справочниках-каталогах запасные части и детали не предлагаются к продаже, а носят исключительно информационный характер