Каталог запасных частей к технике: Нефтекамский автозавод НефАЗ-8332. Схема электрическая
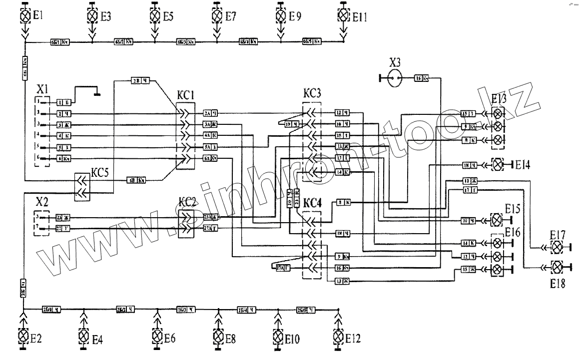
Е9
Е2
Е1
Е15
Е14
Е8
Е7
Е12
Е11
Е16
Е13
Е18
Е17
Х1
Е6
Е5
Е4
Е3
Е10
Х3
КС5
КС4
КС3
КС2
КС1
Х2
| Позиция на иллюстрации | Заводской номер детали | Название детали | |
|---|---|---|---|
| Е9 | Е9 | Фонарь задний ФШ33-АБ | |
| Е2 | Е2 | Фонарь передний 16.3712 | |
| Е1 | Е1 | Фонарь передний 16.3712 | |
| Е15 | Е15 | Фонарь контурный передний 361.3731 | |
| Е14 | Е14 | Фонарь задний противотуманный 241.3716 | |
| Е8 | Е8 | Фонарь боковой габаритный 431.3731010 (маркерный) | |
| Е7 | Е7 | Фонарь боковой габаритный 431.3731010 (маркерный) | |
| Е12 | Е12 | Фонарь номерного знака ФП134-Б | |
| Е11 | Е11 | Фонарь номерного знака ФП134-Б | |
| Е16 | Е16 | Фонарь контурный передний 361.3731 | |
| Е13 | Е13 | Фонарь заднего хода 211.3711 | |
| Е18 | Е18 | Фонарь контурный задний 381.3831 | |
| Е17 | Е17 | Фонарь контурный задний 381.3831 | |
| Х1 | Х1 | Вилка ПС325 | |
| Е6 | Е6 | Фонарь боковой габаритный 431.3731010 (маркерный) | |
| Е5 | Е5 | Фонарь боковой габаритный 431.3731010 (маркерный) | |
| Е4 | Е4 | Фонарь боковой габаритный 431.3731010 (маркерный) | |
| Е3 | Е3 | Фонарь боковой габаритный 431.3731010 (маркерный) | |
| Е10 | Е10 | Фонарь задний ФШ33-АБ | |
| Х3 | Х3 | Розетка переносной лампы ПС400 | |
| КС5 | КС5 | Колодка гнездовая 02-6,3-06 ОСТ37.003.032-88 | |
| КС4 | КС4 | Колодка гнездовая 02-6,3-06 ОСТ37.003.032-88 | |
| КС3 | КС3 | Колодка гнездовая 02-6,3-06 ОСТ37.003.032-88 | |
| КС2 | КС2 | Колодка гнездовая 02-6,3-06 ОСТ37.003.032-88 | |
| КС1 | КС1 | Колодка гнездовая 02-6,3-06 ОСТ37.003.032-88 | |
| Х2 | Х2 | Вилка ПС326 |
Содержащиеся в справочниках-каталогах запасные части и детали не предлагаются к продаже, а носят исключительно информационный характер