Каталог запасных частей к технике: МАЗ-6317. Трубопроводы радиатора
1
2
3
4
4
5
6
6
6
6
6
6
7
8
9
9
10
11
12
13
14
15
16
17
18
19
20
21
22
23
24
25
26
27
28
29
30
31
32
33
33
34
34
35
35
36
36
37
37
38
39
40
41
42
43
43
43
43
43
43
44
45
46
47
48
49
49
50
51
52
53
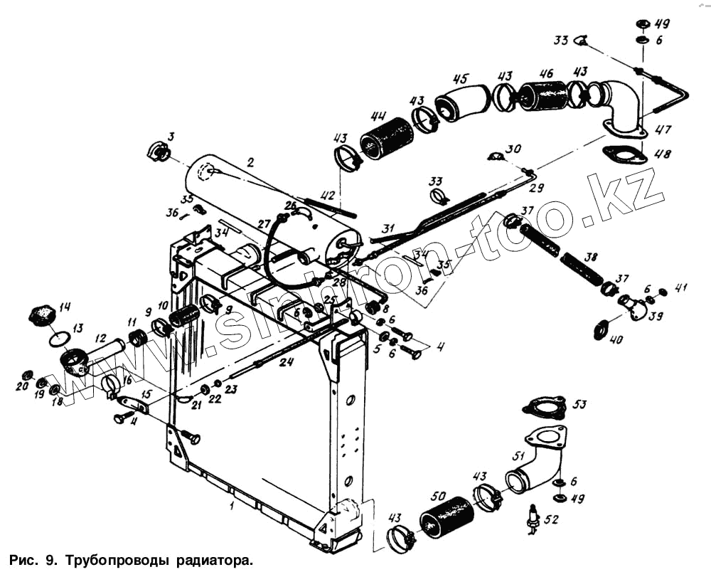
| Позиция на иллюстрации | Заводской номер детали | Название детали | |
|---|---|---|---|
| 1 | 64221-1301009 | Радиатор с кожухом | |
| 2 | 64221-1311010 | Бачок расширительный | |
| 3 | 256Б-1304010 | Пробка | |
| 4 | 201454 | Болт М8-6gх16 | |
| 5 | 252005 | Шайба 8 | |
| 6 | 252135 | Шайба 8Т | |
| 7 | 379675 | Кляммер | |
| 8 | 64227-3506029 | Прокладка | |
| 9 | 64229-1303506 | Хомут | |
| 10 | 6422-1303172 | Шланг | |
| 11 | 6422-1304084 | Уплотнитель | |
| 12 | 64221-130414-01 | Труба заливная | |
| 13 | 052-058-36-2-3 | Кольцо | |
| 14 | 64221-1311053 | Пробка | |
| 15 | 6422-1304034 | Кронштейн | |
| 16 | 379675 | Кляммер | |
| 17 | 201418 | Болт М6-6gх16 | |
| 18 | 252004 | Шайба 6 | |
| 19 | 252134 | Шайба 6Т | |
| 20 | 250508 | Гайка М6-6Н | |
| 21 | 379053 | Угольник | |
| 22 | 405641 | Гайка стяжная | |
| 23 | 314802 | Муфта зажимная | |
| 24 | 64221-1304040 | Трубка | |
| 25 | 250510 | Гайка М8-6Н | |
| 26 | 402748 | Угольник | |
| 27 | 64221-1304070 | Трубка | |
| 28 | 403011 | Тройник | |
| 29 | 64221-1304030-10 | Трубка | |
| 30 | 379051 | Угольник | |
| 31 | 64221-1304030 | Трубка | |
| 32 | 379737 | Угольник | |
| 33 | 379165 | Кляммер | |
| 34 | 297582 | Лента | |
| 35 | 297580 | Пряжка | |
| 36 | 297575 | Шплинт 5,6х22 | |
| 37 | 64229-1303650 | Хомут | |
| 38 | 64221-1303168 | Рукав 25х35-16 L = 500 мм | |
| 39 | 64221-1303220 | Фланец | |
| 40 | 64221-1015146 | Прокладка | |
| 41 | 250511 | Гайка М8х1-6Н | |
| 42 | 64227-1311024 | Шланг | |
| 43 | 64221-1303570 | Хомут | |
| 44 | 64221-1303025 | Шланг отводящий | |
| 45 | 64221-1303042-10 | Труба | |
| 46 | 64221-1303010 | Шланг отводящий | |
| 47 | 64221-1303020-10 | Патрубок отводящий | |
| 48 | 64221-1015146 | Прокладка | |
| 49 | 374377 | Гайка М10х1,25-6Н | |
| 50 | 64221-1303027 | Шланг | |
| 51 | 64221-1303242 | Патрубок | |
| 52 | ВС11-8101010 | Кран | |
| 53 | 64221-1303345 | Прокладка |
Содержащиеся в справочниках-каталогах запасные части и детали не предлагаются к продаже, а носят исключительно информационный характер