Каталог запасных частей к технике: МАЗ-6317. Радиатор
1
2
2
2
2
3
3
4
4
5
6
7
8
9
9
9
9
9
9
9
9
9
10
10
10
10
10
10
10
11
11
12
13
13
14
15
16
17
18
18
19
19
20
21
21
22
22
23
23
24
24
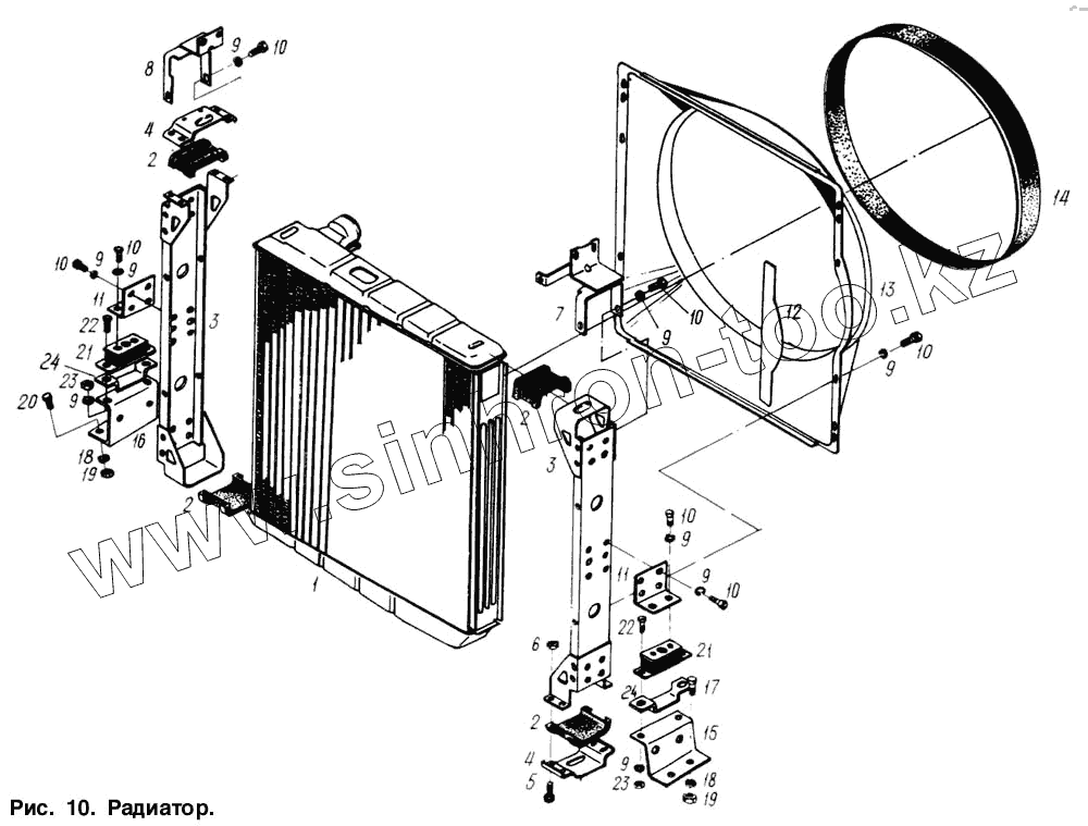
| Позиция на иллюстрации | Заводской номер детали | Название детали | |
|---|---|---|---|
| 1 | 64221-1301015 | Остов с бачками | |
| 2 | 54321-1301103 | Прокладка | |
| 3 | 64221-1301126 | Пластина | |
| 4 | 64221-1301144 | Кронштейн | |
| 5 | 201422 | Болт М6-6gх25 | |
| 6 | 250508 | Гайка М6-6Н | |
| 7 | 64221-1311081 | Опора бачка левая | |
| 8 | 64221-1311080 | Опора бачка правая | |
| 9 | 252135 | Шайба 8Т | |
| 10 | 201454 | Болт М8-6gх16 | |
| 11 | 64221-1302118 | Кронштейн опоры радиатора | |
| 12 | 64221-1309043 | Щиток | |
| 13 | 64221-1309011 | Кожух | |
| 13 | 64221-1309011-10 | Кожух | |
| 14 | 64221-1309016 | Уплотнитель | |
| 15 | 64221-1302147 | Кронштейн левый | |
| 16 | 64221-1302146 | Кронштейн правый | |
| 17 | 201593 | Болт М14-6gх50 | |
| 18 | 252138 | Шайба 14.ОТ | |
| 19 | 250558 | Гайка М14-6Н | |
| 20 | 201587 | Болт М14-6gх35 | |
| 21 | 64221-1302060 | Подушка | |
| 22 | 201458 | Болт М8-6gх25 | |
| 23 | 250510 | Гайка М8-6Н | |
| 24 | 6317-1302063 | Прокладка |
Содержащиеся в справочниках-каталогах запасные части и детали не предлагаются к продаже, а носят исключительно информационный характер