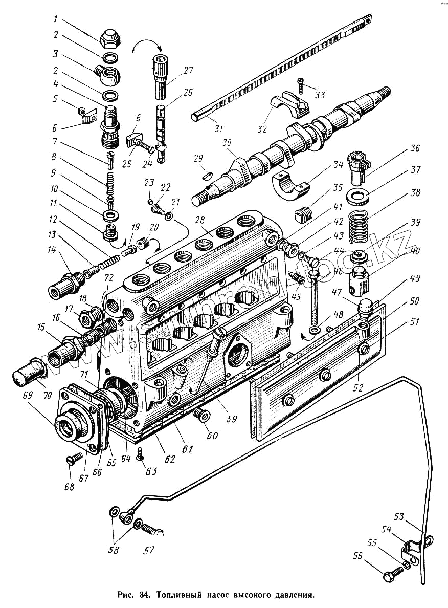
Каталог запасных частей к технике: МАЗ-500А. Топливный насос высокого давления
1
2
2
3
4
5
6
6
7
8
9
10
11
12
13
14
15
16
17
18
19
20
21
22
23
23
24
25
26
27
28
29
30
31
32
33
34
35
36
37
38
39
40
41
42
43
44
45
46
47
48
49
50
51
52
53
54
55
56
57
58
59
60
61
62
63
64
65
66
67
68
69
70
71
72
| Позиция на иллюстрации | Заводской номер детали | Название детали | |
|---|---|---|---|
| 310121-П | 310121-П | Болт регулировочный толкателя | |
| 236-1111170-Б | 236-1111170-Б | Вал кулачковый топливного насоса в сборе | |
| 236-1111062 | 236-1111062 | Венец зубчатый | |
| 310607-П15 | 310607-П15 | Винт стяжной зубчатого венца | |
| 236-1111064 | 236-1111064 | Втулка зубчатого венца | |
| 236-1110209-Б | 236-1110209-Б | Втулка направляющая | |
| 236-1111042-А | 236-1111042-А | Втулка рейки насоса высокого давления | |
| 236-1111144 | 236-1111144 | Втулка ролика толкателя | |
| 311809-П15 | 311809-П15 | Гайка кольцевая | |
| 236-1 111282-А2 | 236-1 111282-А2 | Клапан в сборе | |
| 236-1111102 | 236-1111102 | Клапан нагнетательный в сборе | |
| 236-1111228 | 236-1111228 | Кольцо стопорное пружинное | |
| 236-1111052 | 236-1111052 | Кольцо уплотнительное | |
| 236-1111196 | 236-1111196 | Кольцо уплотнительное корпуса регулятора | |
| 236-1111245 | 236-1111245 | Кольцо уплотнительное ограничителя мощности | |
| 311415-П | 311415-П | Контргайка | |
| 236-1111022-Б2 | 236-1111022-Б2 | Корпус топливного насоса высокого давления | |
| 236-1 111 220-А4 | 236-1 111 220-А4 | Крышка насоса высокого давления в сборе | |
| 236-1111180-Б | 236-1111180-Б | Крышка подшипника в сборе | |
| 236-1111007-Б | 236-1111007-Б | Насос топливный высокого давления с регулятором числа оборотов в сборе | |
| 236-1111236-А | 236-1111236-А | Ограничитель мощности в сборе | |
| 236-1111177 | 236-1111177 | Опора кулачкового вала в сборе | |
| 236-1111142 | 236-1111142 | Ось ролика толкателя | |
| 236-1 111074-А | 236-1 111074-А | Пара плунжерная топливного насоса в сборе | |
| 236-1111051 | 236-1111051 | Пробка корпуса | |
| 236-1111147 | 236-1111147 | Пружина толкателя топливного насоса верхняя и нижняя (комплект для запасных частей) | |
| 236-1111140 | 236-1111140 | Ролик толкателя | |
| 236-1111138 | 236-1111138 | Толкатель плунжера | |
| 312347-П15 | 312347-П15 | Шайба | |
| 312448-П | 312448-П | Шайба | |
| 312401-П15 | 312401-П15 | Шайба пружинная | |
| 1 | 312107-П15 | Гайка колпачковая | |
| 2 | 312450-П | Шайба ниппеля | |
| 3 | 236-1111116 | Ниппель соединительный | |
| 4 | 236-1111118-Б | Штуцер топливного насоса | |
| 5 | 250508-П29 | Гайка М6 | |
| 6 | 236-1111120 | Сухарь штуцера | |
| 7 | 236-1111113 | Упор клапана | |
| 8 | 236-1111108 | Пружина нагнетательного клапана | |
| 9 | 236-1111106 | Клапан нагнетательный | |
| 10 | 236-1111086 | Прокладка нагнетательного клапана | |
| 11 | 236-1111104 | Седло нагнетательного клапана | |
| 12 | 236-1111289-В | Пружина клапана | |
| 13 | 236-1111290 | Направляющая клапана | |
| 14 | 236-1111285-Б | Корпус клапана | |
| 15 | 236-1111238-Д | Втулка ограничителя мощности | |
| 16 | 236-1111249-Б | Винт ограничения мощности | |
| 17 | 236-1111032 | Ввертыш корпуса | |
| 18 | 312448-П | Шайба | |
| 19 | 236-1111283 | Клапан | |
| 20 | 236-1111287 | Седло клапана | |
| 21 | 312442-П | Шайба | |
| 22 | 310952-П15 | Винт стопорный | |
| 23 | 236-11 111 54-А | Стопор винта | |
| 23 | 236-1111154-А | Стопор винта | |
| 24 | 201426-П29 | Болт стяжной сухаря | |
| 25 | 252134-П29 | Шайба пружинная | |
| 26 | 236-1 111076-А | Плунжер | |
| 27 | 236-1111078 | Втулка плунжера | |
| 28 | 236-1111020-Б | Корпус топливного насоса высокого давления в сборе | |
| 29 | 314019-П | Шпонка сегментная | |
| 30 | 236-1 111172-Б | Вал кулачковый | |
| 31 | 236-1111040 | Рейка топливного насоса высокого давления | |
| 32 | 236-1111178 | Половина опоры верхняя | |
| 33 | 220057-П15 | Винт опоры стяжной | |
| 34 | 236-1111179 | Половина опоры нижняя | |
| 35 | 236-1111050 | Пробка корпуса в сборе | |
| 36 | 236-1111060 | Венец зубчатый со втулкой в сборе | |
| 37 | 236-1111150-Б | Тарелка пружины толкателя верхняя | |
| 38 | 236-1111148-Б | Пружина толкателя топливного насоса | |
| 39 | 236-1111151-Б | Тарелка пружины толкателя нижняя | |
| 40 | 236-1111136 | Толкатель плунжера в сборе | |
| 41 | 312449-П | Шайба | |
| 42 | 236-1111030 | Ввертыш корпуса | |
| 43 | 312353-П | Шайба | |
| 44 | 316116-П15 | Пробка спуска воздуха | |
| 45 | 236-1111122 | Винт установочный втулки плунжера | |
| 46 | 200276-П29 | Болт | |
| 47 | 236-1111260 | Сапун в сборе | |
| 48 | 312356-П29С | Шайба | |
| 49 | 236-1111226 | Прокладка крышки | |
| 50 | 236-1111222-Б2 | Крышка насоса высокого давления | |
| 51 | 236-1111229 | Винт крепления крышки | |
| 52 | 312353-П | Шайба | |
| 53 | 236-1111294-Б | Трубка дренажная в сборе | |
| 54 | 315455-П29С | Кляммер крепления трубки | |
| 55 | 252135-П2 | Шайба | |
| 56 | 201452-П29 | Болт | |
| 57 | 310122-П2 | Болт М10х1х20 | |
| 58 | 312482-П | Шайба | |
| 59 | 236-1111271 | Указатель уровня масла в сборе | |
| 60 | 236-1111036 | Ввертыш | |
| 61 | 236-111-1210 | Крышка насоса высокого давления нижняя | |
| 62 | 236-1111214 | Прокладка крышки | |
| 63 | 221578-П29 | Винт крепления крышки | |
| 64 | 312439-П15 | Шайба | |
| 65 | 236-1111194 | Прокладка крышки | |
| 66 | 236-1111193 | Прокладка крышки | |
| 67 | 236-1111182 | Крышка подшипника | |
| 68 | 311200-П29 | Винт | |
| 69 | 236-1111186-А | Сальник крышки подшипника с пружиной в сборе | |
| 70 | 236-1111247 | Колпачок (не устанавливается с сентября 1970 года) | |
| 71 | 7204 К1 | Подшипник роликовый конический | |
| 72 | 236-1111044 | Ввертыш колпачка репки (не устанавливается с сентября 1970 года) |
Содержащиеся в справочниках-каталогах запасные части и детали не предлагаются к продаже, а носят исключительно информационный характер