Каталог запасных частей к технике: МАЗ-500А. Регулятор скорости
1
2
3
4
5
6
7
8
9
10
11
12
13
14
14
14
15
16
17
18
19
20
21
22
23
24
25
26
27
28
29
30
30
30
31
32
34
35
36
37
38
39
40
40
40
40
40
41
42
43
44
45
46
47
48
48
48
49
49
49
49
49
49
50
51
52
53
54
55
56
57
58
59
60
61
62
63
64
65
66
67
68
69
70
71
72
73
74
75
76
77
78
79
80
81
82
83
84
85
86
87
88
89
90
91
92
93
94
95
96
97
98
99
100
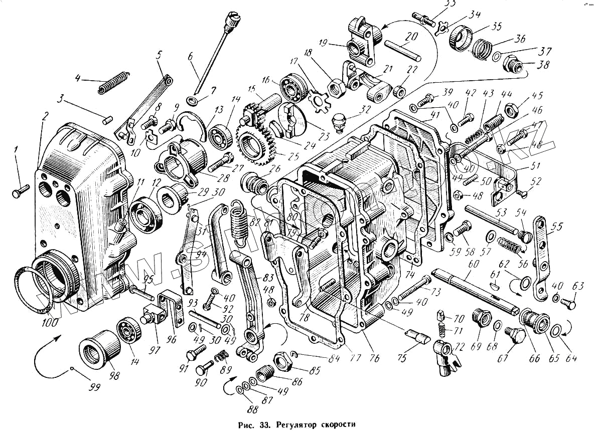
| Позиция на иллюстрации | Заводской номер детали | Название детали | |
|---|---|---|---|
| 236-1110056 | 236-1110056 | Втулка груза регулятора | |
| 236-1110446 | 236-1110446 | Втулка пальца рычага рейки | |
| 236-1110444 | 236-1110444 | Втулка рычага рейки | |
| 236-1110493 | 236-1110493 | Гнездо корпуса буферной пружины | |
| 236-1110202 | 236-1110202 | Головка указателя уровня масла | |
| 236-1110047 | 236-1110047 | Груз регулятора | |
| 236-1110040-А | 236-1110040-А | Державка грузов со стаканом в сборе | |
| 313978-П29 | 313978-П29 | Заглушка | |
| 313955-П15 | 313955-П15 | Заглушка втулки вала рычага пружины | |
| 313010-П15 | 313010-П15 | Заклепка | |
| 236-1110020-В | 236-1110020-В | Корпус регулятора в сборе | |
| 236-1110125-А2 | 236-1110125-А2 | Крышка регулятора в сборе | |
| 236-1110498-Б | 236-1110498-Б | Крышка смотрового люка | |
| 236-1110130-А | 236-1110130-А | Кулиса в сборе | |
| 236-1110060 | 236-1110060 | Муфта грузов в сборе | |
| 236-1110534 | 236-1110534 | Ось ролика груза | |
| 317837-П | 317837-П | Палец | |
| 313701-П | 313701-П | Палец рейки | |
| 317839-П | 317839-П | Палец рычага рейки | |
| 236-1110458 | 236-1110458 | Планка тяги рейки пружинная | |
| 238НБ-1110381 | 238НБ-1110381 | Поводок скобы кулисы | |
| 236-1110442 | 236-1110442 | Рычаг рейки | |
| 236-1110150-Б2 | 236-1110150-Б2 | Рычаг управления регулятором | |
| 236-1110382-А | 236-1110382-А | Скоба кулисы | |
| 236-1110456 | 236-1110456 | Тяга рейки | |
| 236-1110207-Б | 236-1110207-Б | Указатель уровня масла | |
| 236-1110155-Б | 236-1110155-Б | Упор рычага управления | |
| 258012-П15 | 258012-П15 | Шплинт | |
| 1 | 260003-П15 | Палец пружины рычага рейки | |
| 2 | 236-1110022-А | Корпус регулятора | |
| 3 | 258639-П15 | Штифт | |
| 4 | 236-1110448 | Пружина рычага рейки | |
| 5 | 236-1110454 | Тяга рейки с пружинной планкой в сборе | |
| 6 | 236-1110206-Б | Указатель уровня масла в сборе | |
| 7 | 236-1111278 | Шайба уплотнительная указателя уровня масла | |
| 8 | 311200-П29 | Винт | |
| 9 | 310139-П15 | Болт | |
| 10 | 312529-П15 | Шайба стопорная | |
| 11 | 236-1110209-Б | Втулка направляющая | |
| 12 | 236-1111186-А | Сальник крышки подшипника с пружиной в сборе | |
| 13 | 236-1110564-Б | Кольцо пружинное | |
| 14 | 926200 | Шарикоподшипник муфты грузов | |
| 14 | 926200 | Шарикоподшипник муфты грузов | |
| 15 | 236-111 0051-Б | Валик державки грузов | |
| 16 | 50202 | Шарикоподшипник валика державки грузов | |
| 17 | 312556-П15 | Шайба стопорная | |
| 18 | 250634-П15 | Гайка | |
| 19 | 236-1110046-Б | Державка грузов | |
| 20 | 236-1110049 | Ось грузов регулятора | |
| 21 | 236-1110045 | Груз регулятора в сборе | |
| 22 | 236-1110532 | Ролик груза регулятора | |
| 23 | 236-1110521 | Фланец втулки ведущей шестерни | |
| 24 | 236-1110517-Б | Сухарь ведущей шестерни | |
| 25 | 236-1110516-Б | Шестерня регулятора ведущая | |
| 26 | 236-1110474-Б | Втулка вала рычага пружины в сборе | |
| 27 | 310140-П15 | Болт | |
| 28 | 236-1110558-Б | Стакан подшипников валика державки | |
| 29 | 236-1110518-Б | Втулка ведущей шестерни | |
| 30 | 258012-П15 | Шплинт | |
| 31 | 236-1110440 | Рычаг рейки в сборе | |
| 32 | 236-1111260 | Сапун в сборе | |
| 33 | 236-1110376 | Ось рычага останова двигателя | |
| 34 | 236-1110262 | Шайба скобы кулисы | |
| 35 | 236-1110398 | Крышка возвратной пружины | |
| 36 | 236-1110396 | Пружина скобы кулисы возвратная | |
| 37 | 236-1110394 | Кольцо уплотнительное оси кулисы | |
| 38 | 236-1110134-Б | Ввертыш оси кулисы | |
| 39 | 310611-П15 | Винт | |
| 40 | 252154-П29 | Шайба | |
| 40 | 252154-П29С | Шайба пружинная | |
| 41 | 236-1110496-Б | Крышка смотрового люка в сборе | |
| 42 | 222525-П45 | Винт крепления крышки смотрового люка | |
| 43 | 236-1110490 | Пружина буферная | |
| 44 | 236-1110492 | Корпус буферной пружины | |
| 45 | 311511-П15 | Контргайка корпуса буферной пружины | |
| 46 | 310611-П15 | Винт | |
| 47 | 310142-П15 | Болт регулировочный | |
| 48 | 250508-П29 | Гайка М6 | |
| 49 | 312370-П15 | Шайба | |
| 49 | 312652-П15 | Шайба регулировочная (количество по потребности) | |
| 50 | 236-1110200 | Винт регулировочный | |
| 51 | 236-1110380-А | Скоба .кулисы в сборе | |
| 52 | 220077-П29 | Винт-заглушка | |
| 53 | 236-1110088 | Ось рычага | |
| 54 | 310608-П15 | Винт-заглушка | |
| 55 | 236-1110149-Б2 | Рычаг управления регулятором в сборе | |
| 56 | 236-1110089 | Пружина компенсационная | |
| 57 | 312700-П15 | Шайба | |
| 58 | 222580-П29 | Винт | |
| 59 | 312442-П | Шайба | |
| 60 | 236-1110467 | Вал рычага пружины | |
| 61 | 314003-П | Шпонка сегментная | |
| 62 | 312347-П15 | Шайба | |
| 63 | 201418-П29 | Болт | |
| 64 | 236-1110482 | Кольцо вала рычага пружины уплотнительное | |
| 65 | 236-111 0476-Б | Втулка вала рычага пружины | |
| 66 | 236-1110479 | Кольцо втулки вала уплотнительное | |
| 67 | 236-1110390 | Ось скобы | |
| 68 | 312353-П | Шайба | |
| 69 | 236-1110392 | Ввертыш оси скобы | |
| 70 | 236-1110372-Б | Фиксатор кулисы | |
| 71 | 236-1110374-Б | Пружина фиксатора | |
| 72 | 236-1110132-Б | Кулиса | |
| 73 | 222539-П15 | Винт крепления крышки регулятора | |
| 74 | 236-1110499-А | Прокладка крышки смотрового люка | |
| 75 | 236-1110136-Б | Ось кулисы | |
| 76 | 236-1110129-В2 | Крышка регулятора | |
| 77 | 236-1110154-А | Прокладка крышки регулятора | |
| 78 | 236-1110201 | Винт регулировочный | |
| 79 | 242519-П15 | Винт регулировочный | |
| 80 | 250511-П29С | Гайка | |
| 81 | 236-1110080 | Рычаг двуплечий | |
| 82 | 236-1110462 | Пружина регулятора | |
| 83 | 238НБ-1110406 | Рычаг регулятора | |
| 84 | 236-1110418 | Кольцо пружинное упорное | |
| 85 | 311512-П15 | Контргайка | |
| 86 | 236-1110416 | Корпус пружины корректора | |
| 87 | 236-1110141 | Шайба регулировочная (количество по потребности) | |
| 88 | 236-1110140 | Шайба регулировочная (количество по потребности) | |
| 89 | 236-1110414 | Пружина корректора | |
| 90 | 236-1110412 | Корректор | |
| 91 | 310305-П15 | Болт регулировочный | |
| 92 | 201418-П15 | Болт | |
| 93 | 236-1110066 | Ось упорной пяты | |
| 94 | 236-1110466-А | Рычаг пружины | |
| 95 | 317849-П15 | Палец | |
| 96 | 236-1110433 | Серьга регулятора | |
| 97 | 236-1110065 | Пята упорная | |
| 98 | 236-1110062 | Муфта грузов | |
| 99 | 236-1110064 | Шарик | |
| 100 | 236-1111196 | Кольцо уплотнительное корпуса регулятора |
Содержащиеся в справочниках-каталогах запасные части и детали не предлагаются к продаже, а носят исключительно информационный характер