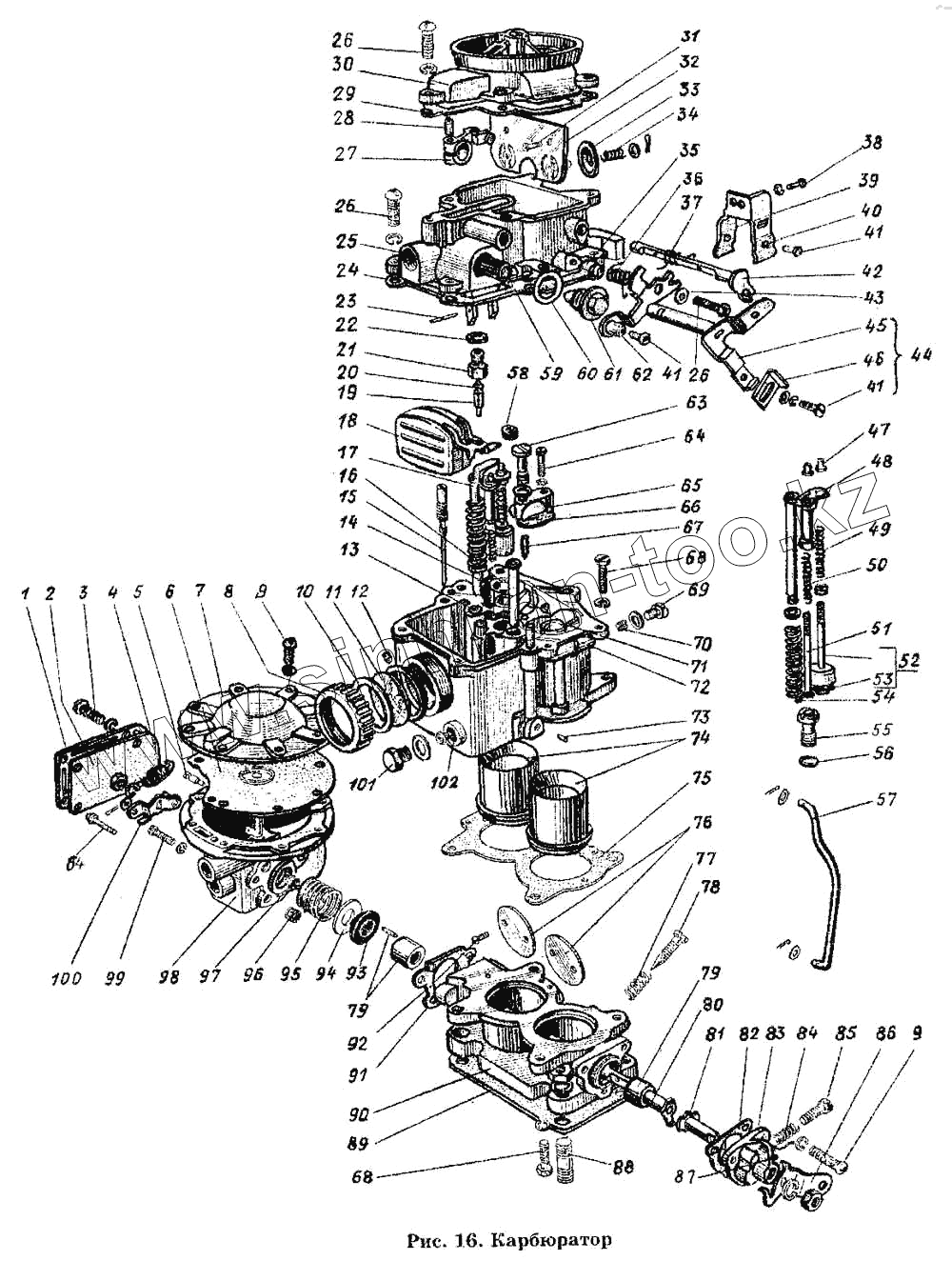
Каталог запасных частей к технике: ГАЗ-53 А. Карбюратор
1
2
3
4
5
6
7
8
9
9
9
10
11
12
13
14
15
16
17
18
19
20
21
22
23
24
25
26
26
26
27
28
29
30
31
32
33
34
35
36
37
38
39
40
41
41
41
42
43
44
45
46
47
48
49
50
51
52
53
54
55
56
57
58
59
60
61
62
63
64
64
64
65
66
67
68
68
69
70
71
72
73
74
75
76
77
78
79
79
80
81
82
83
84
85
86
87
88
89
90
91
92
93
94
95
96
97
98
99
100
101
102
| Позиция на иллюстрации | Заводской номер детали | Название детали | |
|---|---|---|---|
| 900812-1 | 900812-1 | Гайка | |
| 900804-0 | 900804-0 | Гайка М8х1-6Н | |
| 250503-П8 | 250503-П8 | Гайка М8х1-4Н5Н | |
| К126-1107370 | К126-1107370 | Заслонка воздушная в сборе | |
| К126Б-1107010 | К126Б-1107010 | Карбюратор в сборе | |
| К126Б-1107330-А | К126Б-1107330-А | Клапан подачи горючего в сборе | |
| К126Б-1107200 | К126Б-1107200 | Корпус поплавковой камеры в сборе | |
| К126Б-1107150 | К126Б-1107150 | Корпус смесительной камеры в сборе | |
| К126Б-1107100 | К126Б-1107100 | Корпус смесительной камеры с пневмоцентробежным ограничителем в сборе | |
| К126Б-1107300 | К126Б-1107300 | Крышка поплавковой камеры в сборе | |
| К126Б-1107160 | К126Б-1107160 | Механизм диафрагменный в сборе | |
| К126Б-1107120 | К126Б-1107120 | Подшипник оси привода в сборе | |
| 451303 | 451303 | Прокладка | |
| 451304 | 451304 | Прокладка | |
| 451305 | 451305 | Прокладка | |
| К59-1107217 | К59-1107217 | Шайба | |
| 901048-0 | 901048-0 | Шайба 4 | |
| 901013-0 | 901013-0 | Шайба 8,2х0,3 | |
| 900902-0 | 900902-0 | Шайба 5 | |
| 900903-0 | 900903-0 | Шайба 6 | |
| 900901-0 | 900901-0 | Шайба пружинная 4Н65Г | |
| 900902-0 | 900902-0 | Шайба 5 | |
| 900903-0 | 900903-0 | Шайба 6 | |
| 900904-0 | 900904-0 | Шайба пружинная 8Н65Г (ГОСТ 6402-70) | |
| 252135-П2 | 252135-П2 | Шайба 8Т ОСТ 37.001.115-75 | |
| 901048-0 | 901048-0 | Шайба 4 | |
| 901019-0 | 901019-0 | Шайба 3 | |
| 45 9871 1001 | 45 9871 1001 | Шплинт 901101 | |
| 901106 | 901106 | Шплинт 1,0х10 | |
| 298348-П29 | 298348-П29 | Штуцер КГ 1/4" | |
| 1 | К126Б-1107182 | Крышка | |
| 2 | К126Б-1107181-А | Прокладка крышки | |
| 3 | 220050-П29 | Винт М4-6gх8 ОСТ 37.001.127-81 | |
| 4 | К126Б-1107158-11 | Пружина ограничительная | |
| 5 | К126Б-1107161 | Винт пружины | |
| 6 | К126Б-1107170 | Диафрагма в сборе | |
| 7 | К126Б-1107175 | Крышка в сборе | |
| 8 | К126Н-1107216 | Гайка | |
| 9 | 220079-П29 | Винт М5-6gх14 | |
| 9 | 220079-П29 | Винт М5-6gх14 | |
| 10 | К126-1107228-А | Прокладка | |
| 11 | К126-1107225 | Стекло | |
| 12 | 451603 | Заглушка | |
| 13 | К21-1107244 | Шарик | |
| 14 | К126Б-1107226 | Трубка эмульсионная | |
| 15 | К126Б-1107205 | Жиклер топливный | |
| 16 | К126-1107204 | Кольцо стопорное | |
| 17 | К126Б-1107210-А | Привод ускорительного насоса в сборе | |
| 18 | К124-1107320-А | Поплавок в сборе | |
| 19 | К126Н-1107331 | Игла клапана подачи горючего | |
| 20 | К126Н-1107333 | Шайба | |
| 21 | К126Б-1107332-Б | Корпус клапана подачи топлива | |
| 22 | 451305 | Прокладка | |
| 23 | 114-1107304 | Ось поплавка | |
| 24 | К126-1107012-А | Прокладка поплавковой камеры | |
| 25 | К126Б-1107301 | Крышка поплавковой камеры | |
| 26 | 220081-П29 | Винт М5-6gх18 ОСТ 37.001.127-81 | |
| 27 | К126Б-1107355 | Вилка в сборе | |
| 28 | СЛ22-5205502 | Винт стопорный | |
| 29 | К126Б-1107021-А | Прокладка фланца | |
| 30 | К126Б-1107022 | Фланец крышки | |
| 31 | К126П-1107138 | Винт воздушной заслонки | |
| 32 | К126-1107375 | Заслонка воздушная в осью клапана в сборе | |
| 33 | К24-1107423 | Клапан воздушной заслонки | |
| 34 | К123А-1107321 | Пружина | |
| 35 | К23-70 | Втулка пружины рычага привода воздушной заслонки | |
| 36 | К126Б-1107309 | Пружина | |
| 37 | К126Б-1107308 | Пружина | |
| 38 | 220077-П29 | Винт М5-6gх10 ОСТ 37.001.127-81 | |
| 39 | К23-55-01 | Зажим кронштейна тяги | |
| 40 | К126Б-1107302 | Кронштейн | |
| 41 | 900507 | Болт М4-6gх8 | |
| 42 | К126Б-1107310 | Ось воздушной заслонки в сборе | |
| 43 | 901017-0 | Шайба 5,2х1 | |
| 44 | К126Б-1107350 | Ось привода насоса в сборе | |
| 45 | К126Б-1107345 | Ось привода насоса с рычагом в сборе | |
| 46 | К126Б-1107353 | Планка | |
| 47 | К25А-1107228 | Гайка установочная | |
| 48 | К126Б-1107215 | Планка в сборе | |
| 49 | К36-1107014 | Пружина поршня | |
| 50 | К30-1107115 | Пружина поршня | |
| 51 | К124-1107218 | Шток привода экономайзера | |
| 52 | К126Б-1107240 | Поршень в сборе | |
| 53 | К126Ж-1107242 | Манжета | |
| 54 | К34-1107013 | Пружина | |
| 55 | К126Б-1107280 | Клапан экономайзера в сборе | |
| 56 | 901718-0 | Шайба | |
| 57 | К126Б-1107024 | Тяга малых оборотов | |
| 58 | К126Б-1107231 | Жиклер воздушный главной системы | |
| 59 | К59-1107325 | Сетка фильтра в сборе | |
| 60 | 451306 | Прокладка | |
| 61 | К124-1107327 | Пробка фильтра | |
| 62 | К126Б-1107315 | Рычаг привода воздушной заслонки в сборе | |
| 63 | К126П-1107246 | Винт топливопроводящий | |
| 64 | 220056-П29 | Винт М4-6gх20 | |
| 64 | 220056-П29 | Винт М4-6gх20 | |
| 65 | К126Б-1107208 | Распылитель | |
| 66 | К126-1107209-А | Прокладка распылителя | |
| 67 | К21-1107218 | Клапан нагнетательный | |
| 68 | К28Б-1107025 | Болт М6-6gх1 | |
| 69 | 451502 | Пробка | |
| 70 | 906509-0 | Жиклер холостого хода воздушный | |
| 71 | К126Б-1107224 | Диффузор малый | |
| 72 | К126Б-1107201 | Корпус поплавковой камеры | |
| 73 | 451601 | Заглушка | |
| 74 | К126Б-1107013 | Диффузор | |
| 75 | К126-1107014-А | Прокладка смесительной камеры | |
| 76 | К126Б-1107102 | Заслонка дроссельная | |
| 77 | 907103-0 | Пружина регулировочного винта холостого хода | |
| 78 | 105-01107103 | Винт регулировочный холостого хода | |
| 79 | 942/8 | Подшипник в сборе | |
| 80 | К126Б-1107110-Б | Ось дроссельных заслонок в сборе | |
| 81 | К126Б-1107125 | Ось привода в сборе | |
| 82 | К126Б-1107109-А | Прокладка | |
| 83 | К126Б-1107126 | Подшипник оси привода в сборе | |
| 84 | К13-1107113 | Пружина | |
| 85 | К21-1107108 | Винт холостого хода | |
| 86 | К126Б-1107127 | Рычаг дроссельных заслонок | |
| 87 | К126Б-1107131 | Винт упора | |
| 88 | 291747-П2 | Шпилька М8х1-4hх22 | |
| 89 | 49-1107015 | Прокладка между карбюратором и впускной трубой | |
| 90 | К126Б-1107101 | Корпус смесительной камеры | |
| 91 | К126Б-1107154-А | Прокладка | |
| 92 | 220003 | Винт М3х8 | |
| 93 | К126Б-1107151 | Манжета | |
| 94 | К126Б-1107152 | Шайба манжеты | |
| 95 | К126Б-1107153 | Пружина | |
| 96 | К126Б-1107168 | Жиклер вакуумный | |
| 97 | К126Б-1107167 | Жиклер воздушный | |
| 98 | К126Б-1107166 | Корпус диафрагменного механизма | |
| 99 | 220080-П29 | Винт М5-6gх16 | |
| 100 | К126Б-1107155 | Рычаг в сборе | |
| 101 | 451513 | Пробка | |
| 102 | К126Б-1107202-А | Жиклер главный |
Содержащиеся в справочниках-каталогах запасные части и детали не предлагаются к продаже, а носят исключительно информационный характер