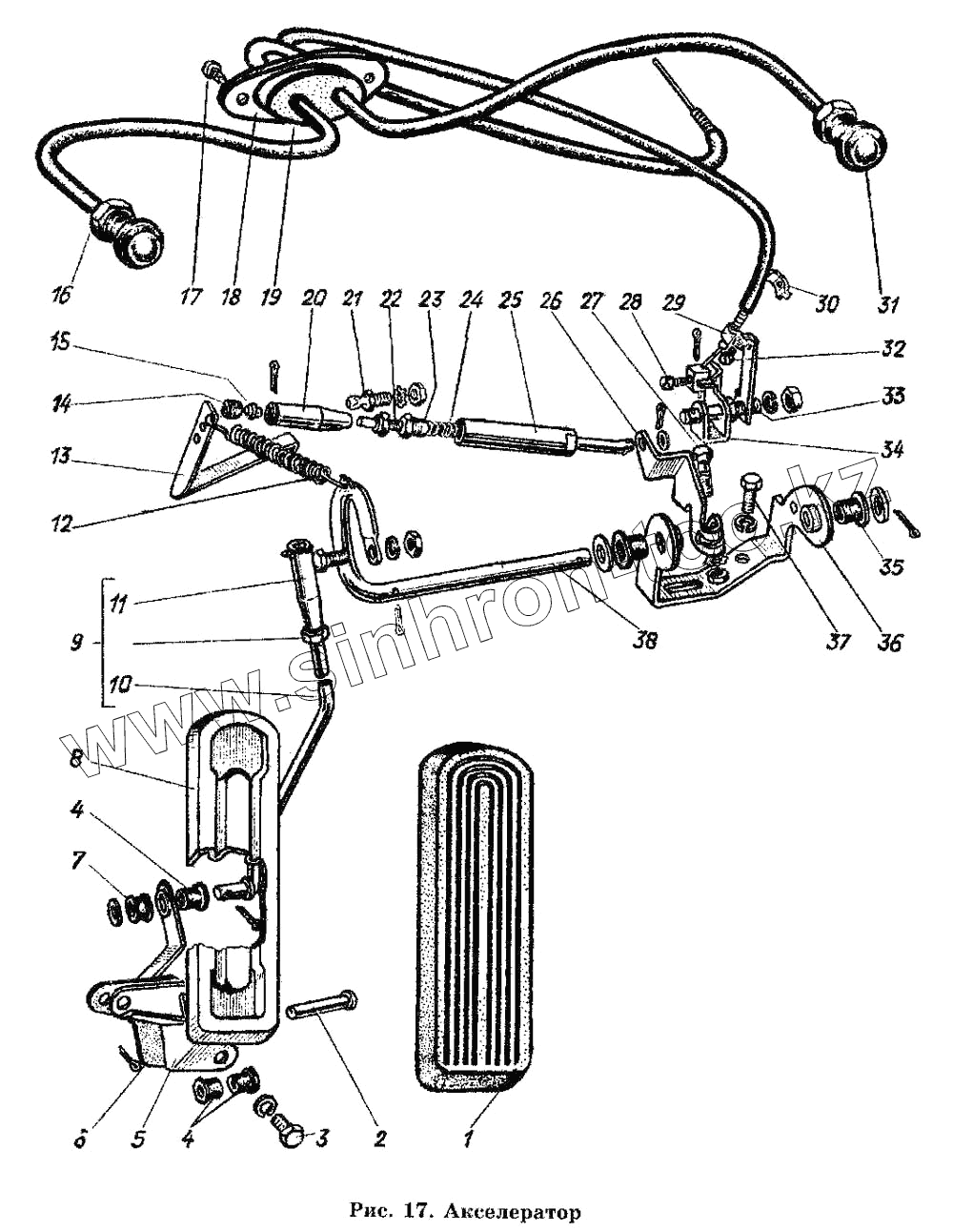
Каталог запасных частей к технике: ГАЗ-53 А. Акселератор
1
2
3
4
4
5
6
7
8
9
10
11
11
12
13
14
14
15
15
16
17
18
19
20
20
21
21
22
23
24
25
26
27
28
29
30
31
32
33
34
35
36
37
38
| Позиция на иллюстрации | Заводской номер детали | Название детали | |
|---|---|---|---|
| 252154-П2 | 252154-П2 | Шайба 6Л ОСТ 37.001.115-75 | |
| 53-1108029 | 53-1108029 | Валик акселератора с кронштейном и рычагами в сборе | |
| 258038-П | 258038-П | Шплинт 2,7х15 | |
| 258038-П | 258038-П | Шплинт 2,7х15 | |
| 258012-П | 258012-П | Шплинт 2х12 | |
| 258012-П | 258012-П | Шплинт 2х12 | |
| 258003-П | 258003-П | Шплинт 1,5х20 | |
| 258003-П | 258003-П | Шплинт 1,5х20 | |
| 252155-П2 | 252155-П2 | Шайба 8Л ОСТ 37.001.115-75 | |
| 252234-П29 | 252234-П29 | Шайба 2-6 ОСТ 37.001.146-75 | |
| 252134-П2 | 252134-П2 | Шайба 6Т ОСТ 37.001.115-75 | |
| 252234-П29 | 252234-П29 | Шайба 2-6 ОСТ 37.001.146-75 | |
| 252177-П29 | 252177-П29 | Шайба 2-12 ОСТ 37.001.145-75 | |
| 250608-П8 | 250608-П8 | Гайка М6 | |
| 250615-П8 | 250615-П8 | Гайка М12х1,25 | |
| 250608-П8 | 250608-П8 | Гайка М6 | |
| 252004-П8 | 252004-П8 | Шайба 6 | |
| 250608-П8 | 250608-П8 | Гайка М6 | |
| 250608-П8 | 250608-П8 | Гайка М6 | |
| 250610-П8 | 250610-П8 | Гайка М8х1,25 | |
| 13-1108069 | 13-1108069 | Кронштейн оболочки тяги ручного управления акселератором в сборе | |
| 53-1108010 | 53-1108010 | Педаль акселератора в сборе | |
| 53-1108009-Б | 53-1108009-Б | Педаль акселератора с накладкой, прокладкой и втулкой в сборе | |
| 53-1108050 | 53-1108050 | Тяга рычага дроссельной заслонки в сборе | |
| 293324-П29 | 293324-П29 | Шайба 11 | |
| 252004-П8 | 252004-П8 | Шайба 6 | |
| 1 | 52-1108048 | Накладка педали акселератора | |
| 2 | 260017-П8 | Палец 6х32 педали | |
| 3 | 201416-П8 | Болт М6-6gх12 | |
| 4 | 52-110898 | Втулка педали акселератора | |
| 4 | 52-1108098 | Втулка тяги педали акселератора | |
| 5 | 52-1108033-Б | Кронштейн педали акселератора | |
| 6 | 52-1108085 | Прокладка кронштейна педали акселератора | |
| 7 | 52-1108099 | Втулка рычага педали акселератора | |
| 8 | 23А-1108011 | Педаль акселератора с рычагом в сборе | |
| 9 | 53-1108034 | Тяга педали акселератора в сборе | |
| 10 | 53-1108035 | Тяга педали акселератора с шайбой в сборе | |
| 11 | 21-1712155 | Наконечник шарнирный в сборе | |
| 11 | 21-1712155 | Наконечник шарнирный в сборе | |
| 12 | 51-1106175 | Пружина акселератора | |
| 13 | 13-1108038 | Кронштейн пружины акселератора | |
| 14 | 21-1108061-Б | Пробка наконечника | |
| 14 | 21-1108061-Б | Пробка наконечника | |
| 15 | 70-142892 | Сухарь наконечника | |
| 15 | 70-142892 | Сухарь наконечника | |
| 16 | 53-1108100 | Тяга воздушной заслонки в сборе | |
| 17 | 240037-П8 | Винт 5х15 | |
| 18 | 52-1108113 | Обойма уплотнителя оболочек тяг акселератора | |
| 19 | 52-1108110-А | Уплотнитель оболочек тяг акселератора | |
| 20 | 21-1712156 | Наконечник тяги привода силового регулятора коробки передач | |
| 20 | 21-1712156 | Наконечник тяги привода силового регулятора коробки передач | |
| 21 | 21-1108059-А | Палец шаровой наконечника | |
| 21 | 21-1108059-А | Палец шаровой наконечника | |
| 22 | 53-1108044 | Тяга рычага дроссельной заслонки | |
| 23 | 52-1108143 | Гайка | |
| 24 | 52-1108042 | Пружина тяги рычага дроссельной заслонки | |
| 25 | 53-1108078 | Тяга рычага валика акселератора в сборе | |
| 26 | 53-1108065 | Рычаг валика акселератора | |
| 27 | 201422-П8 | Болт М6-6gх25 | |
| 28 | 222496-П8 | Винт М5-6gх8 ОСТ 37.001.128-96 | |
| 29 | 13-1108070 | Кронштейн оболочки тяги ручного управления акселератором | |
| 30 | 52-1108071 | Зажим | |
| 31 | 53-1108120 | Тяга ручного управления акселератором в сборе | |
| 32 | 224598-П8 | Винт М5-6gх12 | |
| 33 | 69-1108124 | Шпилька | |
| 34 | 13-1108122 | Рычаг тяги ручного управления акселератором в сборе | |
| 35 | 21-1108041-Б | Втулка валика акселератора | |
| 36 | 53-1108039 | Кронштейн валика акселератора | |
| 37 | 201417-П29 | Болт М6-6gх14 ОСТ 37.001.123-96 | |
| 38 | 66-1108031 | Валик акселератора |
Содержащиеся в справочниках-каталогах запасные части и детали не предлагаются к продаже, а носят исключительно информационный характер