Каталог запасных частей к технике: ГАЗ-51 (63, 93). Передние рессоры
51-2902012-Г
63А-2902012-Б
1
1
1
2
2
2
3
3
3
4
4
4
5
5
5
6
6
6
7
7
7
8
8
8
9
9
9
10
10
10
11
11
12
12
12
13
13
14
15
15
15
16
17
18
19
19
19
20
20
20
21
21
21
22
22
22
23
23
23
24
24
24
25
25
25
26
26
26
27
27
27
28
28
28
29
29
29
30
30
30
31
31
31
32
32
33
33
34
34
34
35
35
35
36
36
37
37
38
38
38
39
39
40
40
41
41
42
42
43
43
44
44
44
| Позиция на иллюстрации | Заводской номер детали | Название детали | |
|---|---|---|---|
| 51-2902012-Г | 51-2902012-Г | Рессора передняя в сборе | |
| 253691-П | 253691-П | Заклепка крепления хомута | |
| 253691-П | 253691-П | Заклепка крепления хомута | |
| 253691-П | 253691-П | Заклепка крепления хомута | |
| 253691-П | 253691-П | Заклепка крепления хомута | |
| 252806-П | 252806-П | Заклепка крепления угольника | |
| 252806-П | 252806-П | Заклепка крепления угольника | |
| 252809-П | 252809-П | Заклепка крепления усилительной пластины | |
| 201521-П8 | 201521-П8 | Болт М10х1-6gх32 | |
| 51-2902012-Г | 51-2902012-Г | Рессора передняя в сборе | |
| 253691-П | 253691-П | Заклепка крепления хомута | |
| 253691-П | 253691-П | Заклепка крепления хомута | |
| 253691-П | 253691-П | Заклепка крепления хомута | |
| 253691-П | 253691-П | Заклепка крепления хомута | |
| 63-2902412-Б1 | 63-2902412-Б1 | Накладка передней рессоры | |
| 63-2902408-Б | 63-2902408-Б | Стремянка передней рессоры | |
| 292931-П8 | 292931-П8 | Гайка М20х1,5-4Н5Н | |
| 252141-П2 | 252141-П2 | Шайба 20.ОТ ОСТ 37.001.115-75 | |
| 252806-П | 252806-П | Заклепка крепления угольника | |
| 252806-П | 252806-П | Заклепка крепления угольника | |
| 252809-П | 252809-П | Заклепка крепления усилительной пластины | |
| 201521-П8 | 201521-П8 | Болт М10х1-6gх32 | |
| 63А-2902012-Б | 63А-2902012-Б | Рессора передняя в сборе | |
| 253691-П | 253691-П | Заклепка крепления хомута | |
| 63А-2902103-Б | 63А-2902103-Б | Лист № 3 передней рессоры | |
| 63А-2902104-Б | 63А-2902104-Б | Лист № 4 передней рессоры | |
| 63А-2902052-Б1 | 63А-2902052-Б1 | Лист № 5 передней рессоры с хомутами в сборе | |
| 63А-2902062-Б1 | 63А-2902062-Б1 | Хомут четвертого листа задней рессоры | |
| 253691-П | 253691-П | Заклепка крепления хомута | |
| 63А-2902054 | 63А-2902054 | Лист № 6 передней рессоры с хомутом в сборе | |
| 40А-2912062-Б | 40А-2912062-Б | Хомут листа № 8 передней рессоры | |
| 253691-П | 253691-П | Заклепка крепления хомута | |
| 63А-2902053-Б1 | 63А-2902053-Б1 | Лист № 8 передней рессоры с хомутами в сборе | |
| 63А-2902063-Б1 | 63А-2902063-Б1 | Хомут листа № 8 передней рессоры | |
| 253691-П | 253691-П | Заклепка крепления хомута | |
| 209472-П2 | 209472-П2 | Болт М10х1х85 листов задней дополнительной рессоры | |
| 63-2902412-Б1 | 63-2902412-Б1 | Накладка передней рессоры | |
| 63-2902408-Б | 63-2902408-Б | Стремянка передней рессоры | |
| 292931-П8 | 292931-П8 | Гайка М20х1,5-4Н5Н | |
| 252141-П2 | 252141-П2 | Шайба 20.ОТ ОСТ 37.001.115-75 | |
| 252806-П | 252806-П | Заклепка крепления угольника | |
| 252809-П | 252809-П | Заклепка крепления усилительной пластины | |
| 252806-П | 252806-П | Заклепка крепления угольника | |
| 252809-П | 252809-П | Заклепка крепления усилительной пластины | |
| 201521-П8 | 201521-П8 | Болт М10х1-6gх32 | |
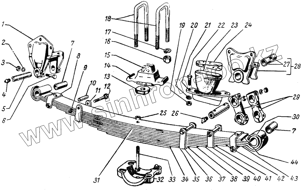
| 1 | 51-2902444 | Кронштейн передний | |
| 1 | 51-2902444 | Кронштейн передний | |
| 1 | 51-2902444 | Кронштейн передний | |
| 2 | 252136-П2 | Шайба 10 ОТ ОСТ 37.001.115-75 | |
| 2 | 252136-П2 | Шайба 10 ОТ ОСТ 37.001.115-75 | |
| 2 | 252136-П2 | Шайба 10 ОТ ОСТ 37.001.115-75 | |
| 3 | 250513-П8 | Гайка М10х1-6Н | |
| 3 | 250513-П8 | Гайка М10х1-6Н | |
| 3 | 250513-П8 | Гайка М10х1-6Н | |
| 4 | 264020-П8 | Пресс-масленка К 1/8" | |
| 4 | 264020-П8 | Пресс-масленка К 1/8" | |
| 4 | 264020-П8 | Пресс-масленка К 1/8" | |
| 5 | 51-2902478 | Палец | |
| 5 | 51-2902478 | Палец | |
| 5 | 51-2902478 | Палец | |
| 6 | 290825-П8 | Болт М10х1х58 | |
| 6 | 290825-П8 | Болт М10х1х58 | |
| 6 | 290825-П8 | Болт М10х1х58 | |
| 7 | 51-2902028 | Втулка ушка передней рессоры | |
| 7 | 51-2902028 | Втулка ушка передней рессоры | |
| 7 | 51-2902028 | Втулка ушка передней рессоры | |
| 8 | 51-2902061-Б | Хомут четвертого листа передней рессоры | |
| 8 | 51-2902061-Б | Хомут четвертого листа передней рессоры | |
| 8 | 51-2902061-Б | Хомут четвертого листа передней рессоры | |
| 9 | 250510-П2 | Гайка М8-6Н ОСТ 37.001.124-93 | |
| 9 | 250510-П2 | Гайка М8-6Н ОСТ 37.001.124-93 | |
| 9 | 250510-П2 | Гайка М8-6Н ОСТ 37.001.124-93 | |
| 10 | 51-2902068 | Втулка распорная хомута рессоры | |
| 10 | 51-2902068 | Втулка распорная хомута рессоры | |
| 10 | 51-2902068 | Втулка распорная хомута рессоры | |
| 11 | 51-2902063-Б | Хомут листа № 6 передней рессоры | |
| 11 | 51-2902063-Б | Хомут листа № 6 передней рессоры | |
| 12 | 200277-П2 | Болт М8-6gх90 ОСТ 37.001.122-96 | |
| 12 | 200277-П2 | Болт М8-6gх90 ОСТ 37.001.122-96 | |
| 12 | 200277-П2 | Болт М8-6gх90 ОСТ 37.001.122-96 | |
| 13 | 63-2902632 | Вкладыш буфера передней рессоры | |
| 13 | 63-2902632 | Вкладыш буфера передней рессоры | |
| 14 | 51-2902412 | Накладка передней рессоры | |
| 15 | 64-5640 | Буфер передней рессоры | |
| 15 | 64-5640 | Буфер передней рессоры | |
| 15 | 64-5640 | Буфер передней рессоры | |
| 16 | 292873-П8 | Гайка М16х1,5 | |
| 17 | 252139-П2 | Шайба 16.ОТ ОСТ 37.001.115-75 | |
| 18 | 51-2902408-Б | Стремянка передней рессоры | |
| 19 | 250513-П8 | Гайка М10х1-6Н | |
| 19 | 250513-П8 | Гайка М10х1-6Н | |
| 19 | 250513-П8 | Гайка М10х1-6Н | |
| 20 | 252136-П2 | Шайба 10 ОТ ОСТ 37.001.115-75 | |
| 20 | 252136-П2 | Шайба 10 ОТ ОСТ 37.001.115-75 | |
| 20 | 252136-П2 | Шайба 10 ОТ ОСТ 37.001.115-75 | |
| 21 | 51-2902674 | Обойма дополнительного буфера | |
| 21 | 51-2902674 | Обойма дополнительного буфера | |
| 21 | 51-2902674 | Обойма дополнительного буфера | |
| 22 | 201519-П8 | Болт 1М10х1х28 | |
| 22 | 201519-П8 | Болт 1М10х1х28 | |
| 22 | 201519-П8 | Болт 1М10х1х28 | |
| 23 | 51-2902684 | Буфер дополнительный | |
| 23 | 51-2902684 | Буфер дополнительный | |
| 23 | 51-2902684 | Буфер дополнительный | |
| 24 | 51-2902690-А | Вкладыш обоймы дополнительного буфера | |
| 24 | 51-2902690-А | Вкладыш обоймы дополнительного буфера | |
| 24 | 51-2902690-А | Вкладыш обоймы дополнительного буфера | |
| 25 | 250513-П2 | Гайка М10х1 | |
| 25 | 250513-П2 | Гайка М10х1 | |
| 25 | 250513-П2 | Гайка М10х1 | |
| 26 | 264030-П8 | Пресс-масленка 2.3.45.Ц6 | |
| 26 | 264030-П8 | Пресс-масленка 2.3.45.Ц6 | |
| 26 | 264030-П8 | Пресс-масленка 2.3.45.Ц6 | |
| 27 | 51-2902504-А | Втулка вертикального ролика троса лебедки | |
| 27 | 51-2902504-А | Втулка вертикального ролика троса лебедки | |
| 27 | 51-2902504-А | Втулка вертикального ролика троса лебедки | |
| 28 | 51-2902442-А | Кронштейн задний с втулками в сборе | |
| 28 | 51-2902442-А | Кронштейн задний с втулками в сборе | |
| 28 | 51-2902442-А | Кронштейн задний с втулками в сборе | |
| 29 | 51-2902466 | Серьга | |
| 29 | 51-2902466 | Серьга | |
| 29 | 51-2902466 | Серьга | |
| 30 | 51-2902015-Б | Лист № 1 с втулками в сборе (По выбору) | |
| 30 | 51-2902015-Б | Лист № 1 с втулками в сборе (По выбору) | |
| 30 | 51-2902015-Б | Лист № 1 с втулками в сборе (По выбору) | |
| 31 | 51-2902102-Г | Лист № 2 передней рессоры | |
| 31 | 51-2902102-Г | Лист № 2 передней рессоры | |
| 31 | 51-2902102-Г | Лист № 2 передней рессоры | |
| 32 | 51-2912418-А | Подкладка передней рессоры | |
| 32 | 51-2912418-А | Подкладка передней рессоры | |
| 33 | 209470-П2 | Болт 1М 10х1х78 передней рессоры центровой | |
| 33 | 209470-П2 | Болт 1М 10х1х78 передней рессоры центровой | |
| 34 | 51-2902110-В | Лист № 10 передней рессоры | |
| 34 | 51-2902110-В | Лист № 10 передней рессоры | |
| 34 | 51-2902110-В | Лист № 10 передней рессоры | |
| 35 | 51-2902109-В | Лист № 9 передней рессоры | |
| 35 | 51-2902109-В | Лист № 9 передней рессоры | |
| 35 | 51-2902109-В | Лист № 9 передней рессоры | |
| 36 | 40А-2912062-Б | Хомут листа № 8 передней рессоры | |
| 36 | 51-2912062-А | Хомут восьмого листа передней рессоры | |
| 37 | 51-2902053-В1 | Лист № 8 передней рессоры с хомутами в сборе | |
| 37 | 51-2902053-В1 | Лист № 8 передней рессоры с хомутами в сборе | |
| 38 | 51-2902107-В | Лист № 7 передней рессоры | |
| 38 | 51-2902107-В | Лист № 7 передней рессоры | |
| 38 | 51-2902107-В | Лист № 7 передней рессоры | |
| 39 | 51-2902054 | Лист № 6 передней рессоры с хомутом в сборе | |
| 39 | 51-2902054 | Лист № 6 передней рессоры с хомутом в сборе | |
| 40 | 51-2902062-В1 | Хомут листа № 5 передней рессоры | |
| 40 | 51-2902062-В1 | Хомут листа № 5 передней рессоры | |
| 41 | 51-2902052-Г1 | Лист №5 передней рессоры с хомутом в сборе | |
| 41 | 63-2902052 | Лист № 5 передней рессоры с хомутом в сборе | |
| 42 | 51-2902104-В1 | Лист № 4 передней рессоры | |
| 42 | 51-2902104-В | Лист № 4 передней рессоры | |
| 43 | 51-2902103-В | Лист № 3 передней рессоры | |
| 43 | 51-2902103-В | Лист № 3 передней рессоры | |
| 44 | 51-2902051-В2 | Лист обратный передней рессоры с хомутами в сборе | |
| 44 | 51-2902051-В1 | Лист передней рессоры обратный с хомутами в сборе | |
| 44 | 51-2902051-В1 | Лист передней рессоры обратный с хомутами в сборе |
Содержащиеся в справочниках-каталогах запасные части и детали не предлагаются к продаже, а носят исключительно информационный характер