Каталог запасных частей к технике: ГАЗ-51 (63, 93). Амортизаторы передней подвески
51-2905006-Б1
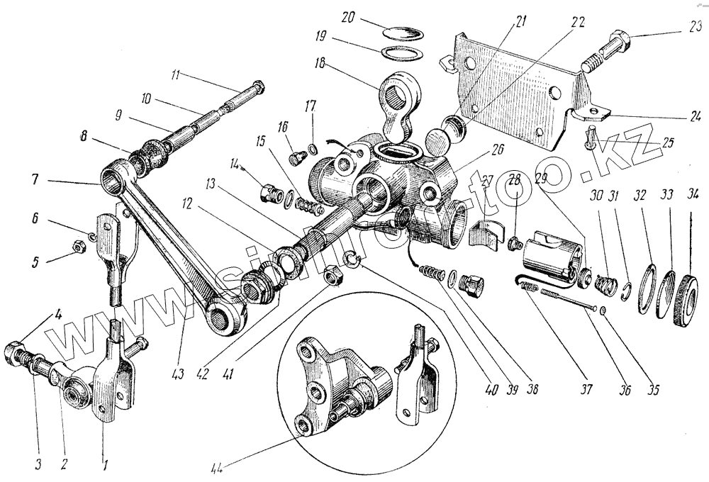
1
2
3
4
5
5
6
6
7
7
8
8
8
8
9
9
9
9
10
10
10
10
11
11
12
12
13
13
14
14
15
15
16
16
17
17
18
18
19
19
20
20
21
21
22
22
23
23
24
24
25
25
26
27
27
28
28
29
29
30
30
31
31
32
32
33
33
34
34
35
35
36
36
37
37
38
38
39
39
40
40
41
41
42
42
43
43
44
| Позиция на иллюстрации | Заводской номер детали | Название детали | |
|---|---|---|---|
| 51-2905006-Б1 | 51-2905006-Б1 | Амортизатор передней подвески правый в сборе | |
| 51-2905007-Б1 | 51-2905007-Б1 | Амортизатор передней подвески левый в сборе | |
| 11-18017-Б | 11-18017-Б | Втулка валика амортизатора - большая | |
| 11-18018-Б | 11-18018-Б | Втулка валика амортизатора - малая | |
| 20-2915320-А | 20-2915320-А | Скоба стопорная амортизатора задней подвески | |
| 51-2905540 | 51-2905540 | Кронштейн амортизатора передней подвески | |
| ВК-51-2905402 | ВК-51-2905402 | Амортизаторы со скобами в сборе | |
| 51-2905006-Б1 | 51-2905006-Б1 | Амортизатор передней подвески правый в сборе | |
| 51-2905007-Б1 | 51-2905007-Б1 | Амортизатор передней подвески левый в сборе | |
| 11-18017-Б | 11-18017-Б | Втулка валика амортизатора - большая | |
| 11-18018-Б | 11-18018-Б | Втулка валика амортизатора - малая | |
| 20-2915320-А | 20-2915320-А | Скоба стопорная амортизатора задней подвески | |
| 51-2905430-В1 | 51-2905430-В1 | Стойка амортизатора передней подвески | |
| 51-2905540 | 51-2905540 | Кронштейн амортизатора передней подвески | |
| ВК-51-2905402 | ВК-51-2905402 | Амортизаторы со скобами в сборе | |
| 1 | 51-2905430-В2 | Стойка амортизатора передней подвески | |
| 2 | 51-2905472 | Проушина стойки амортизатора передней подвески | |
| 3 | 252139-П2 | Шайба 16.ОТ ОСТ 37.001.115-75 | |
| 4 | 250561-П8 | Гайка М16х1,5 | |
| 5 | 250789-П8 | Гайка 1М8х1 | |
| 5 | 250789-П8 | Гайка 1М8х1 | |
| 6 | 252155-П2 | Шайба 8Л ОСТ 37.001.115-75 | |
| 6 | 252155-П2 | Шайба 8Л ОСТ 37.001.115-75 | |
| 7 | 51-2905126-В | Рычаг амортизатора передней подвески | |
| 7 | 51-2905126-В | Рычаг амортизатора передней подвески | |
| 8 | 11-18078 | Втулка рычага и проушины стойки амортизатора задней подвески резиновая | |
| 8 | 11-18078 | Втулка рычага и проушины стойки амортизатора задней подвески резиновая | |
| 8 | 11-18078 | Втулка рычага и проушины стойки амортизатора задней подвески резиновая | |
| 8 | 11-18078 | Втулка рычага и проушины стойки амортизатора задней подвески резиновая | |
| 9 | 11-18080 | Втулка (бронзовая) головки рычага амортизатора | |
| 9 | 11-18080 | Втулка (бронзовая) головки рычага амортизатора | |
| 9 | 11-18080 | Втулка (бронзовая) головки рычага амортизатора | |
| 9 | 11-18080 | Втулка (бронзовая) головки рычага амортизатора | |
| 10 | 11-18079 | Втулка рычага и проушины стойки амортизатора задней подвески стальная | |
| 10 | 11-18079 | Втулка рычага и проушины стойки амортизатора задней подвески стальная | |
| 10 | 11-18079 | Втулка рычага и проушины стойки амортизатора задней подвески стальная | |
| 10 | 11-18079 | Втулка рычага и проушины стойки амортизатора задней подвески стальная | |
| 11 | 20-2915418 | Палец стойки амортизатора задней подвески | |
| 11 | 20-2915418 | Палец стойки амортизатора задней подвески | |
| 12 | 20-2915150-Б | Кольцо уплотнительное сальника амортизатора задней подвески (резиновое) | |
| 12 | 20-2915150-Б | Кольцо уплотнительное сальника амортизатора задней подвески (резиновое) | |
| 13 | 20-2915142 | Клапан рабочий хода сжатия амортизатора задней подвески в сборе | |
| 13 | 20-2915142 | Клапан рабочий хода сжатия амортизатора задней подвески в сборе | |
| 14 | 11-2905054 | Пробка рабочего клапана амортизатора | |
| 14 | 11-2905054 | Пробка рабочего клапана амортизатора | |
| 15 | 51-2905240 | Клапан рабочий хода отдачи амортизатора задней подвески в сборе | |
| 15 | 51-2905240 | Клапан рабочий хода отдачи амортизатора задней подвески в сборе | |
| 16 | 11-18023 | Пробка наливного отверстия картера амортизатора | |
| 16 | 11-18023 | Пробка наливного отверстия картера амортизатора | |
| 17 | 11-18024 | Прокладка пробки наливного отверстия картера амортизатора | |
| 17 | 11-18024 | Прокладка пробки наливного отверстия картера амортизатора | |
| 18 | 20-2915110 | Кулачок амортизатора задней подвески | |
| 18 | 20-2915110 | Кулачок амортизатора задней подвески | |
| 19 | 11-18026 | Прокладка заглушки верхнего отверстия картера амортизатора | |
| 19 | 11-18026 | Прокладка заглушки верхнего отверстия картера амортизатора | |
| 20 | 296995-П | Заглушка 52 | |
| 20 | 296995-П | Заглушка 52 | |
| 21 | 11-18025 | Прокладка заглушки заднего отверстия картера амортизатора | |
| 21 | 11-18025 | Прокладка заглушки заднего отверстия картера амортизатора | |
| 22 | 296986-П | Заглушка 30 | |
| 22 | 296986-П | Заглушка 30 | |
| 23 | 291055-П8 | Болт М14х1,5х75 | |
| 23 | 291055-П8 | Болт М14х1,5х75 | |
| 24 | 51-2905541 | Кронштейн амортизатора передней подвески левый | |
| 24 | 51-2905541 | Кронштейн амортизатора передней подвески левый | |
| 25 | 252805-П | Заклепка крепления поперечины № 6 к лонжерону | |
| 25 | 252805-П | Заклепка крепления поперечины № 6 к лонжерону | |
| 26 | 20-2915024 | Картер амортизатора передней подвески | |
| 27 | 11-18035 | Пластина пружинная поршня амортизатора | |
| 27 | 11-18035 | Пластина пружинная поршня амортизатора | |
| 28 | 20-2915170 | Головка упорная поршня амортизатора | |
| 28 | 20-2915170 | Головка упорная поршня амортизатора | |
| 29 | 11-18038 | Тарелка впускного клапана амортизатора в сборе | |
| 29 | 11-18038 | Тарелка впускного клапана амортизатора в сборе | |
| 30 | 11-18044 | Пружина впускного клапана амортизатора | |
| 30 | 11-18044 | Пружина впускного клапана амортизатора | |
| 31 | 11-18045 | Кольцо стопорное пружины впускного клапана амортизатора | |
| 31 | 11-18045 | Кольцо стопорное пружины впускного клапана амортизатора | |
| 32 | 11-18022 | Прокладка крышки днища картера амортизатора | |
| 32 | 11-18022 | Прокладка крышки днища картера амортизатора | |
| 33 | 11-18021 | Пластина крышки днища картера амортизатора | |
| 33 | 11-18021 | Пластина крышки днища картера амортизатора | |
| 34 | 11-18020-А | Крышка днища цилиндра картера амортизатора передней подвески | |
| 34 | 11-18020-А | Крышка днища цилиндра картера амортизатора передней подвески | |
| 35 | 296906-П | Заглушка 9 | |
| 35 | 296906-П | Заглушка 9 | |
| 36 | 290325-П | Винт М4х0,7х62 | |
| 36 | 290325-П | Винт М4х0,7х62 | |
| 37 | 11-18037 | Пружина стяжного винта поршня амортизатора | |
| 37 | 11-18037 | Пружина стяжного винта поршня амортизатора | |
| 38 | 11-2905092 | Прокладка пробки рабочего клапана амортизатора | |
| 38 | 11-2905092 | Прокладка пробки рабочего клапана амортизатора | |
| 39 | 51-2905241 | Клапан хода сжатия амортизатора передней подвески рабочий в сборе | |
| 39 | 51-2905241 | Клапан хода сжатия амортизатора передней подвески рабочий в сборе | |
| 40 | 252138-П2 | Шайба 14.ОТ ОСТ 37.001.115-75 | |
| 40 | 252138-П2 | Шайба 14.ОТ ОСТ 37.001.115-75 | |
| 41 | 250559-П8 | Гайка М14х1,5 | |
| 41 | 250559-П8 | Гайка М14х1,5 | |
| 42 | 20-2915156 | Шайба сальника амортизатора задней подвески | |
| 42 | 20-2915156 | Шайба сальника амортизатора задней подвески | |
| 43 | 20-2915310 | Гайка сальника амортизатора задней подвески | |
| 43 | 20-2915310 | Гайка сальника амортизатора задней подвески | |
| 44 | 63-2905510-В | Кронштейн стойки амортизатора передней подвески |
Содержащиеся в справочниках-каталогах запасные части и детали не предлагаются к продаже, а носят исключительно информационный характер