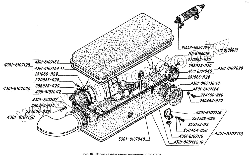
Каталог запасных частей к технике: ГАЗ-3309. Отсек независимого отопителя, отопитель
4301-8107110
288025-П29
288025-П29
П100И-1015438-Б
252153-П2
4301-8107026
4301-8107024
4301-8107134-11
4301-8107122-10
4301-8107156
4301-8107130-10
4301-8107116
4301-8107124
4301-8107150
224598-П29
112-8106010
112-8106015
4301-8107046
4301-8107042
3301-8107048
4301-8107128
4301-8107132
4301-8107114
251086-П29
251086-П29
250464-П29
250464-П29
250464-П29
220086-П29
220086-П29
224600-П29
224600-П29
| Позиция на иллюстрации | Заводской номер детали | Название детали | |
|---|---|---|---|
| 4301-8107110 | 4301-8107110 | Отсек независимого отопителя | |
| 288025-П29 | 288025-П29 | Хомут 80 | |
| П100И-1015438-Б | П100И-1015438-Б | Электросопротивление | |
| 252153-П2 | 252153-П2 | Шайба 5Л ОСТ 37.001.115-75 | |
| 4301-8107026 | 4301-8107026 | Хомут | |
| 4301-8107024 | 4301-8107024 | Хомут | |
| 4301-8107134-11 | 4301-8107134-11 | Уплотнитель крышки | |
| 4301-8107122-10 | 4301-8107122-10 | Прокладка | |
| 4301-8107156 | 4301-8107156 | Прокладка патрубка | |
| 4301-8107130-10 | 4301-8107130-10 | Прокладка впускного патрубка | |
| 4301-8107116 | 4301-8107116 | Прокладка | |
| 4301-8107124 | 4301-8107124 | Патрубок выпускной | |
| 4301-8107150 | 4301-8107150 | Патрубок впускной | |
| 224598-П29 | 224598-П29 | Винт М5-6gх12 ОСТ 37.001.130-81 | |
| 112-8106010 | 112-8106010 | Отопительно-вентиляционная установка | |
| 112-8106015 | 112-8106015 | Отопитель | |
| 4301-8107046 | 4301-8107046 | Лента уплотнительная | |
| 4301-8107042 | 4301-8107042 | Лента уплотнительная | |
| 3301-8107048 | 3301-8107048 | Лента стяжная | |
| 4301-8107128 | 4301-8107128 | Крышка отсека с уплотнителем | |
| 4301-8107132 | 4301-8107132 | Крышка отсека | |
| 4301-8107114 | 4301-8107114 | Кронштейн | |
| 251086-П29 | 251086-П29 | Гайка М5-6Н ОСТ 37.001.112-91 | |
| 250464-П29 | 250464-П29 | Гайка М5-6Н ОСТ 37.001.124-93 | |
| 220086-П29 | 220086-П29 | Винт М5-6gх30 ОСТ 37.001.127-81 | |
| 224600-П29 | 224600-П29 | Винт М5-6gх16 |
Содержащиеся в справочниках-каталогах запасные части и детали не предлагаются к продаже, а носят исключительно информационный характер