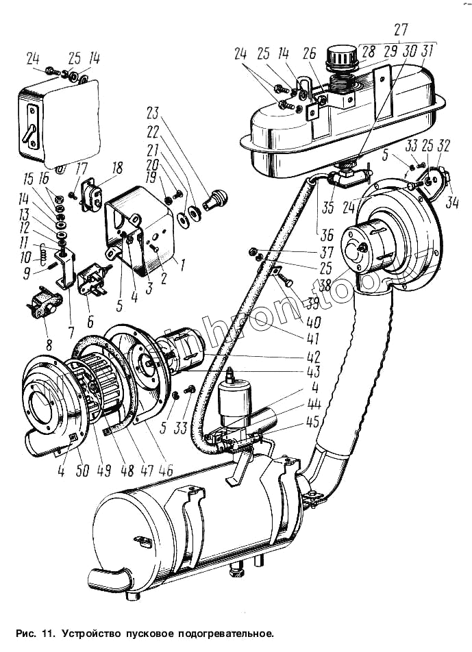
Каталог запасных частей к технике: ГАЗ-3307. Устройство пусковое подогревательное
1
2
3
4
4
4
4
5
5
5
6
7
8
9
10
11
12
13
14
14
14
15
16
17
18
19
20
21
22
23
24
24
24
25
25
25
25
26
27
28
29
30
31
32
33
33
34
35
36
37
38
39
40
41
42
43
44
45
46
47
48
49
50
| Позиция на иллюстрации | Заводской номер детали | Название детали | |
|---|---|---|---|
| 53-1015582 | 53-1015582 | Корпус контрольной спирали со спиралью в сборе | |
| 3307-1015570 | 3307-1015570 | Пульт управления подогревателем в сборе | |
| 1 | 53-1015575-01 | Корпус пульта управления пусковым подогревателем в сборе | |
| 2 | 220081-П29 | Винт М5-6gх18 ОСТ 37.001.127-81 | |
| 3 | 251086-П29 | Гайка М5-6Н ОСТ 37.001.112-91 | |
| 4 | 251082-П29 | Гайка М4-6Н ОСТ 37.001.112-91 | |
| 4 | 251082-П29 | Гайка М4-6Н ОСТ 37.001.112-91 | |
| 5 | 252152-П2 | Шайба 4Л ОСТ 37.001.115-75 | |
| 5 | 252152-П2 | Шайба 4Л ОСТ 37.001.115-75 | |
| 5 | 252152-ПК | Шайба 4Л | |
| 6 | 20-3709010-Б2 | Переключатель электровентилятора и электромагнитного клапана в сборе П305 | |
| 7 | 53-1015585 | Корпус контрольной спирали пульта управления | |
| 8 | 12-3722220 | Предохранитель ПР2Б (покупное изделие) | |
| 9 | 242469-П29 | Винт М5-6gх8 | |
| 10 | 53-1015590 | Спираль контрольная пульта управления | |
| 11 | 53-1015593 | Болт крепления контрольной спирали | |
| 12 | 53-1015599 | Шайба изолирующая малая | |
| 13 | 53-1015597 | Шайба изолирующая | |
| 14 | 252004-П29 | Шайба 6 ОСТ 37.001.144-96 | |
| 15 | 252154-П2 | Шайба 6Л ОСТ 37.001.115-75 | |
| 16 | 250608-П29 | Гайка М6-6Н ОСТ 37.001.124-93 | |
| 17 | 220051-П29 | Винт М4-6gх10 ОСТ 37.001.127-81 | |
| 18 | 4602.3710 | Выключатель | |
| 19 | 252002-П29 | Шайба 4 ОСТ 37.001.144-96 | |
| 20 | 220048-П29 | Винт М4-6gх6 | |
| 21 | 21-3709038 | Шайба прокладочная | |
| 22 | 21-3709030 | Гайка | |
| 23 | 51-3709051-Б | Ручка | |
| 24 | 201418-П29 | Болт М6-6gх16 ОСТ 37.001.123-96 | |
| 24 | 201418-П29 | Болт М6-6gх16 ОСТ 37.001.123-96 | |
| 25 | 252134-П2 | Шайба 6Т ОСТ 37.001.115-75 | |
| 25 | 252134-П2 | Шайба 6Т ОСТ 37.001.115-75 | |
| 25 | 252134-П2 | Шайба 6Т ОСТ 37.001.115-75 | |
| 26 | 3307-1015496 | Кронштейн переходный топливного бачка | |
| 27 | 53А-1015450 | Бачок топливный пускового подогревателя с пробкой в сборе | |
| 28 | 53-1015468 | Пробка топливного бачка подогревателя | |
| 29 | 53-1015479-А | Прокладка пробки топливного бачка подогревателя | |
| 30 | 53-1015480-А | Фильтр бачка со штуцером в сборе | |
| 31 | 53А-1015455 | Бачок топливный подогревателя в сборе | |
| 32 | 3307-1015555 | Кронштейн крепления электровентилятора | |
| 33 | 224570-П29 | Винт М4-6gх8 ОСТ 37.001.130-81 | |
| 33 | 224570-П29 | Винт М4-6gх8 ОСТ 37.001.130-81 | |
| 34 | 3102-8401512 | Держатель гайки в сборе | |
| 35 | ВП5 | Краник топливного бачка подогревателя | |
| 36 | 49Б-1015410 | Трубка топливного бачка пускового подогревателя | |
| 37 | 250508-П29 | Гайка М6-6Н ОСТ 37.001.124-93 | |
| 38 | 3307-1015550 | Электровентилятор подогревателя в сборе | |
| 39 | 201416-П29 | Болт М6-6gх12 ОСТ 37.001.123-96 | |
| 40 | А-14598 | Скоба | |
| 41 | 63-1013101-30 | Шланг от тройника к редукционному клапану | |
| 42 | 66-8102080 | Электромотор вентилятора пускового подогревателя МЭ202 | |
| 43 | 30-5303045 | Буфер | |
| 44 | 297403-П29 | Хомут 14 | |
| 45 | 222476-П29 | Винт М4-6gх20 ОСТ 37.001.128-96 | |
| 46 | 30-8102016 | Корпус вентилятора | |
| 47 | 30-8102026 | Прокладка | |
| 48 | 242471-П29 | Винт М5-6gх12 ОСТ 37.001.132-82 | |
| 49 | 81Ю-8102030 | Ротор в сборе | |
| 50 | 41-8102020 | Крышка корпуса в сборе |
Содержащиеся в справочниках-каталогах запасные части и детали не предлагаются к продаже, а носят исключительно информационный характер