Каталог запасных частей к технике: ГАЗ-3307. Бак топливный и пробка топливного бака
1
2
3
4
5
6
7
8
8
8
8
9
9
9
9
10
11
11
11
12
12
12
13
14
15
16
17
17
17
18
19
20
21
22
23
24
25
26
27
28
29
30
31
32
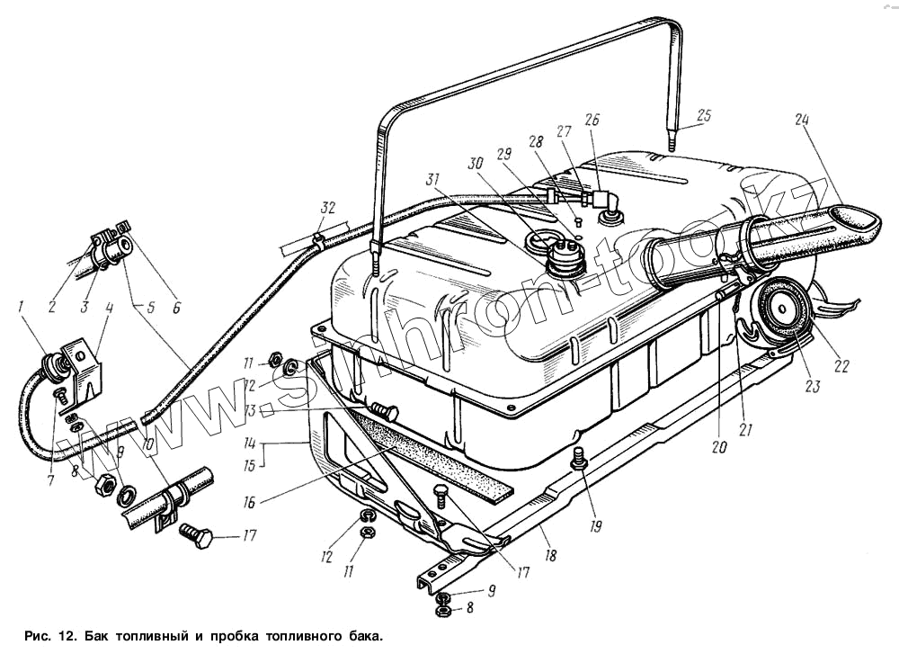
| Позиция на иллюстрации | Заводской номер детали | Название детали | |
|---|---|---|---|
| 1 | 66-01-1101281 | Клапан топливного бака в сборе | |
| 2 | 222476-П29 | Винт М4-6gх20 ОСТ 37.001.128-96 | |
| 3 | 297402-П29 | Хомут 12 | |
| 4 | 3307-1101372 | Кронштейн крепления клапана в сборе | |
| 5 | 3307-1101079 | Трубка воздушная | |
| 6 | 251082-П29 | Гайка М4-6Н ОСТ 37.001.112-91 | |
| 7 | 201452-П29 | Болт М8-6gх12 ОСТ 37.001.123-96 | |
| 8 | 250510-П29 | Гайка М8-6Н ОСТ 37.001.124-93 | |
| 8 | 250510-П29 | Гайка М8-6Н ОСТ 37.001.124-93 | |
| 8 | 250510-П29 | Гайка М8-6Н ОСТ 37.001.124-93 | |
| 9 | 252155-П2 | Шайба 8Л ОСТ 37.001.115-75 | |
| 9 | 252155-П2 | Шайба 8Л ОСТ 37.001.115-75 | |
| 9 | 252155-П2 | Шайба 8Л ОСТ 37.001.115-75 | |
| 10 | 66-1104147 | Скоба | |
| 11 | 250512-П29 | Гайка М10-6Н ОСТ 37.001.124-93 | |
| 11 | 250512-П29 | Гайка М10-6Н ОСТ 37.001.124-93 | |
| 12 | 252136-П2 | Шайба 10 ОТ ОСТ 37.001.115-75 | |
| 12 | 252136-П2 | Шайба 10 ОТ ОСТ 37.001.115-75 | |
| 13 | 201497-П29 | Болт М10-6gх25 ОСТ 37.001.123-96 | |
| 14 | 4301-1101117 | Кронштейн крепления бака передний | |
| 15 | 4301-1101102 | Кронштейн крепления бака задний | |
| 16 | 51П-1102120-Б | Прокладка | |
| 17 | 201454-П29 | Болт М8-6gх16 ОСТ 37.001.123-96 | |
| 17 | 201454-П29 | Болт М8-6gх16 ОСТ 37.001.123-96 | |
| 18 | 51П-1102107-Б | Планка защитная | |
| 19 | 4301-1101370 | Пробка сливная | |
| 20 | 260021-П29 | Палец 6х42 ОСТ 37.001.163-97 | |
| 21 | 258013-П29 | Шплинт 2х16 ОСТ 37.001.171-93 | |
| 22 | 66-11-1103010-10 | Пробка топливного бака в сборе | |
| 23 | 66-01-1103075 | Прокладка пробки бензинового бака | |
| 24 | 4301-1101240 | Труба выдвижная в сборе | |
| 25 | 51П-1102110-Б | Хомут в сборе | |
| 26 | 3102-1101281-01 | Клапан | |
| 27 | 4301-1101278 | Трубка в сборе | |
| 28 | 224598-П29 | Винт М5-6gх12 ОСТ 37.001.130-81 | |
| 29 | 293196-П | Шайба 5,5 ГОСТ 11371-78 | |
| 30 | 16.3827600 | Датчик указателя уровня топлива в сборе | |
| 31 | 12-1104022 | Прокладка датчика и фланца | |
| 32 | 49-3724527 | Поясок крепления жгута проводов |
Содержащиеся в справочниках-каталогах запасные части и детали не предлагаются к продаже, а носят исключительно информационный характер