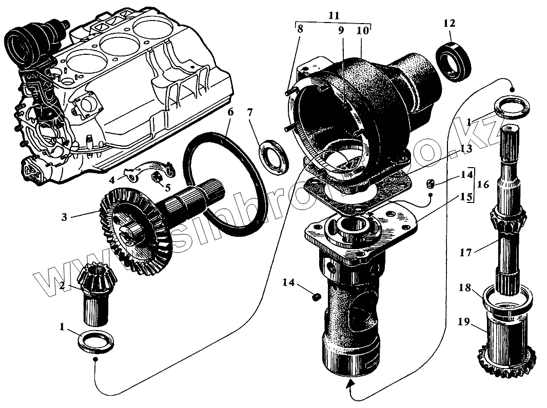
Каталог запасных частей к технике: Барнаултрансмаш Дизели Д6С2. Привод топливного насоса
1
1
2
3
4
5
6
7
8
9
10
11
12
13
14
14
15
16
17
18
19
| Позиция на иллюстрации | Заводской номер детали | Название детали | |
|---|---|---|---|
| 1 | 308-72-2 | Кольцо установочное | |
| 2 | 308-65-4 | Шестерня вертикального валика верхняя | |
| 3 | 508-40 | Валик привода топливного насоса | |
| 4 | 353-43 | Шайба стопорная 7 | |
| 5 | 351-06 | Гайка М6 | |
| 6 | 308-56 | Прокладка | |
| 7 | 308-107 | Кольцо установочное | |
| 8 | 550-101 | Шпилька М6х26 | |
| 9 | 352-03 | Штифт цилиндрический 5х12 | |
| 10 | 508-30-8 | Корпус привода топливного насоса | |
| 11 | сб.508-04-1 | Корпус привода топливного насоса | |
| 12 | сб.308-170 | Манжета с пружиной | |
| 13 | 308-94-2 | Прокладка | |
| 14 | 356-63 | Заглушка | |
| 15 | 308-20-8 | Подшипник вертикального валика | |
| 16 | сб.308-145 | Подшипник вертикального валика | |
| 17 | 308-63-7 | Валик вертикальный | |
| 18 | 308-22-1 | Кольцо установочное | |
| 19 | 308-64-2 | Шестерня вертикального валика нижняя |
Содержащиеся в справочниках-каталогах запасные части и детали не предлагаются к продаже, а носят исключительно информационный характер