Вернуться на главную
Поиск
Каталоги запчастей к технике
Двигатели
Барнаултрансмаш
Дизели Д6С2
Привод газораспределения
Каталог запасных частей к технике: Барнаултрансмаш Дизели Д6С2. Привод газораспределения
zoom-in
zoom-out
enlarge
shrink
circle-right
circle-left
file-text2
info
cart
Тип техники
Не выбрано
Легковые автомобили
Грузовые автомобили и прицепы
Автобусы
Сельхозтехника
Спецтехника
Двигатели
Мототехника
Марка
Не выбрано
BAW
Caterpillar
Cummins
DCEC
DongFeng
Doosan
FAW
Great Wall
Hitachi
HOWO
HSW
IVECO
Komatsu
LGMG
Perkins
Raywin
SDEC
Shaanxi
Valmet
Weichai
XINCHAI
YTO
Yuchai
ZF
Алтайдизель
Барнаултрансмаш
ВТЗ
ГАЗ
ЗиД
ЗМЗ
Камский автозавод
ММЗ
СМД
ТМЗ
УМЗ
ЧТЗ
ЮМЗ
ЯЗДА
ЯМЗ
Модель
Не выбрано
Дизели Д12С1 (2009)
Дизели Д12С2 (2009)
Дизели Д6С1 (2009)
Дизели Д6С2 (2009)
Схема
>
Не выбрано
Картер
Картер верхний
Детали верхнего картера
Картер нижний
Детали нижнего картера
Кожух маховика
Вал коленчатый
Шатун и поршень
Привод топливного насоса
Привод газораспределения
Привод генератора
Передача к агрегатам
Блок цилиндров
Головка блока
Распределительные валы
Детали головки блока
Детали блока цилиндров
Детали блока цилиндров для дизелей выпуска до 1998г
Воздухораспределитель и подвод воздуха к воздухораспределителю
Трубопровод воздушного пуска и пусковой клапан
Впускной коллектор
Топливный насос и муфта привода
Корпус топливного насоса
Нагнетающая секция топливного насоса
Детали топливного насоса
Регулятор
Крышка регулятора
Катаракт топливного насоса
Форсунка
Топливный трубопровод низкого давления и установка топливного фильтра
Топливный фильтр
Трубопроводы высокого давления и слива топлива из форсунок
Выпускной коллектор
Водяной насос
Детали водяного насоса
Трубопровод водяной
Насос забортной воды и его привод
Детали насоса забортной воды
Водо-водяной охладитель и регулятор температуры
Водомасляный охладитель
Насос масляный
Детали масляного насоса
Насос электромаслопрокачивающий
Масляный фильтр
Трубопровод масляный и патрубок отвода масла
Трубопровод масляный
Панель управления
Рукоятка управления дизелем
Дистанционное управление дизелем
Редуктор дистанционного управления
Установка щитка управления дизелем
Детали электрической схемы щитка
Панель приборов
Блок микровыключателей
Стартер, контактор, генератор и муфта привода генератора
Провода от щитка управления к агрегатам дизеля
Первичный преобразователь тахометра и детали привода
Вал отбора мощности
Приспособление для технического обслуживания дизеля
Инструмент
Инструмент
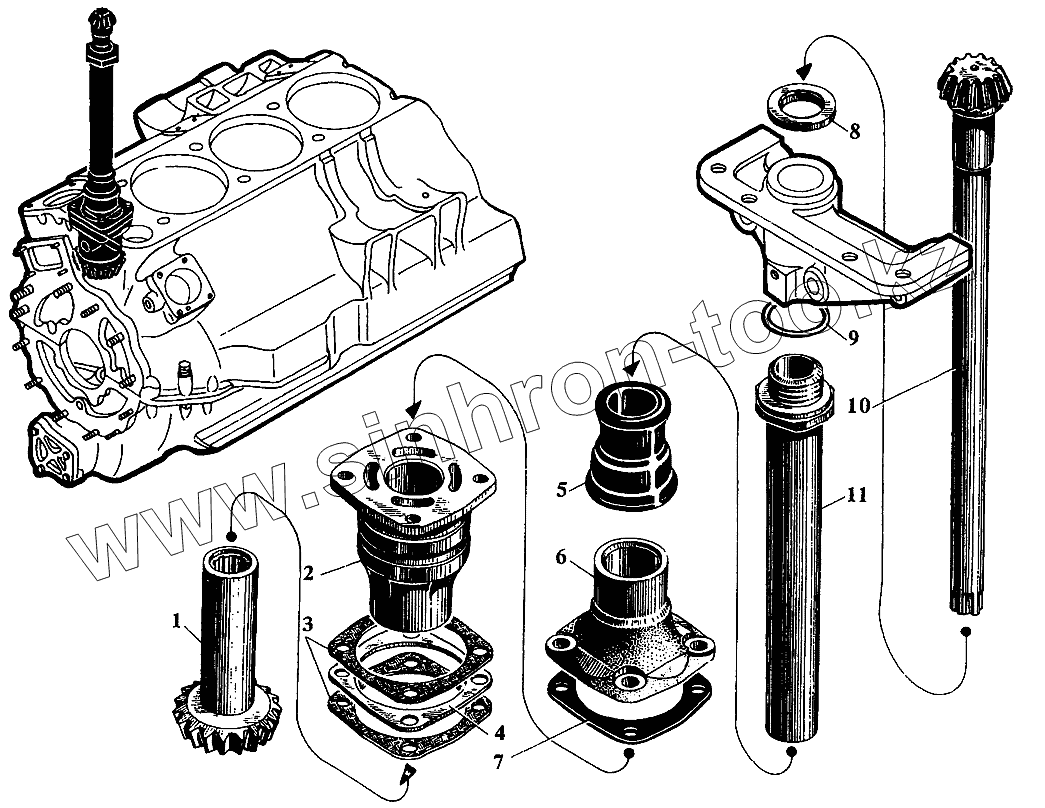
1
2
3
4
5
6
7
8
9
10
11
Позиция на иллюстрации
Заводской номер детали
Название детали
1
308-68-2
Шестерня наклонного валика
2
308-14-11
Подшипник шестерни наклонного валика
3
308-105
Прокладка
4
301-96
Прокладка
5
308-174А
Втулка
6
308-83-8
Стакан кожуха
7
308-93
Прокладка
8
308-95
Кольцо установочное
9
355-09
Кольцо уплотнительное 36х42
10
308-67-1
Валик наклонный
11
сб.308-09-3
Кожух наклонного валика
Содержащиеся в справочниках-каталогах запасные части и детали не предлагаются к продаже, а носят исключительно информационный характер
Дополнительная информация
×
Название:
Номер:
Примечание: