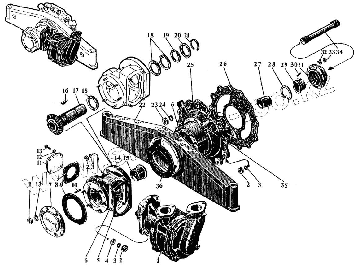
Каталог запасных частей к технике: Барнаултрансмаш Дизели Д6С2. Насос забортной воды и его привод
сб.584-02
1
2
2
2
2
3
3
3
3
4
5
6
6
7
8
9
10
11
12
13
14
15
16
17
18
18
19
20
21
22
23
24
25
26
27
28
29
30
31
32
33
34
35
36
| Позиция на иллюстрации | Заводской номер детали | Название детали | |
|---|---|---|---|
| сб.584-02 | сб.584-02 | Корпус привода насоса забортной воды | |
| 1 | сб.584-01-25 | Насос заборотной воды | |
| 2 | 351-50 | Гайка М10 | |
| 3 | 353-26 | Шайба пружинная 10Т | |
| 4 | 353-07-1 | Шайба чистая 10 | |
| 5 | 524-36-1 | Прокладка | |
| 6 | 550-118 | Шпилька М10х48 | |
| 7 | 524-37-3 | Крышка | |
| 8 | 524-40 | Прокладка | |
| 9 | 524-38-1 | Прокладка | |
| 10 | 550-19 | Шпилька М10х42 | |
| 11 | 524-39 | Крышка | |
| 12 | 353-24 | Шайба пружинная 8Т | |
| 13 | 556-07 | Болт М8х22 | |
| 14 | 584-11 | Корпус привода | |
| 15 | 584-13 | Втулка | |
| 16 | 315-64 | Шпонка сегментная | |
| 17 | 584-15-12 | Шестерня коническая большая | |
| 18 | 524-17 | Кольцо установочное | |
| 19 | 524-41-1 | Полукольцо | |
| 20 | 524-42-1 | Обойма | |
| 21 | 584-112-82 | Замок | |
| 22 | сб.1284-04 | Балка передняя | |
| 23 | 551-03 | Гайка М14 | |
| 24 | 353-28 | Шайба пружинная 14Н | |
| 25 | 524-12-2-01 | Опора передняя | |
| 26 | 514-36 | Прокладка | |
| 27 | 584Л-75 | Втулка | |
| 28 | 305-33-1 | Замок | |
| 29 | 305-54-2 | Втулка | |
| 30 | 550-101 | Шпилька М6х26 | |
| 31 | 305-34 | Гильза | |
| 32 | 353-11 | Шайба стопорная 7 | |
| 33 | 351-06 | Гайка М6 | |
| 34 | 524-14-2 | Рессора | |
| 35 | 552-04 | Штифт цилиндрический 12х30 | |
| 36 | 514-37 | Прокладка |
Содержащиеся в справочниках-каталогах запасные части и детали не предлагаются к продаже, а носят исключительно информационный характер