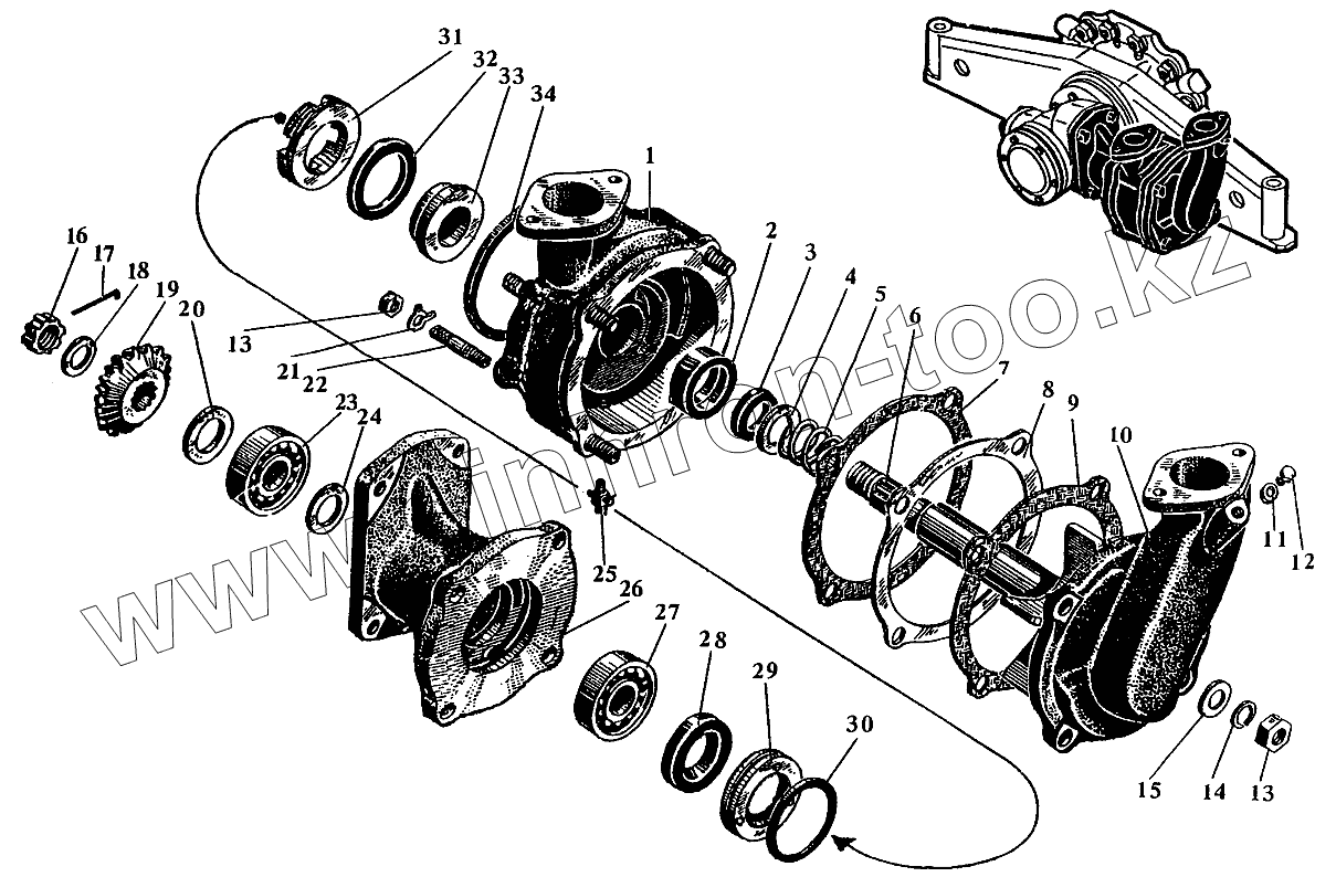
Каталог запасных частей к технике: Барнаултрансмаш Дизели Д6С2. Детали насоса забортной воды
1
2
3
4
5
6
7
8
9
10
11
12
13
13
14
15
16
17
18
19
20
21
22
23
23
24
25
26
27
27
27
27
28
29
30
31
32
33
34
| Позиция на иллюстрации | Заводской номер детали | Название детали | |
|---|---|---|---|
| 1 | сб.584-02-25 | Корпус насоса заборотной воды | |
| 2 | 584-90-82 | Манжета | |
| 3 | 584-18-80 | Кольцо | |
| 4 | 584-14-80 | Шайба | |
| 5 | 584-66-80 | Пружина | |
| 6 | сб.584-07-30 | Вал с крыльчаткой | |
| 7 | 584-22-82 | Прокладка уплотнительная толщиной 0,17мм | |
| 8 | 584-22-82-02 | Прокладка | |
| 9 | 584-22-82-01 | Прокладка уплотнительная толщиной 0,12мм | |
| 10 | 584-57-82 | Крышка насоса забортной воды | |
| 11 | 355-11 | Кольцо уплотнительное 16х22 | |
| 12 | 584-58 | Заглушка | |
| 13 | 351-50 | Гайка М10 | |
| 14 | 353-26 | Шайба пружинная 10Т | |
| 15 | 353-07-1 | Шайба чистая 10 | |
| 16 | 584-71-80 | Гайка | |
| 17 | 584-73 | Проволока стопорная | |
| 18 | 584-74-1 | Шайба | |
| 19 | 584-16-81 | Шестерня коническая малая | |
| 20 | 584-111-82 | Кольцо установочное | |
| 21 | 353-15 | Шайба стопорная 11 | |
| 22 | 550-118 | Шпилька М10х48 | |
| 23 | 5-46305Л | Подшипник | |
| 23 | 6-46305 | Подшипник | |
| 24 | 584-108-80 | Кольцо установочное | |
| 25 | 353-13050-10А | Краник сливной | |
| 26 | 584-51-25 | Фланец | |
| 27 | 306К | Подшипник | |
| 27 | 306К3 | Подшипник | |
| 27 | 306 | Подшипник | |
| 27 | 6-306К3 | Подшипник | |
| 28 | сб.20-39-85-1 | Манжета | |
| 29 | 584-30-25 | Стакан | |
| 30 | 20-63-22-1 | Кольцо | |
| 31 | 584-29-25 | Гайка | |
| 32 | 584-28-80 | Кольцо уплотнительное | |
| 33 | сб.584-11-82 | Диск | |
| 34 | 20-34-222-3 | Кольцо уплотнительное |
Содержащиеся в справочниках-каталогах запасные части и детали не предлагаются к продаже, а носят исключительно информационный характер