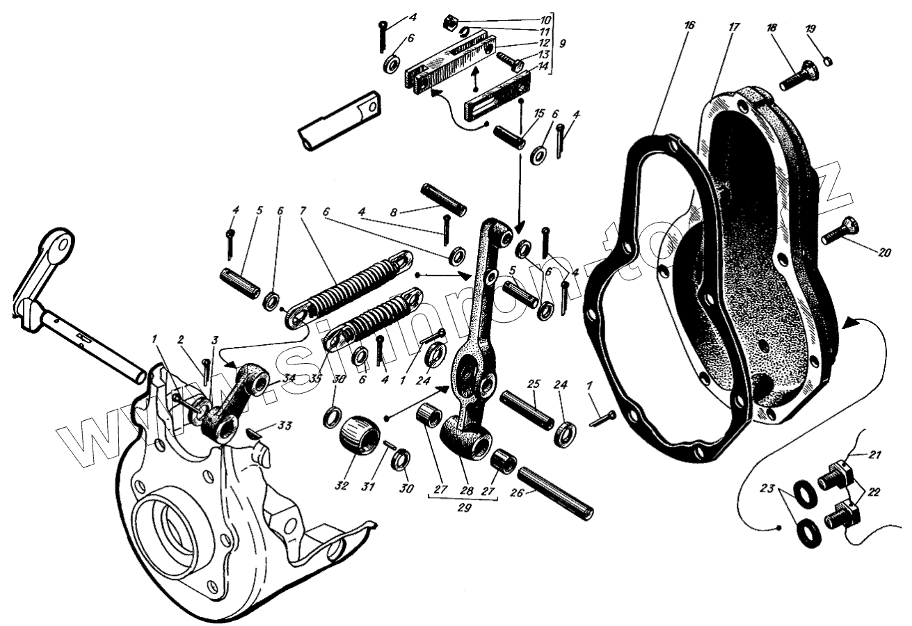
Каталог запасных частей к технике: Барнаултрансмаш Дизели Д12С1. Крышка регулятора
1
1
1
2
3
4
4
4
4
4
4
5
5
6
6
6
6
6
6
7
8
9
10
11
12
13
14
15
16
17
18
19
20
21
22
23
24
24
25
26
27
27
28
29
29
30
30
31
32
33
34
35
| Позиция на иллюстрации | Заводской номер детали | Название детали | |
|---|---|---|---|
| 1 | 354-12 | Шплинт разводной 2х20 | |
| 2 | 354-19 | Шплинт разводной 3,2х18 | |
| 3 | 315-639-1 | Шайба | |
| 4 | 354-17 | Шплинт разводной 2х12 | |
| 5 | 315-632-1 | Палец пружин | |
| 6 | 353-04-1 | Шайба чистая 6 | |
| 7 | сб.515-603-2 | Пружина регулятора | |
| 8 | 315-637-1 | Палец рычага | |
| 9 | сб.315-606 | Тяга рейки | |
| 10 | 351-06 | Гайка М6 | |
| 11 | 353-23 | Шайба пружинная 6Т | |
| 12 | 315-44-1 | Звено шарнира | |
| 13 | 356-84 | Болт М6х20 | |
| 14 | 315-643 | Поводок шарнира | |
| 15 | 315-42 | Цапфа | |
| 16 | 315-645А | Прокладка | |
| 17 | 315-620 | Крышка регулятора | |
| 18 | 356-64-1 | Винт М6х25 | |
| 19 | 327-87-1 | Пломба | |
| 20 | 356-64 | Винт М6х25 | |
| 21 | 354-22 | Проволока стопорная | |
| 22 | 301-101 | Заглушка | |
| 23 | 529-31 | Шайба | |
| 24 | 353-07-1 | Шайба чистая 10 | |
| 25 | 315-635-1 | Палец упора | |
| 26 | 315-618А | Ось рычага регулятора | |
| 27 | 315-636-1 | Втулка рычага регулятора | |
| 28 | 315-617-2 | Рычаг регулятора | |
| 29 | сб.315-665 | Рычаг регулятора | |
| 29 | сб.315-662-3 | Рычаг регулятора в сборе | |
| 30 | 327-94-1 | Шайба толкателя | |
| 31 | 327-95 | Ролик игольчатый 2,5х13,8 | |
| 32 | 315-622-2 | Ролик | |
| 33 | 315-64 | Шпонка сегментная | |
| 34 | 315-630-2 | Рычаг пружин | |
| 35 | сб.315-602 | Пружина регулятора |
Содержащиеся в справочниках-каталогах запасные части и детали не предлагаются к продаже, а носят исключительно информационный характер