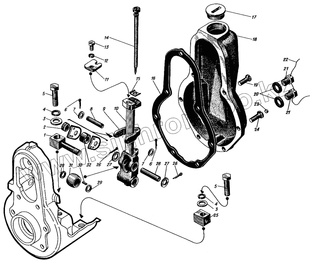
Каталог запасных частей к технике: Барнаултрансмаш Дизели Д12С1. Крышка регулятора
1
2
3
3
4
4
5
5
6
6
7
7
8
9
10
10
11
12
13
14
15
16
17
18
19
20
21
21
22
23
24
25
26
26
27
27
28
29
29
30
31
32
| Позиция на иллюстрации | Заводской номер детали | Название детали | |
|---|---|---|---|
| 1 | 1215-618 | Ось рычага регулятора | |
| 2 | 515-633 | Шайба дистанционная | |
| 3 | 353-05-1 | Шайба чистая 8 | |
| 4 | 353-24 | Шайба пружинная 8Т | |
| 5 | 356-78 | Болт М8х40 | |
| 6 | 354-17 | Шплинт разводной 2х12 | |
| 7 | 353-04-1 | Шайба чистая 6 | |
| 8 | 515-632 | Палец хомута пружин | |
| 9 | 515-43 | Хомут пружин | |
| 10 | 1215-617А | Рычаг регулятора | |
| 10 | сб.1215-662 | Рычаг регулятора в сборе | |
| 11 | 515-638 | Вилка винта | |
| 12 | 353-23 | Шайба пружинная 6Т | |
| 13 | 356-16А | Болт М6х14 | |
| 14 | сб.515-667-1 | Винт | |
| 15 | 515-641 | Шайба пружинная | |
| 16 | 315-645А | Прокладка | |
| 17 | 527-82 | Пробка | |
| 18 | 515-620-3 | Крышка регулятора | |
| 19 | 356-64 | Винт М6х25 | |
| 20 | 529-31 | Шайба | |
| 21 | 301-101 | Заглушка | |
| 22 | 354-22 | Проволока стопорная | |
| 23 | 327-87-1 | Пломба | |
| 24 | 356-64-1 | Винт М6х25 | |
| 25 | 1215-23 | Гайка оси рычага регулятора | |
| 26 | 354-12 | Шплинт разводной 2х20 | |
| 27 | 353-07-1 | Шайба чистая 10 | |
| 28 | 315-635-1 | Палец упора | |
| 29 | 327-94-1 | Шайба толкателя | |
| 30 | 327-95 | Ролик игольчатый 2,5х13,8 | |
| 31 | 315-622-2 | Ролик | |
| 32 | 515-634 | Втулка дистанционная |
Содержащиеся в справочниках-каталогах запасные части и детали не предлагаются к продаже, а носят исключительно информационный характер