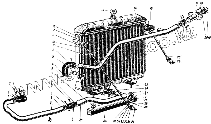
Каталог запасных частей к технике: ПАЗ-672М. Радиатор охлаждения
1
1
1
2
2
2
2
3
3
3
3
4
4
4
5
6
7
7
7
8
9
10
11
12
13
14
15
16
16
17
18
19
20
21
22
22
24
24
25
26
27
28
29
30
30
31
32
33
34
35
36
| Позиция на иллюстрации | Заводской номер детали | Название детали | |
|---|---|---|---|
| 201420-П8 | 201420-П8 | Болт М6х20 | |
| 0201501-П8 | 0201501-П8 | Болт М10х35 крепления балки подвески радиатора | |
| 252006-П8 | 252006-П8 | Шайба диам 10 гаек выпускного коллектора | |
| 252136-П2 | 252136-П2 | Шайба 10 пружинная | |
| 252134-П2 | 252134-П2 | Шайба пружинная диам 6 | |
| 250508-П8 | 250508-П8 | Гайка М6х1 | |
| 252136-П2 | 252136-П2 | Шайба 10 пружинная | |
| 298460-П | 298460-П | Специальный штуцер й/4-18П | |
| 66-50-1301006-10 | 66-50-1301006-10 | Радиатор с заглушками | |
| 672-1301009-01 | 672-1301009-01 | Радиатор в сборе | |
| 672-1302070-10 | 672-1302070-10 | Кронштейн крепления балки радиатора | |
| 250512-П8 | 250512-П8 | Гайка М10 болта крепления картера | |
| 672-1302034 | 672-1302034 | Тяга крепления радиатора правая | |
| 1 | А-8286 | Шланг соединительный наливной боковой горловины радиатора | |
| 2 | 251086-П8 | Гайка М5 | |
| 2 | 251086-П8 | Гайка М5 | |
| 2 | 251086-П8 | Гайка М5 | |
| 3 | 220088-П8 | Винт М5х31 | |
| 3 | 220088-П8 | Винт М5х31 | |
| 3 | 220088-П29 | Винт М5х35 хомутика | |
| 4 | 288016-П8 | Хомутик диам 5й отводящей трубы радиатора | |
| 5 | 51-1305010 | Краник сливной трубы радиатора в сборе | |
| 6 | 672-1303040-Б | Труба радиатора отводящая левая в сборе | |
| 7 | 21-1302045 | Подушка подвески радиатора | |
| 8 | 21-1303010 | Муфта соединительная | |
| 9 | 66-50-1301006-10 | Радиатор с заглушками | |
| 10 | 672-1302035 | Тяга крепления радиатора левая | |
| 11 | 201456-118 | Болт М8х2 | |
| 12 | 252155-П2 | Шайба 8 пружинная | |
| 13 | 250510-П8 | Гайка М8х1,5 | |
| 14 | 52-1304010 | Пробка радиатора | |
| 15 | 672-1303012-В | Труба радиатора подводящая в сборе | |
| 16 | 672-1303010 | Шланг радиатора | |
| 16 | 11-8286 | Шланг соединительный | |
| 17 | 252134-П2 | Шайба пружинная диам 6 | |
| 18 | 224624-П8 | Винт М6х14 | |
| 19 | 652-1304050А1 | Пробка наливного патрубка радиатора в сборе | |
| 20 | 672-1304060 | Уплотнитель пробки | |
| 21 | 672-1301170 | Горловина наливная радиатора в сборе | |
| 22 | 297410-П8 | Хомутик диам 46,5 | |
| 22 | 297410-П8 | Хомутик диам 46,5 | |
| 24 | 672-1302038 | Кронштейн крепления тяги радиатора правый | |
| 25 | 290789-П8 | Болт М10х42 крепления радиатора к балке | |
| 26 | 51А-1303025 | Шланг соединительный | |
| 27 | 20-1302048 | Втулка болта крепления радиатора | |
| 28 | 293333-П8 | Шайба диам 1 специальная | |
| 29 | 250976-П8 | Ганка М10 | |
| 30 | 258039-П2 | Шплинт диам 2,7х20 | |
| 31 | 250512-П8 | Гайка М10 болта крепления картера | |
| 32 | 20-1001095 | Втулка распорная | |
| 33 | 21-1302094 | Прокладка | |
| 34 | 252039-П8 | Шайба диам 10 плоская | |
| 35 | 672-1302010-10 | Балка подвески радиатора в сборе | |
| 36 | 672-1303039-Б | Труба радиатора отводящая левая в сборе |
Содержащиеся в справочниках-каталогах запасные части и детали не предлагаются к продаже, а носят исключительно информационный характер