Каталог запасных частей к технике: ПАЗ-672М. Глушитель и подвеска труб
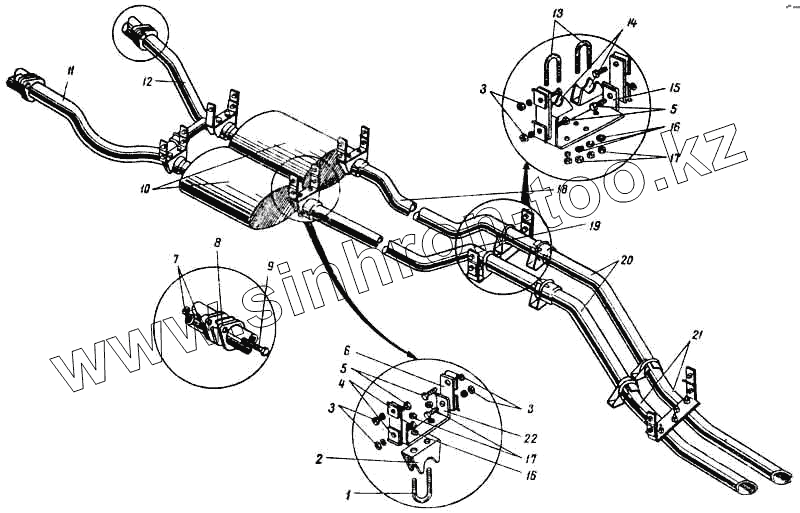
1
2
3
3
3
4
5
5
6
7
8
9
10
11
12
13
14
16
16
16
17
17
18
19
20
21
22
| Позиция на иллюстрации | Заводской номер детали | Название детали | |
|---|---|---|---|
| 250511-П8 | 250511-П8 | Гайка | |
| 672-1201009-01 | 672-1201009-01 | Глушитель с промежуточной трубой в сборе | |
| 672-1201010-02 | 672-1201010-02 | Глушитель с промежуточной трубой в сборе | |
| 672-1203041 | 672-1203041 | Кронштейн | |
| 672-1203084 | 672-1203084 | Кронштейн подвески выхлопных труб глушителя | |
| 652Б-1302036 | 652Б-1302036 | Втулка распорная | |
| 1 | 11-5244А | Стремянка хомута | |
| 2 | 11-5249А | Хомут приемной трубы глушителя | |
| 3 | 250510-П2 | Гайка М8 | |
| 4 | 652Б-1203040 | Накладка ремня подвески труб глушителя | |
| 5 | 201458-П29 | Болт М8х6gx25 | |
| 6 | 652Б-1203038-01 | Ремень подвески труб глушителя | |
| 7 | 250536-П | Гайка М10 латунная | |
| 8 | 53А-1203360 | Прокладка приемной трубы глушителя в сборе | |
| 9 | 200319-П | Болт М10х50 крепления приемной трубы к коллектору | |
| 10 | 672-1201009-02 | Глушитель с патрубком в сборе | |
| 11 | 652-1203011-01 | Труба приемная глушителя левая в сборе | |
| 12 | 672-1203010-01 | Труба приемная глушителя правая с фланцем и патрубком в сборе | |
| 13 | 20-1203085-Б | Стремянка | |
| 14 | 672-1203082-01 | Хомут | |
| 16 | 672-1203060 | Кронштейн подвески выхлопной трубы глушителя | |
| 16 | 252135-П2 | Шайба 8 пружинная | |
| 17 | 250511-П8 | Гайка | |
| 18 | 672-1203050-Б | Труба выхлопная глушителя передняя правая | |
| 19 | 672-1203051-Б | Труба выхлопная глушителя передняя левая | |
| 20 | 672-1203070-Б | Труба выхлопная глушителя средняя | |
| 21 | 672-1203080-01 | Труба выхлопная глушителя задняя | |
| 22 | 672-1203041-Б | Кронштейн подвески труб глушителя |
Содержащиеся в справочниках-каталогах запасные части и детали не предлагаются к продаже, а носят исключительно информационный характер