Вернуться на главную
Поиск
Каталоги запчастей к технике
Автобусы
ПАЗ
ПАЗ-3205
Управление рулевое
Каталог запасных частей к технике: ПАЗ-3205. Управление рулевое
zoom-in
zoom-out
enlarge
shrink
circle-right
circle-left
file-text2
info
cart
Тип техники
Не выбрано
Легковые автомобили
Грузовые автомобили и прицепы
Автобусы
Сельхозтехника
Спецтехника
Двигатели
Мототехника
Марка
Не выбрано
Golden Dragon
Hyundai
Ikarus
Karosa
King Long
Neoplan
Yutong
ZF
АМАЗ
Богдан
ЗИЛ
КАВЗ
Камский автозавод
ЛАЗ
ЛЗГМП
ЛиАЗ
Нефтекамский автозавод
ПАЗ
УралАЗ
Модель
Не выбрано
KNORR-BREMSE применяемых на технике ПАЗ
ВЕКТОР NEXT С40R13 шасси
ПАЗ-3204
ПАЗ-3205 (2001)
ПАЗ-3205-110 (2005)
ПАЗ-32053 (2004)
ПАЗ-4230 (2005)
ПАЗ-4234 (2005)
ПАЗ-672М (1987)
Схема
>
Не выбрано
Стекло ветровое
Вид спереди
Панель передка крепления фар
Панель передка угловая наружная правая
Панель передка угловая наружная левая
Решётка передка
Решётка моторного люка
Кузов. Вид справа
Кузов. Вид слева
Стекло неподвижное
Стекло подвижное рамки окна боковины
Стекло неподвижное окна боковины
Стекла окна боковины
Вид сзади
Панель задка боковая наружная
Панель крепления задних фонарей
Дверь водителя сборочный чертёж
Стекло рамки окна двери водителя подвижное
Стекло окна двери водителя неподвижное
Замок двери водителя
Петля двери верхняя
Петля двери с кронштейном
Дверь пассажирская
Стекло пассажирской двери
Стекло окна боковой задней двери
Подвеска двигателя
Блок и головка цилиндров
Кривошипно-шатунный механизм
Газораспределительный механизм
Газопровод
Система смазки двигателя
Масляный радиатор
Маслоотделитель
Фильтр масляный
Топливный бак и бензопровод
Отстойник топливный
Насос топливный и регулятор оборотов двигателя
Карбюратор
Карбюратор
Фильтр воздушный
Фильтр тонкой очистки топлива
Привод управления карбюратором
Система выпуска газа
Радиатор системы охлаждения
Насос водяной
Вентилятор системы охлаждения
Ролик натяжной
Опора промежуточная
Сцепление
Привод выключения сцепления
Гидроцилиндр привода выключения сцепления
Коробка передач
Крышка верхняя коробки передач
Привод управления коробкой передач
Валы карданные
Мост задний
Главная передача и дифференциал
Бампер задний
Бампер передний
Подвеска передняя
Подвеска задняя
Ось передняя
Ступицы
Колесо
Управление рулевое
Механизм рулевой
Цилиндр гидроусилителя рулевого управления с корпусом шарниров
Насос гидроусилителя со шкивом
Тормоз передний
Поршень главного цилиндра
Трубка
Трубка
Трубка
Трубка
Шланг высокого давления
Шкив компрессора
Крышка кронштейн
Шток пневмоусилителя
Хомут корпуса пневмоусилителя
Втулка
Трубка
Трубка
Компрессор
Планка генератора
Система зажигания
Стартер
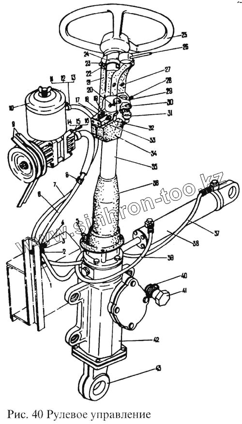
25
37
39
43
Позиция на иллюстрации
Заводской номер детали
Название детали
3205-3408020
3205-3408020
Шланг нагнетательный
25
3205-3402015
Колесо рулевого управления
37
3205-3408020-02
Шланг нагнетательный
39
3205-3408020-01
Шланг нагнетательный
43
3205-3401090-01
Сошка рулевого механизма
Содержащиеся в справочниках-каталогах запасные части и детали не предлагаются к продаже, а носят исключительно информационный характер
Дополнительная информация
×
Название:
Номер:
Примечание: