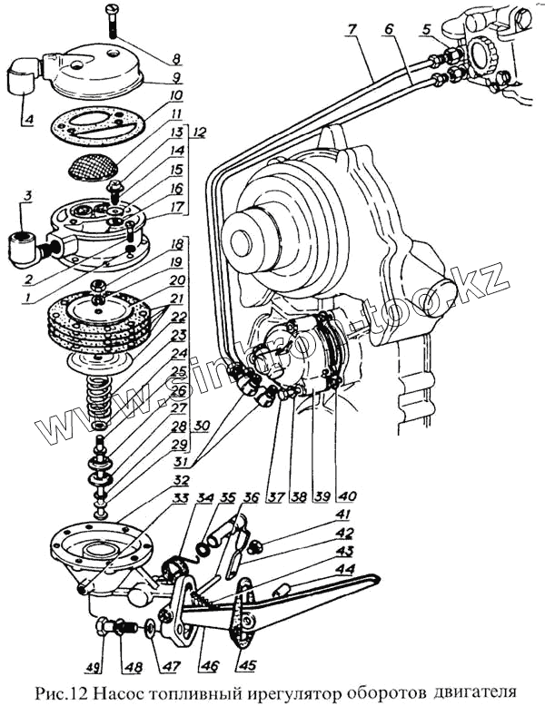
Каталог запасных частей к технике: ПАЗ-3205. Насос топливный и регулятор оборотов двигателя
10
11
14
16
17
21
23
30
32
32
34
36
39
40
43
44
45
46
| Позиция на иллюстрации | Заводской номер детали | Название детали | |
|---|---|---|---|
| 130-1110994 | 130-1110994 | Сальник ротора | |
| 10 | 13-1106058 | Прокладка крышки бензинового насоса | |
| 11 | 51А-1106045 | Фильтр бензинового насоса | |
| 14 | 51А-1106027 | Пружина клапана бензинового насоса | |
| 16 | 13-1106022-Б | Клапан бензинового насоса | |
| 17 | 51А-1106015-А | Головка бензинового насоса | |
| 21 | 13-1106142 | Диафрагма бензинового насоса | |
| 23 | 51А-1106150 | Пружина диафрагмы бензинового насоса | |
| 30 | 51А-1106140 | Диафрагма бензинового насоса | |
| 32 | 13-1106094 | Корпус бензинового насоса | |
| 32 | 13-1106011 | Насос бензиновый | |
| 34 | 51-1106175 | Пружина акселератора (норма упаковки 1 т. шт., 21 кг.) | |
| 36 | 51А-1106128 | Валик рычага привода бензинового насоса | |
| 39 | 130-1110920 | Центробежный датчик | |
| 40 | 66-1110532-Б | Прокладка центробежного датчика | |
| 43 | 51А-1106118 | Пружина рычага бензинового насоса | |
| 44 | 13-1106124-Б | Втулка рычага бензинового насоса | |
| 45 | 13-1106170 | Прокладка бензонасоса к блоку | |
| 46 | 13-1106108 | Рычаг бензинового насоса |
Содержащиеся в справочниках-каталогах запасные части и детали не предлагаются к продаже, а носят исключительно информационный характер