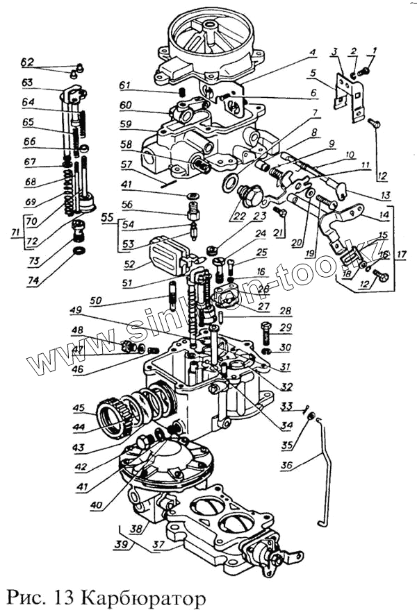
Каталог запасных частей к технике: ПАЗ-3205. Карбюратор
1
2
3
5
6
7
8
9
10
11
12
12
13
14
15
16
16
17
18
19
20
21
22
23
24
25
26
27
28
29
30
31
32
33
34
35
36
37
38
39
40
41
41
42
43
44
45
46
46
47
48
49
50
51
52
53
53
54
55
56
57
58
59
60
61
62
63
64
65
66
67
68
69
70
71
72
73
74
| Позиция на иллюстрации | Заводской номер детали | Название детали | |
|---|---|---|---|
| К126Б-1107202-А | К126Б-1107202-А | Жиклер топливный главный | |
| К124М-1107231 | К124М-1107231 | Жиклер | |
| 1 | 220077-П29 | Винт кронштейна | |
| 2 | 900902-0 | Шайба пружинная 5М 65г (ГОСТ 6402-70) | |
| 3 | К23-55-01 | Зажим кронштейна | |
| 5 | К126Б-1107302 | Кронштейн | |
| 6 | 22963-П29 | Винт М3-6gх8 | |
| 7 | 451306 | Прокладка | |
| 8 | К23-70 | Втулка | |
| 9 | К126Б-1107309 | Пружина | |
| 10 | К126-1107308 | Пружина | |
| 11 | К126Б-1107315 | Рычаг привода воздушной заслонки сборе | |
| 12 | 900507 | Болт | |
| 13 | К126Б-1107310 | Ось воздушной заслонки в сборе | |
| 14 | К126Б-1107345 | Ось привода насоса с рычагом в сборе | |
| 15 | К126Б-1107353 | Планка | |
| 16 | 900901-0 | Шайба пружинная 4h 65г (ГОСТ 6402-70) | |
| 17 | К126Б-1107350 | Ось привода насоса в сборе | |
| 18 | 901044-О | Шайба 4,2х1 | |
| 19 | 220081-П29 | Винт | |
| 20 | 901017-0 | Шайба | |
| 21 | 900509 | Болт М4-6gх13 | |
| 22 | К124-1107327 | Пробка фильтра | |
| 23 | К126Б-1107242 | Манжета | |
| 24 | К126П-1107246 | Винт топливопроводящий | |
| 25 | 220056-П29 | Винт М4 | |
| 26 | К126Б-1107208 | Распылитель | |
| 27 | К126-1107209а | Прокладка распылителя | |
| 28 | К21-1107218 | Нагнетательный клапан | |
| 29 | К28Б-1107025 | Болт М6 | |
| 30 | 900903-0 | Шайба пружинная 6h 65г (ГОСТ 6402-70) | |
| 31 | К126Н-1107226 | Трубка эмульсионная | |
| 32 | К135-1107220 | Диффузор малый в сборе | |
| 33 | 901107 | Шплинт 1,6х10 | |
| 34 | К21-1107244 | Шарик | |
| 35 | 901048-0 | Шайба | |
| 36 | К126Б-1107024 | Тяга малых оборотов | |
| 37 | К135-1107150-01 | Корпус смесительных камер в сборе | |
| 38 | К126Б-1107160 | Механизм диафрагменныйв сборе | |
| 39 | К135-1107100-03 | Корпус смесительных камер с ограничителем в сборе | |
| 40 | К126Ф-1107202 | Жиклер топливный | |
| 41 | 451305 | Прокладка | |
| 42 | К127-1107206-11 | Пробка | |
| 43 | К126-1107225 | Стекло карбюратора | |
| 44 | К126-1107228-А | Прокладка | |
| 45 | К126Н-1107216 | Гайка | |
| 46 | К126П-1107244 | Жиклер воздушный | |
| 46 | К126П-1107244-01 | Жиклёр | |
| 47 | 451304 | Прокладка | |
| 48 | 451512 | Пробка М8х1-6gх7 | |
| 49 | К126-1107204 | Кольцо стопорное | |
| 50 | К135-1107204 | Жиклер | |
| 51 | К126Б-1107210-А | Привод ускорительного насоса в сборе | |
| 52 | К124-1107320-01 | Поплавок | |
| 53 | К126Н-1107335 | Игла клапана | |
| 53 | К126Н-1107331 | Игла клапана подачи горючего | |
| 54 | К126Н-1107333-01 | Шайба | |
| 55 | К126Б-1107330-А | Клапан подачи топлива | |
| 56 | К126Б-1107322-Б | Корпус клапана подачи топлива | |
| 57 | 114-1107304 | Ось поплавка | |
| 58 | К59-1107325 | Сетка фильтра в сборе | |
| 59 | К126Б-1107301 | Крышка поплавковой камеры | |
| 60 | К126Б-1107355 | Вилка в сборе | |
| 61 | СЛ22-5205502 | Винт стопорный | |
| 62 | К25А-1107228 | Гайка установочная | |
| 63 | К126Б-1107215 | Планка в сборе | |
| 64 | К36-1107014 | Пружина поршня | |
| 65 | К30-1107115 | Пружина | |
| 66 | К59-1107217 | Шайба | |
| 67 | 451303 | Прокладка | |
| 68 | К124-1107218 | Шток привода экономайзера | |
| 69 | К34-1107013 | Пружина | |
| 70 | К126Б-1107245 | Поршень со штоком в сборе | |
| 71 | К126Б-1107240-А | Поршень | |
| 72 | К126Б-1107242 | Манжета | |
| 73 | К126-1107280 | Клапан экономайзера | |
| 74 | 901718 | Шайба Фибровая |
Содержащиеся в справочниках-каталогах запасные части и детали не предлагаются к продаже, а носят исключительно информационный характер